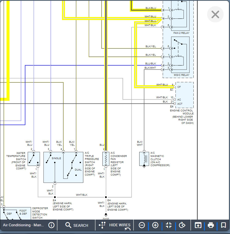
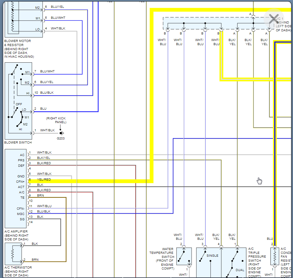
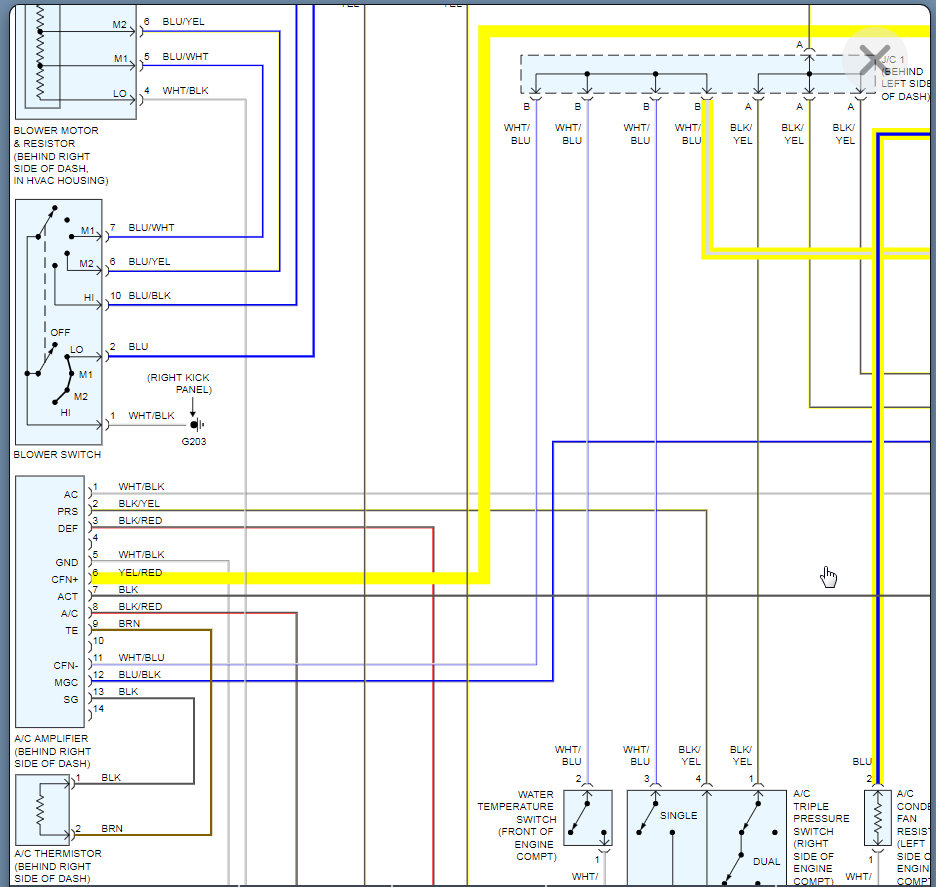
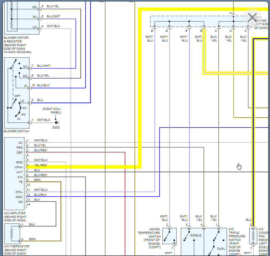
When I turn on the air-conditioner switch it blows the 7.5 amp fuse.
Disconnected the AC compressor and it still blows the fuse, I believe it’s something wrong with the amplifier.
Disconnected the AC compressor and it still blows the fuse, I believe it’s something wrong with the amplifier.
Jul 7, 2019 at 1:14 PM


