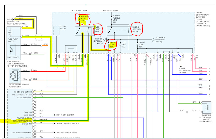
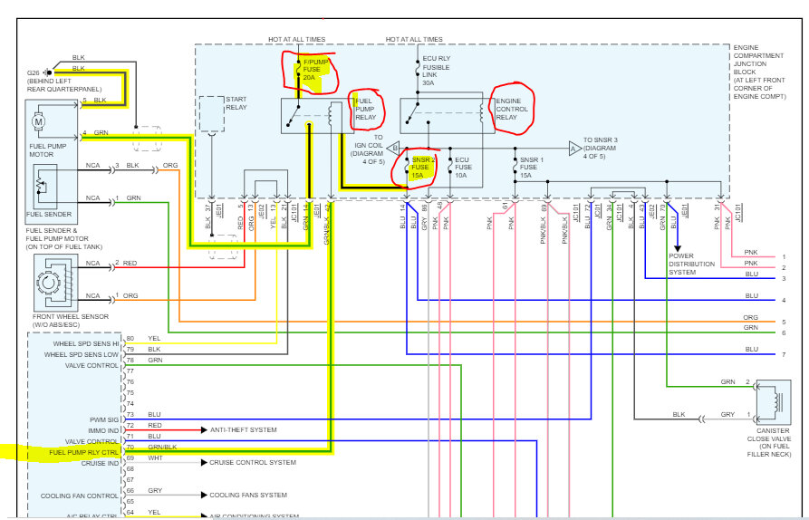
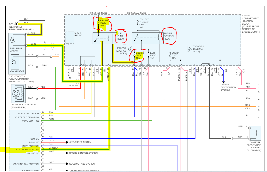
Loss of power bugging down. I replaced plugs coils even ignition coil assembly condenser capacitor. checked fuses got it started last, oh both cam sensors and crank sensor replaced .now fuel pump isn't working wtf else could ot be?
The vehicle listed above has a 3.3 l v6 engine.
The vehicle listed above has a 3.3 l v6 engine.
Aug 15, 2023 at 4:02 PM




