A/C compressor relay location needed?

2015 NISSAN ALTIMA
60,000 MILES • 6 CYL • 2WD
Avatar
BROBERTS13
  • MEMBER
  • 1 POST
Compressor operation is intermittent. Relay is suspect. Where is the compressor relay?
Sep 13, 2020 at 7:43 PM
Advertisement
Avatar
KASEKENNY
  • CERTIFIED EXPERT
  • 18,907 POSTS
This is part of the IPDM E/R. It does not appear to be serviceable. To confirm this, we need to check power coming out of the relay when this is acting up. If the power is coming and going then you are probably correct. However, if there is constant power, then your compressor is most likely the issue.

Let me know what questions you have after reviewing this. Thanks
Sep 13, 2020 at 8:11 PM
Avatar
JACOBANDNICKOLAS
  • CERTIFIED EXPERT
  • 110,175 POSTS
Hi,

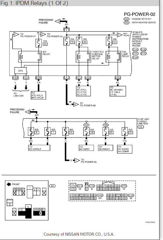
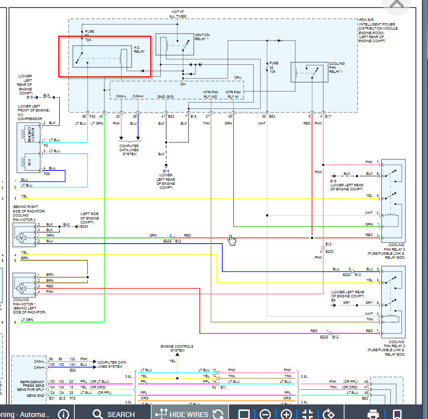
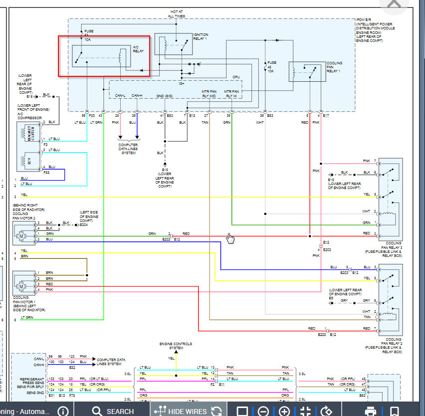
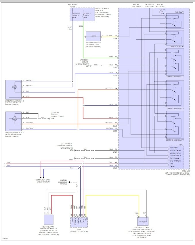
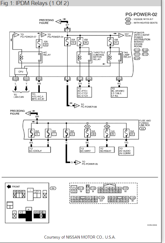
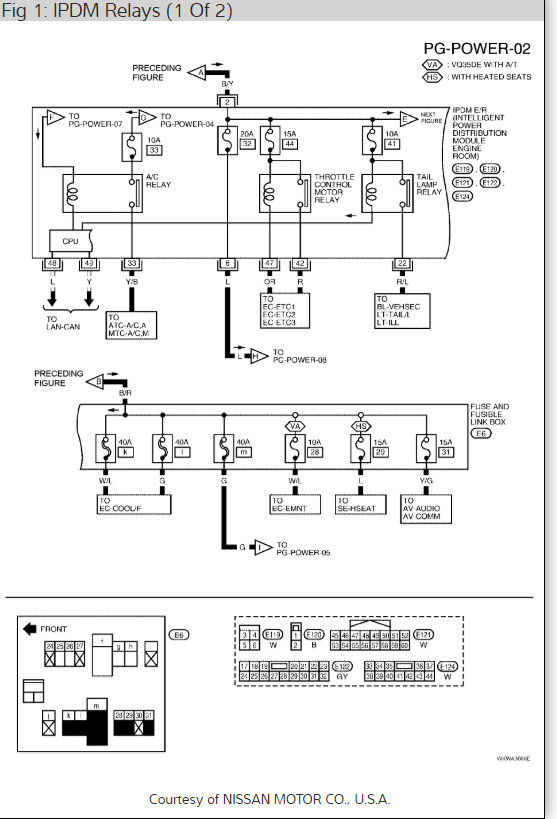
I know that the compressor relay is located in the intelligent power distribution module (IPDM) located under the hood. See the attached pic.

The relay is not replaceable separately,

Let me know if I can help.

Joe.
Sep 13, 2020 at 8:12 PM
Advertisement
Avatar
SANDERS530
  • MEMBER
  • 10 POSTS
Where is the A/C compressor relay located?
May 24, 2021 at 7:07 PM (Merged)
Avatar
KASEKENNY
  • CERTIFIED EXPERT
  • 18,907 POSTS
Hi,

According to the service manual the relay is internal to the IPDM. Unfortunately that means it is not servicable. Please let me know if you need more information. Thanks
May 24, 2021 at 7:07 PM (Merged)
Avatar
DYLSDAD
  • MEMBER
  • 1 POST
Can I get the location of A/C relay please?
May 24, 2021 at 7:07 PM (Merged)
Avatar
STRAILER
  • CERTIFIED EXPERT
  • 53,854 POSTS
The relay is integrated into the IPDM behind the front headlight in the engine compartment on the passenger side.

Here is a wiring diagram to help troubleshoot it:

https://www.2carpros.com/articles/how-to-check-an-electrical-relay-and-wiring-control-circuit

and

https://www.2carpros.com/articles/how-to-check-wiring

Let us know how it goes, we are here to help. Best, Ken
May 24, 2021 at 7:07 PM (Merged)
Avatar
STRAILER
  • CERTIFIED EXPERT
  • 53,854 POSTS
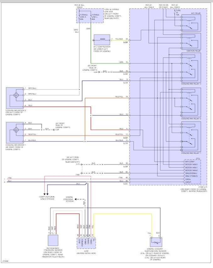
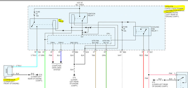
On some cars they have it as a blower motor relay but is goes to the compressor that why it's so hard to find. Check out the diagrams (Below). Please let us know if you need anything else to get the problem fixed.
May 24, 2021 at 7:07 PM (Merged)
Avatar
CLAUWASH
  • MEMBER
  • 1 POST
the ac relay switch is not allowing the car to cool from the inside and i have lost the original part to get the number off of it, to order another one, so what else can i do?
May 24, 2021 at 7:07 PM (Merged)
Avatar
STRAILER
  • CERTIFIED EXPERT
  • 53,854 POSTS
Hello,


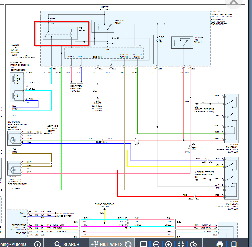
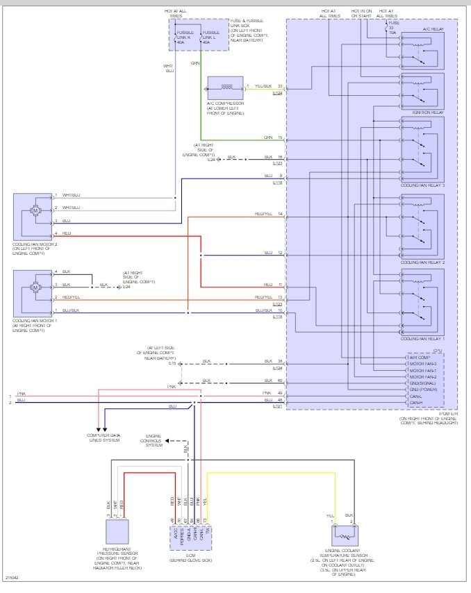
The air conditioner relay is in the power distribution center under the hood, Here is a diagram (below) that shows its location in the fuse block. Here is a guide that will help you test it as well.

https://www.2carpros.com/articles/how-to-check-an-electrical-relay-and-wiring-control-circuit

Please let us know if you need anything else to get the problem fixed.

Cheers, Ken
May 24, 2021 at 7:07 PM (Merged)
Avatar
LIONSSHARE2
  • MEMBER
  • 1 POST
Want to replace bad relay switch on A/C unit the replacement part number is G8V1-1A4T 12 BBC 2348D61... It is a four prong switch... Can't seem to find this part anywhere is there another part or can you point me in the direction of where I might find another relay switch??? Help please
May 24, 2021 at 7:07 PM (Merged)
Avatar
WRENCHTECH
  • CERTIFIED EXPERT
  • 20,761 POSTS
If this is the pin layout, there are plenty of generic models for sale that will work. https://www.2carpros.com/images/external/Relay20Micro204pin.jpg
May 24, 2021 at 7:07 PM (Merged)
Avatar
MELISSAJOHNSON
  • MEMBER
  • 1 POST
Where is the exact location on my car listed above, A/C relay, so i can check it to be replaced?
May 24, 2021 at 7:07 PM (Merged)
Avatar
ASEMASTER6371
  • CERTIFIED EXPERT
  • 52,796 POSTS
Good evening,

I attached a wiring diagram for you to view. Check the fuse in the fuse panel for power on both sides.

https://www.2carpros.com/articles/how-to-check-a-car-fuse

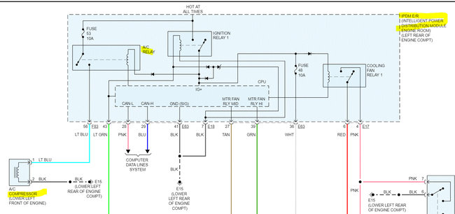
I also circled the location of the relay.

https://www.2carpros.com/articles/how-to-check-an-electrical-relay-and-wiring-control-circuit

https://www.2carpros.com/articles/how-to-check-wiring

Roy
May 24, 2021 at 7:07 PM (Merged)