Where Is A/C relay and fuse

2003 LINCOLN AVIATOR
100,000 MILES • 0.5L • V8 • 4WD • AUTOMATIC
Avatar
JJHS
  • MEMBER
  • 1 POST
A/C blower is working but the Air compressor not. Gas pressure It’s okay.
Mar 12, 2020 at 5:14 AM
Advertisement
Avatar
ASEMASTER6371
  • CERTIFIED EXPERT
  • 52,796 POSTS
Good morning,

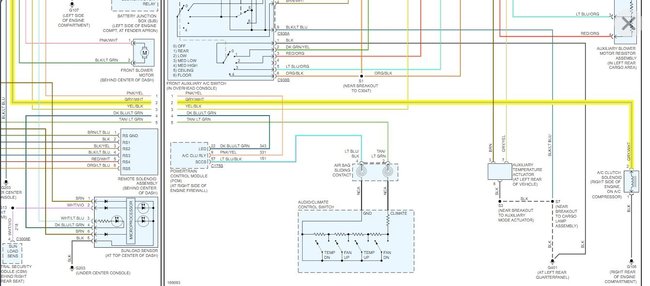
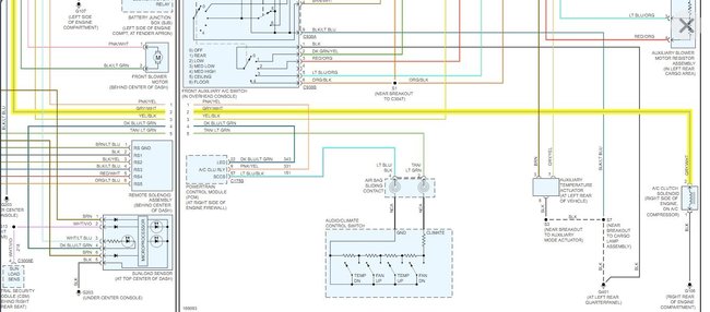
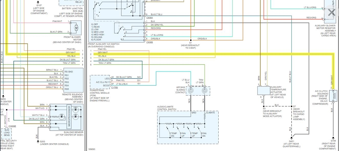
I attached a wiring diagram for you to view to check for voltages. Check out the diagrams (Below). Please let us know if you need anything else to get the problem fixed.

Roy
Mar 12, 2020 at 5:43 AM