This don't look nothing like a Jeep CJ brake light switch.
It probably has a plunger of some sort
See if it fell out of it's bracket, slid fore or aft in it's bracket, now not being pushed/ or released by the pedal (I don't know if it's normally pushed or released) (it's possible it may be bad)
Check this stuff first.
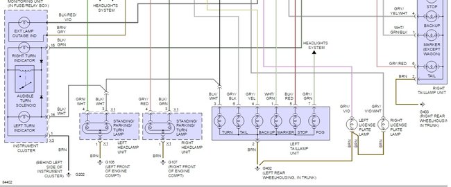
Below is an "exterior lights" wiring diagram from "Prodemand". This puppy may show everything but the headlights (that might be another diagram) It took so long to make screenshots, then on to "Microsoft Paint" to crop and retrive them, I didn't pay attention to the headlights. (hopefully irrelevant in your situation)
We cannot just "save as" in "Prodemand". They are an Online pay repair manual.
So I have four screenshots, they are in the order they stack, I made sure I had overlappage so it is all there! 1-3 top row, 4 next row.
Look at/ check the fuses that are shown in the blocks, they are numbered and give locations for the box.
Cool thing here is it shows everything in the system and where it is! Just in case you need to dig deeper!
For one of my Jeeps, I EMAILED my diagram to "Office Max", they blew up the two halves, I overlapped them correctly, then they laminated it, Maybe $25 I think.
You can print 'em, overlap and tape 'em together, Just use a magnifying glass to see!
Hope my Jeep knowledge is aiding you!
Return with good news!
The Medic
Images (Click to enlarge)
Oct 10, 2016 at 8:00 PM