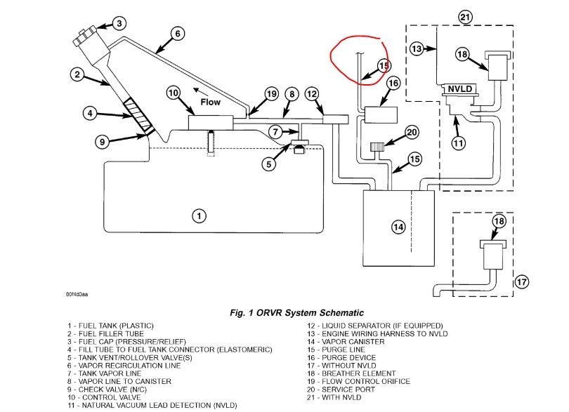
Replaced engine. I cannot find the vaccum line that goes on the back of the intake manifold near throttle body. Where does thus line originate? And what is its function?
Jul 23, 2020 at 11:35 PM


