Blower motor fuse location

1998 CADILLAC DEVILLE
45,000 MILES • 4.6L • V8 • 2WD • AUTOMATIC
Avatar
  • MEMBER
  • 1 POST
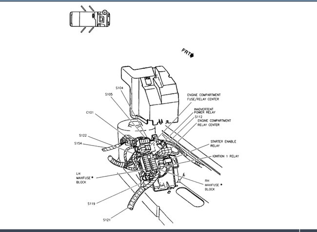
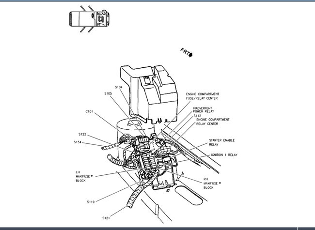
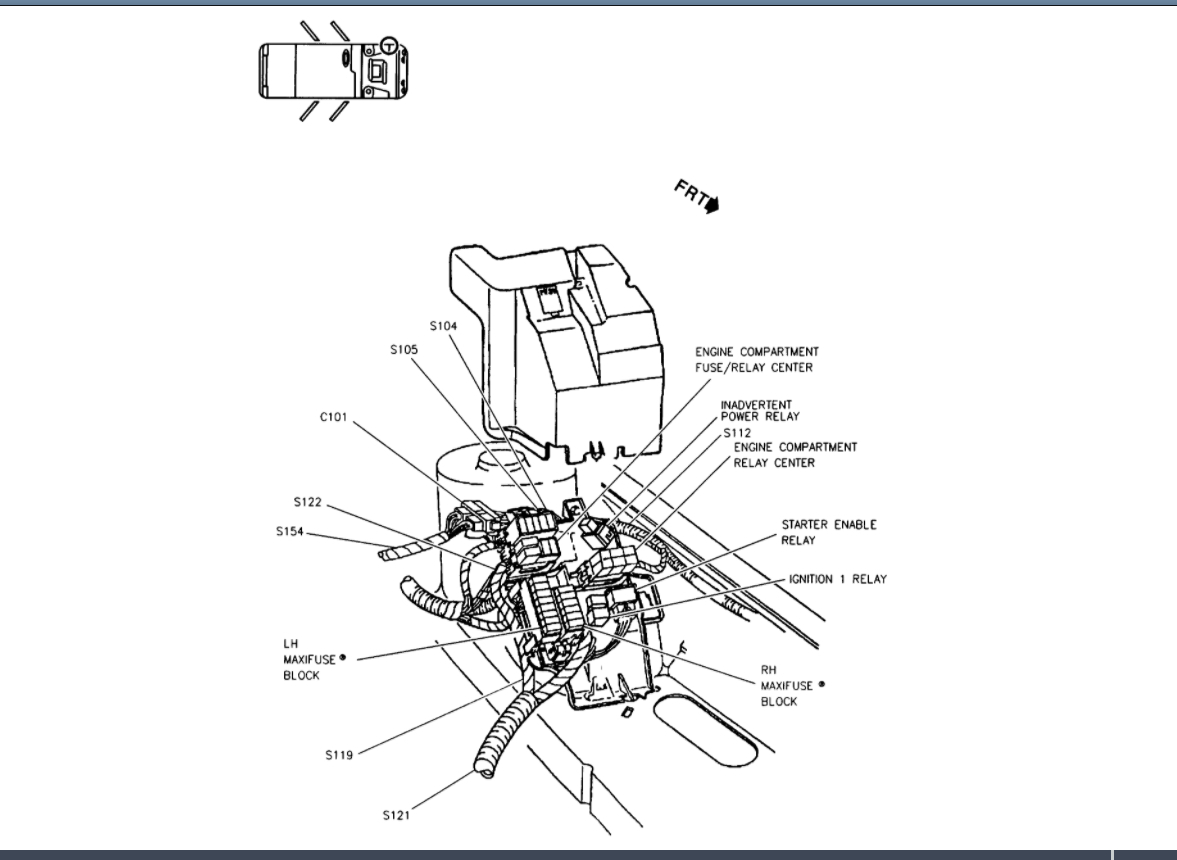
Where is the fuse for the blower motor located on the car listed above De Elegance model with the digital dash?
Jan 24, 2020 at 11:01 AM
Advertisement
Avatar
SCGRANTURISMO
  • CERTIFIED EXPERT
  • 4,897 POSTS
Hello,

I have included the information that you have requested in the diagrams down below. I hope that this helps and please report back here with how everything turns out.

Thanks,
Alex
2CarPros
Jan 24, 2020 at 7:51 PM