Hi, the brake lines on my vehicle listed above se station wagon. Driven mileages, driving three times a year to Canada and back to NJ, all highway mileage, the timing belt at these miles, just got change, still running the original water-pump, and with no noise coming from the engine when running.
This car as an ABS braking system, which was operation before both line broke.
That said, the two lines running to the rear wheels rotten and i replaced then, resulting in having soft peddle now, when the car is running and hard when engine is off, there are no leaks from all lines at the 4 wheels, no leak in the rear wheel cylinders, nothing at the two front calipers and nothing at the the abs modular and at the master cylinder.
I did bleed all wheel brake cylinders and calipers more than once, and got a nice strong squirt from all, while watching my master cylinder reservoir from going too low as i tapping up with brake fluid as i went along.
After all this (bleeding) there is still a soft pedal, with engine on, and hard when the engine is off.
I went and examine the ABS hydraulic modular, remove the connector going to the motor, tested it for voltage found none! Here i am just curious as i am thinking that when i press on the brake peddle i should be getting some type of sound, if the ABS system is being engage.
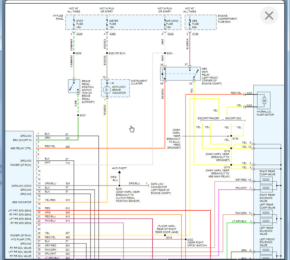
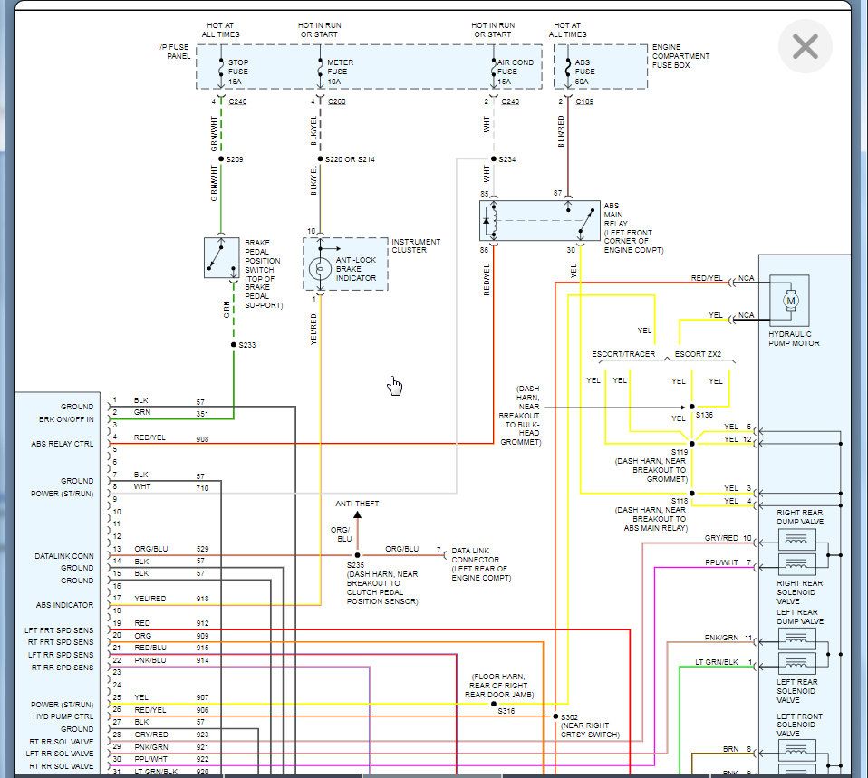
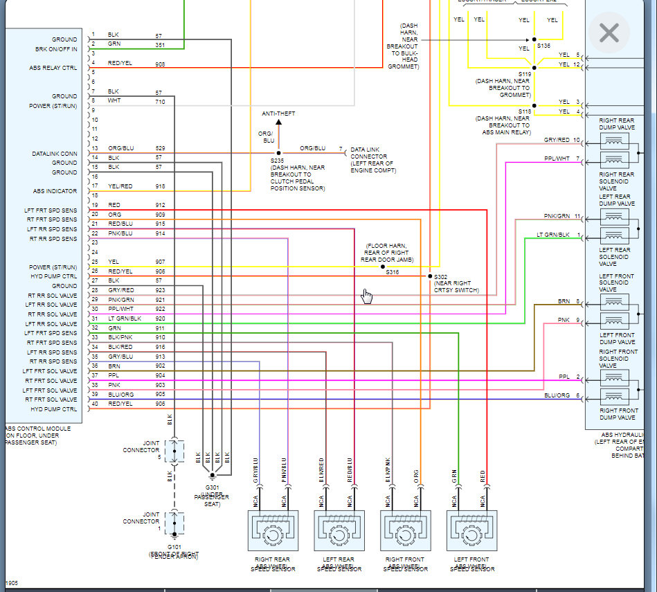
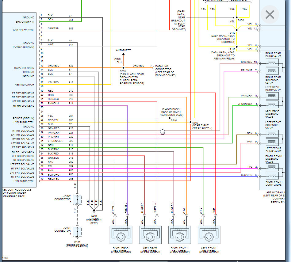
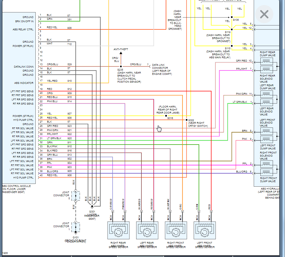
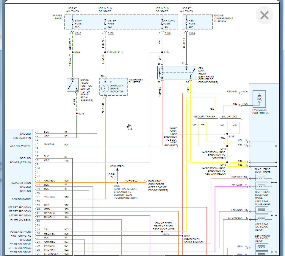
Question can i get some help? And can i get the electrical diagram for the ABS circuit? And where is the ABS control module located on these cars?
Thank you in advance.
This car as an ABS braking system, which was operation before both line broke.
That said, the two lines running to the rear wheels rotten and i replaced then, resulting in having soft peddle now, when the car is running and hard when engine is off, there are no leaks from all lines at the 4 wheels, no leak in the rear wheel cylinders, nothing at the two front calipers and nothing at the the abs modular and at the master cylinder.
I did bleed all wheel brake cylinders and calipers more than once, and got a nice strong squirt from all, while watching my master cylinder reservoir from going too low as i tapping up with brake fluid as i went along.
After all this (bleeding) there is still a soft pedal, with engine on, and hard when the engine is off.
I went and examine the ABS hydraulic modular, remove the connector going to the motor, tested it for voltage found none! Here i am just curious as i am thinking that when i press on the brake peddle i should be getting some type of sound, if the ABS system is being engage.
Question can i get some help? And can i get the electrical diagram for the ABS circuit? And where is the ABS control module located on these cars?
Thank you in advance.
May 17, 2021 at 12:24 PM




