When started the rear lights remain on?

1997 CHEVROLET S-10
150,000 MILES • 4.3L • 6 CYL • 4WD • AUTOMATIC
Avatar
BOB%
  • MEMBER
  • 70 POSTS
I replaced the brake light switch which attaches to the brake pedal because the rear lights stay on when the engine is started. However, even though I replaced the switch, it didn't solve the problem. Can one of you Pros help me solve the problem? Take care, Bob.
Mar 11, 2025 at 12:02 PM
Advertisement
Avatar
STRAILER
  • CERTIFIED EXPERT
  • 53,855 POSTS
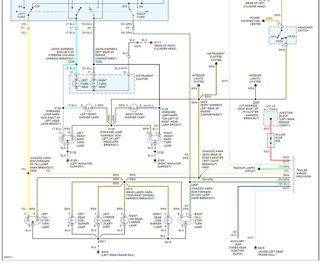
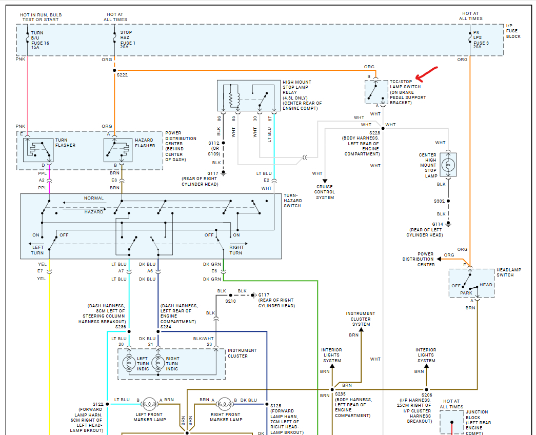
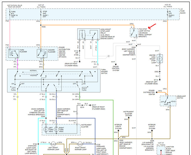
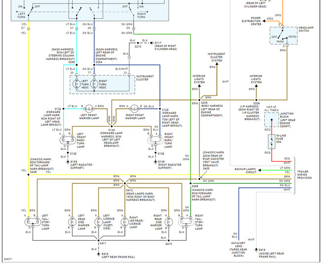
So to be clear the brake lights are staying on, correct? do they go off is the stop light switch is disconnected? Also are all three bake lights on? Here are the brake light wiring diagrams so you can see how the system works. Check out the images (below).
Mar 12, 2025 at 10:59 AM
Avatar
BOB%
  • MEMBER
  • 70 POSTS
Ken,thank you for the schematics. I'll experiment with all the possibilities and let you know if I found the solution. Thank you
Mar 12, 2025 at 3:16 PM
Advertisement
Avatar
STRAILER
  • CERTIFIED EXPERT
  • 53,855 POSTS
You are welcome, happy wrenching!
Mar 13, 2025 at 8:36 AM