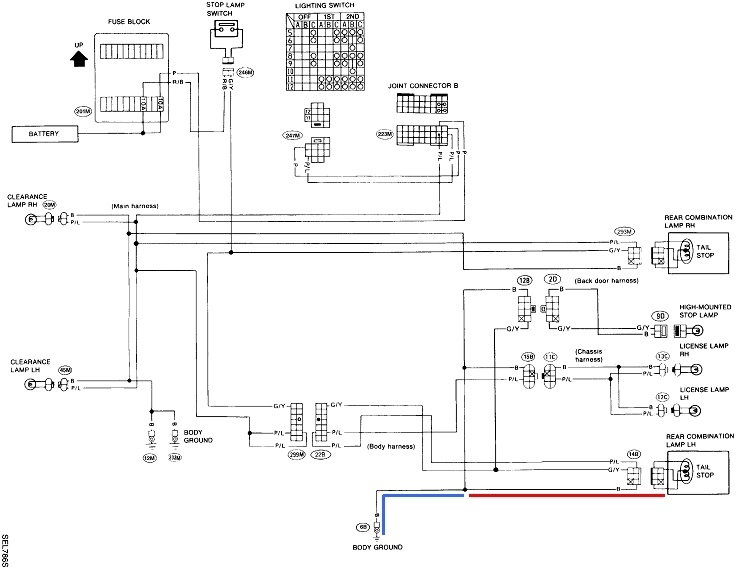
This isn't a bulb problem. When a light operation differs from headlights on to off, it is the classic symptom of a bad ground circuit for the affected bulb. In your vehicle, that ground circuit is shared with the license lamps and the center-high-mount brake light. You observed the center brake light is working properly. That leaves just the part of the ground circuit that is only for the left lamp as the suspect area. That is shown by the red line in the diagram. If you were to find the license lamps and the center brake light also did not work properly, that would point to the part of the circuit with the blue line.
Start by looking at the socket for the affected bulb. Some of them have a plugged-in ground terminal that can corrode. The best fix for that is a new socket. The next suspect is the black ground wire itself, including the splice, which can be susceptible to corrosion.
The additional clue to a bad ground is you will see the left bulb doesn't light up as bright as the right one. Also, if a helper applies the brakes, and you unplug the right rear bulb, the left one will go out. That's because with the bad ground for the left bulb, current looks for an alternate path to ground. It finds that by doubling back through the left rear tail light filament in the same bulb, then over to the tail light on the right side, through it, then to ground over there. Use a rag if you unplug the right bulb as it will get hot very quickly.
Oct 14, 2020 at 5:03 PM