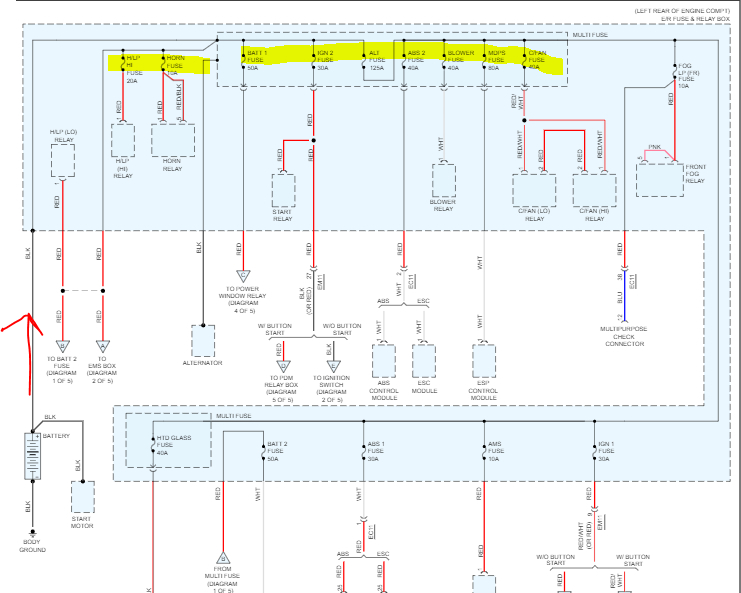
Car was driving perfectly fine. I went to eat and when I came out there was no power at all. Used a jump box, and another car to try to jump start it and nothing. My jump box reads the batter is fully charged at 12.8v. When I replaced the battery a year ago, I had my alternator tested and it was fine. I checked the little fuses, but I do not know how to check the large box fuses or what else could be the cause? how to check it?
Apr 19, 2023 at 5:52 AM
