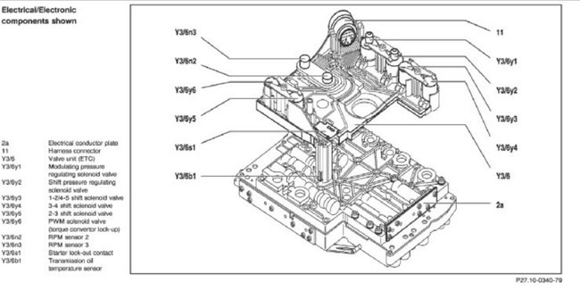
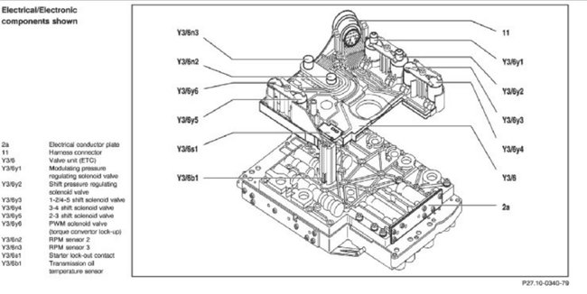
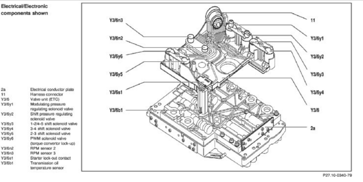
It looks like it is inside the transmission on the valve body, here is a guide that will give you an idea of what you must do to get at the sensor.
https://www.2carpros.com/articles/how-to-service-an-automatic-transmission
Here are some diagrams of its location in your car, (below)
They call it an RPM sensor.
Please let us know what you find.
Cheers, Ken
Images (Click to enlarge)
Sep 16, 2017 at 7:22 PM