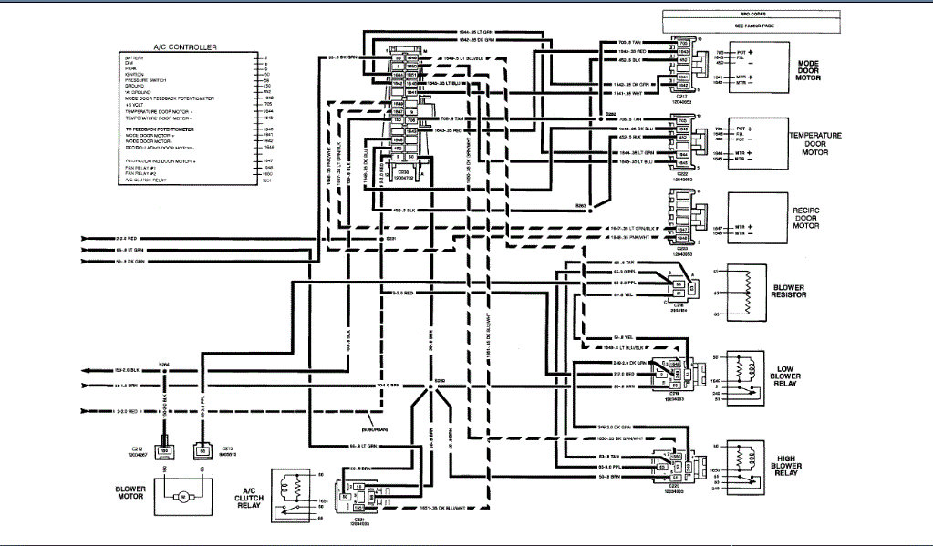
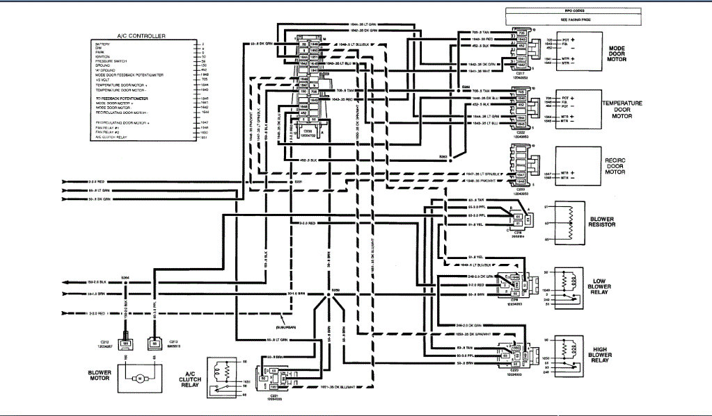
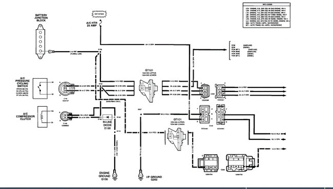
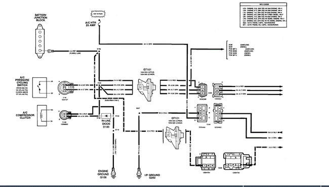
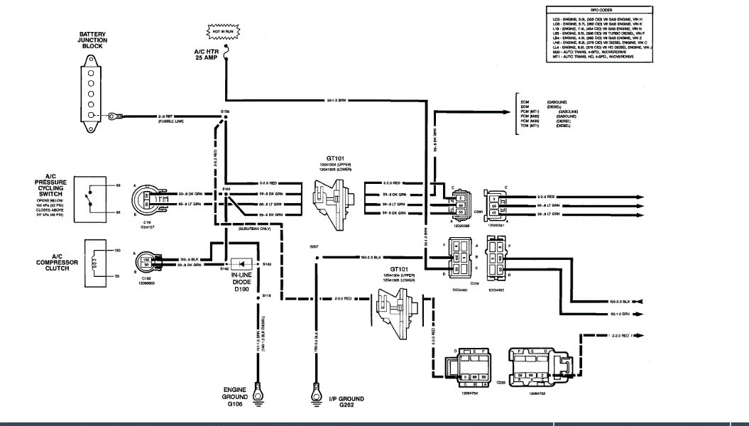
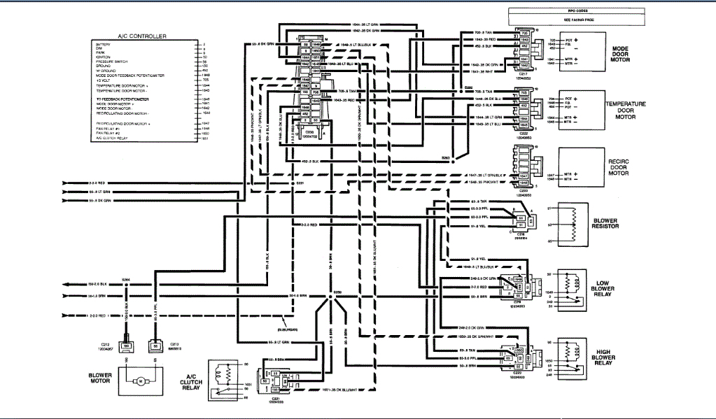
Truck listed above is a Cheyenne. with key off i can hit a button on the heater and fan comes on. something is draining the battery so someone put a disconnect at the battery. when you throw the switch the blower fan comes on. you can pull the fuse by drivers left knee and the fan speed gets higher. i have looked under the dash and no bad wires that i can see. i jumpered the A/C compressor and it wont come on.
Jul 18, 2020 at 10:01 PM




