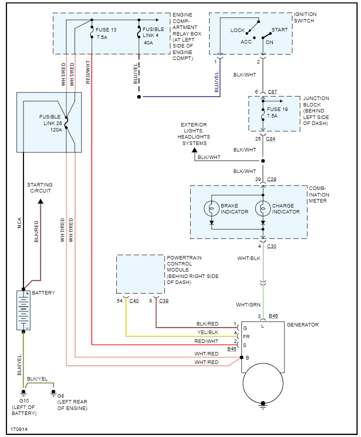
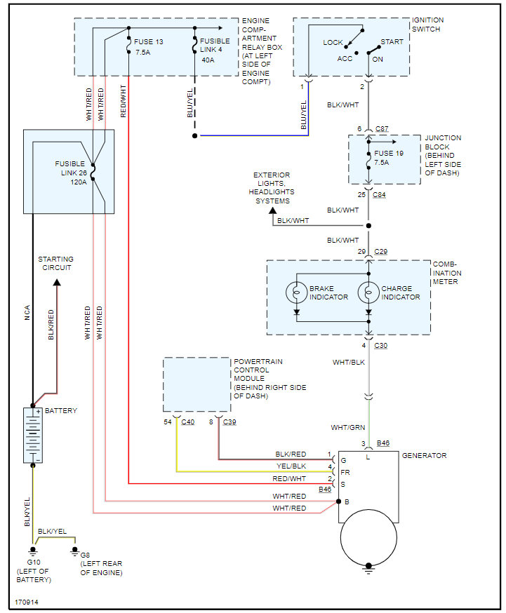
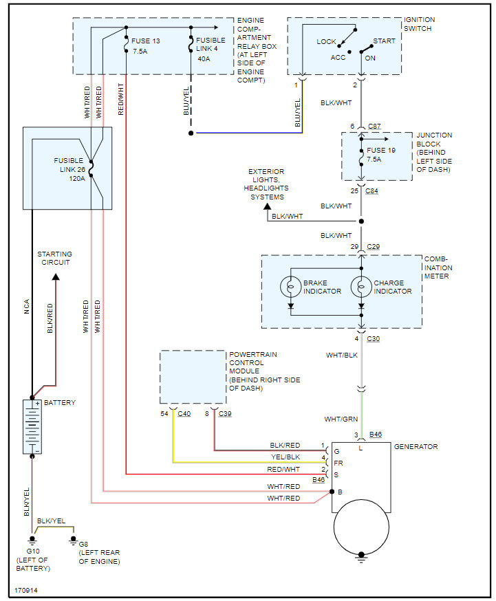
The car listed above had no power one morning after a couple of weeks with a new battery. After some tests I figured it was the alternator due to low voltage under load. I replaced the alternator (with remanufactured one because tight budget), but the voltage was still low. These are the numbers I got. No load, battery was about 14.5 v. But with A/C full blast. High beams on. Door open (so interior light was on). And the radio. The battery voltage was at 13.00 v after about 5-10 minutes when I finished the tests it was at 12.52 v. With the negative probe of the multimeter on the battery and the positive on the engine block it was 0.00. Positive on alternator 0.00. Positive on chassis ground 0.15. All taken with about 1,500 RPMs. So is the chassis ground the issue? Why did the battery drain? Why did the battery drop from 13 to 12.5 in a few minutes? Please and thank you.
P.S. I took the old alternator to AutoZone and it was bad either way.
P.S. I took the old alternator to AutoZone and it was bad either way.
Sep 4, 2021 at 10:41 AM
