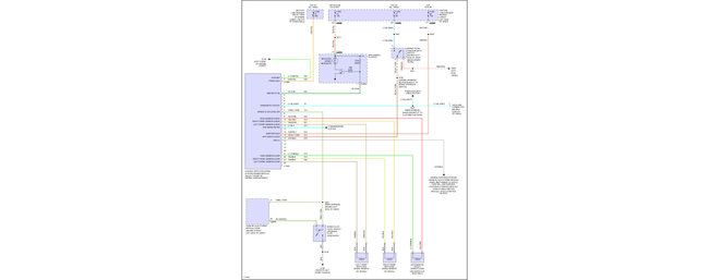
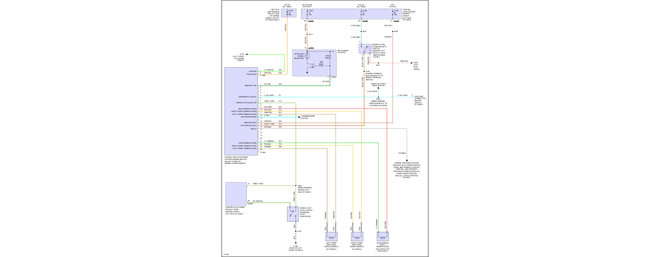
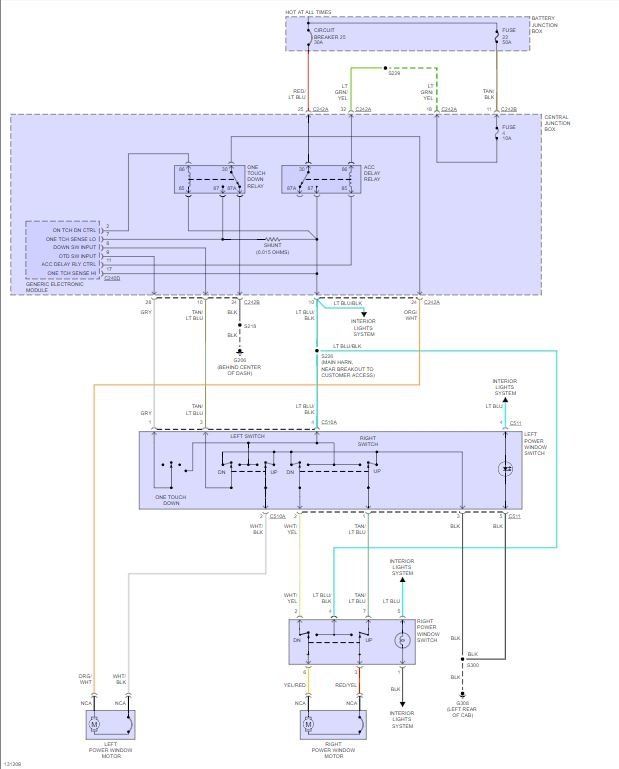
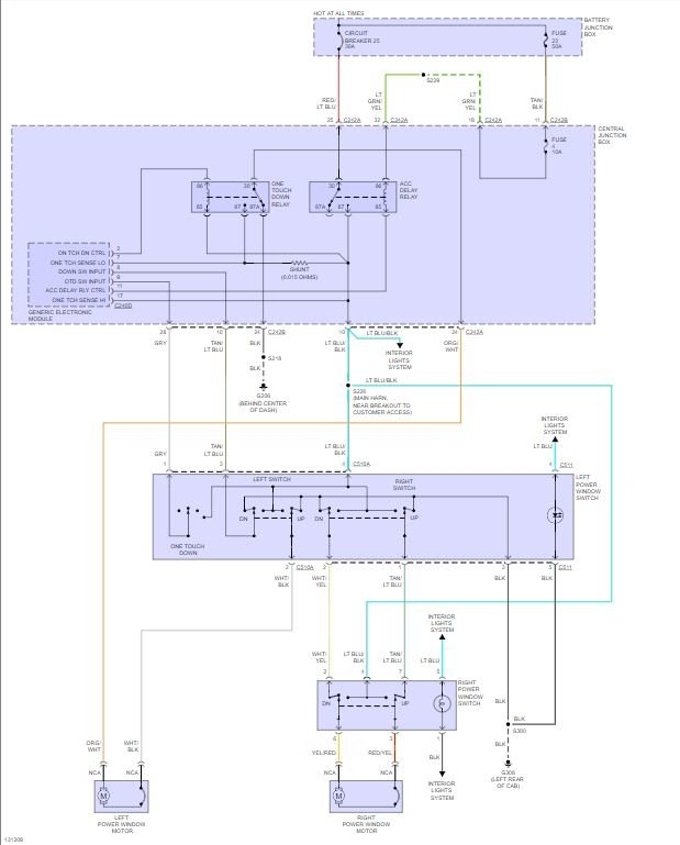
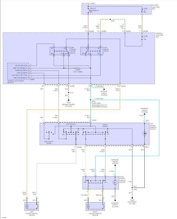
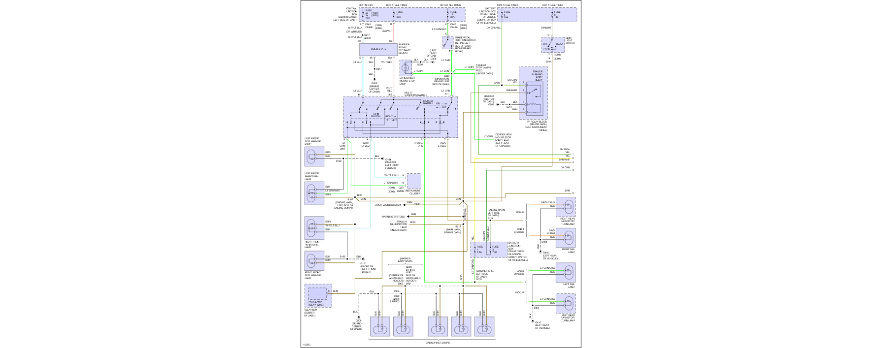
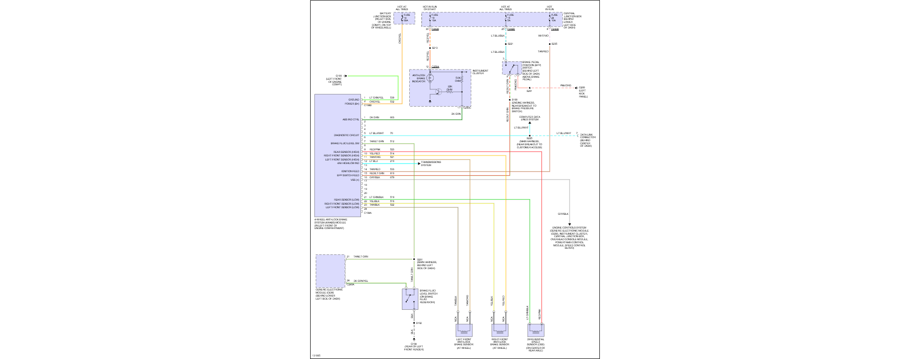
What is twelve volt current flow on the brake switch? I have hot on terminal number five always Terminal number four. Terminals one, two and three I need what they are and where they feed to or from?
Feb 2, 2018 at 4:58 PM




