What headlights do I have

2015 GMC SIERRA
283,000 MILES • 6.6L • V8 • TURBO • 4WD • AUTOMATIC
Avatar
BEERBARON13
  • MEMBER
  • 1 POST
I have the truck listed above Denali 3500hd Duramax. When I bought the pickup someone had already put emergency flashers in it. They removed the stock turn signal bulbs and harness to install the LED flashers(cannon 1000's). The LED turn signals only work if the parking lights or headlights are on. The turn signals are always hyper flashing. I was wanting to either replace my headlights or rebuild the harness and take it back to stock or install a good after market unit. The headlight harness has 7 pins used and 1 not used. The headlight has LED DRL and looks to be projection. I am also trying to locate the turn/flasher relay. Thinking maybe I could replace it with an LED relay to eliminate the hyper flash until I get the headlights fixed/replaced. Does anyone know what kind of headlights I have? Apparently there were three different styles in 15'; halogen, HID and LED? Where is the turn/flasher relay located and do they make a LED friendly replacement?
Jun 3, 2020 at 6:39 AM
Advertisement
Avatar
JACOBANDNICKOLAS
  • CERTIFIED EXPERT
  • 110,175 POSTS
Hi,

This is a tough one because I have no idea what was installed or how it was done. As far as the hyper flash, it's because of the low voltage used on the LED lights. The system thinks a bulb is bad.

What I can tell you is there is no traditional flasher on this vehicle. The signal flasher is controlled by the body control module. The BCM responds to the turn signal switch input by applying a pulsating voltage to the front and rear turn signal lamps through there respective control circuits.

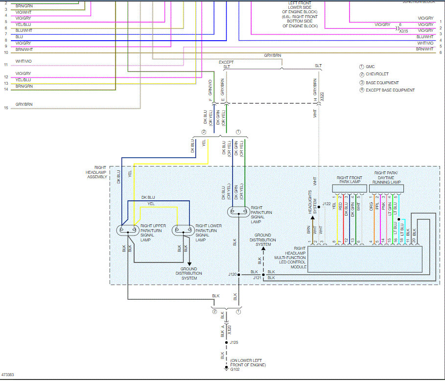
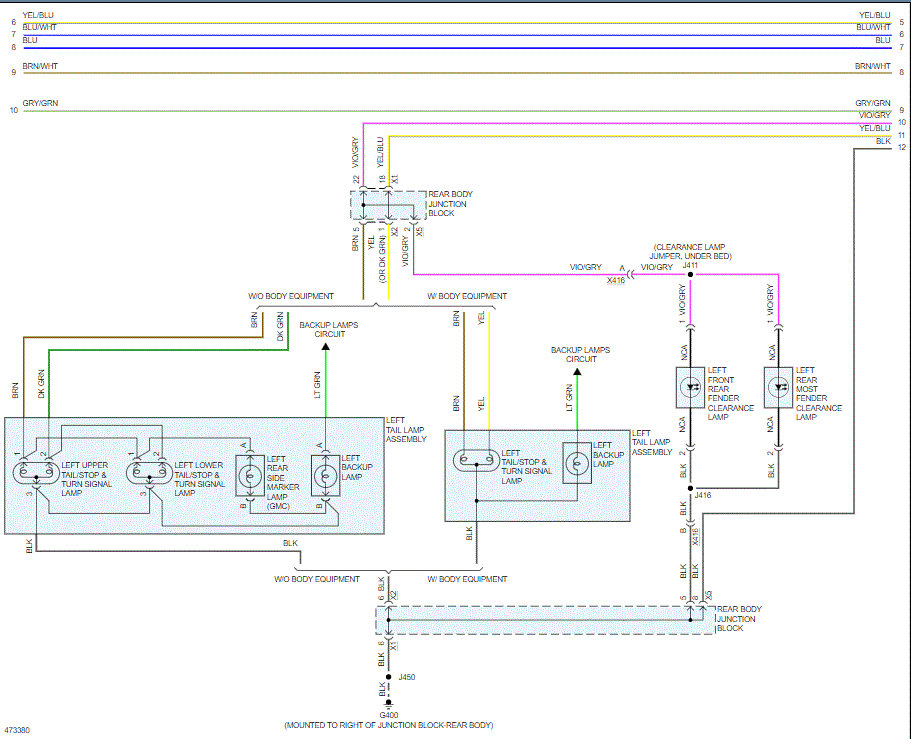
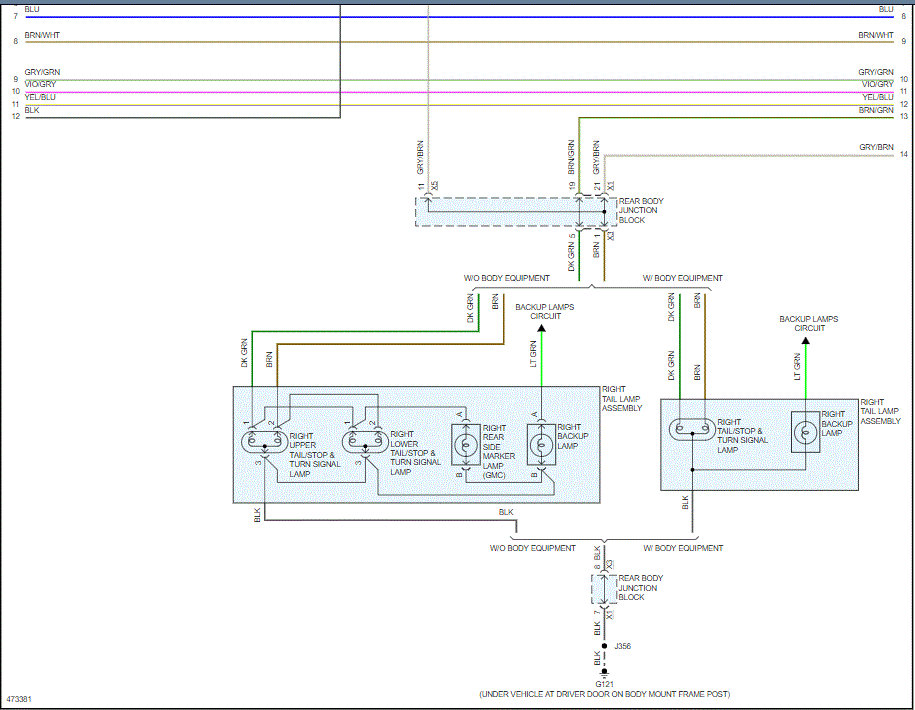
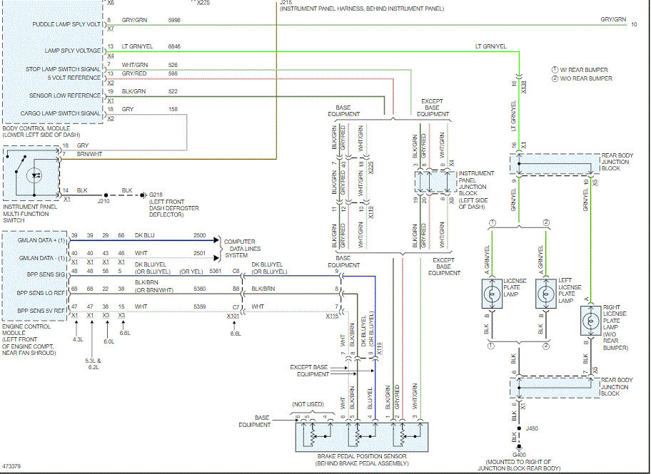
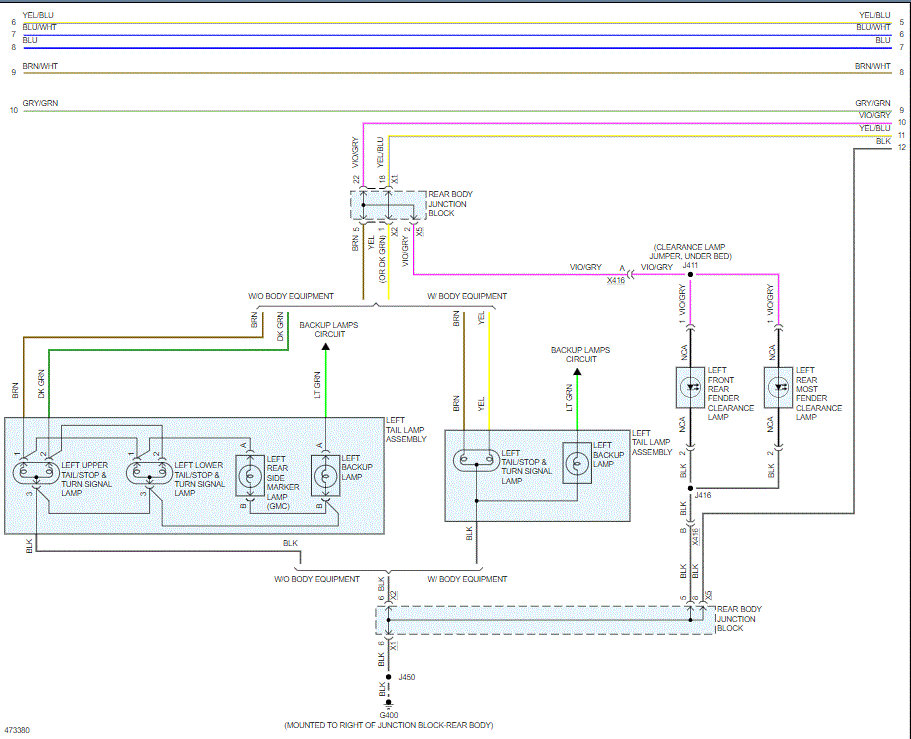
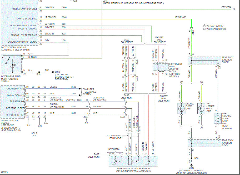
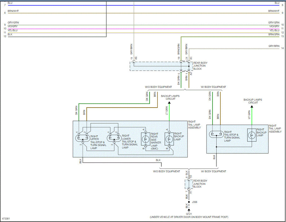
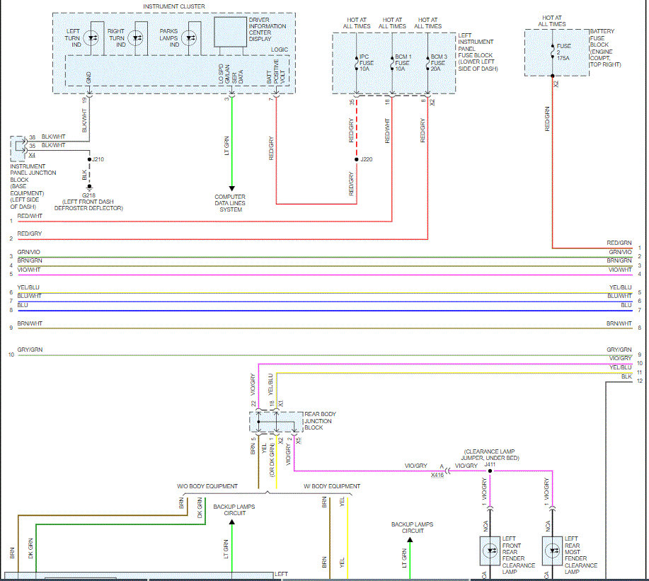
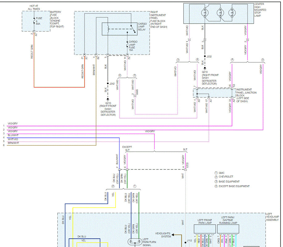
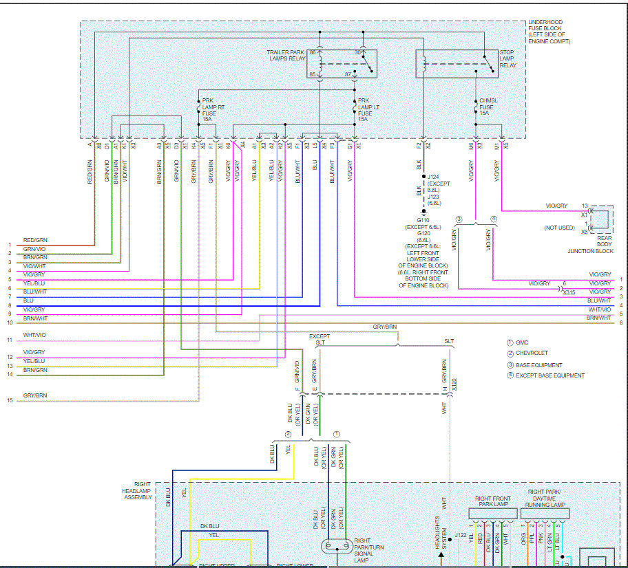
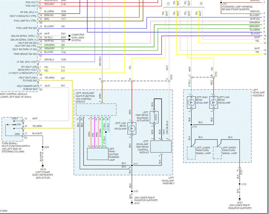
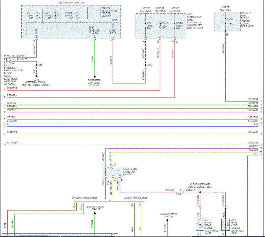
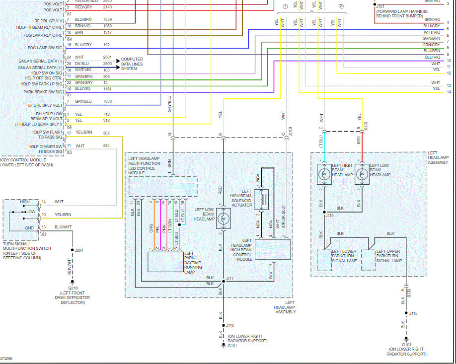
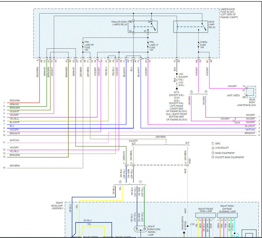
The best thing to do is put things back to the way they were from the factory. I don't want to overwhelm you, but the exterior lighting (minus the headlamps) is six pages long. I will cut each page in half to make them readable for you and overlap them to help you follow them.

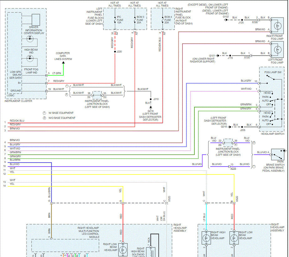
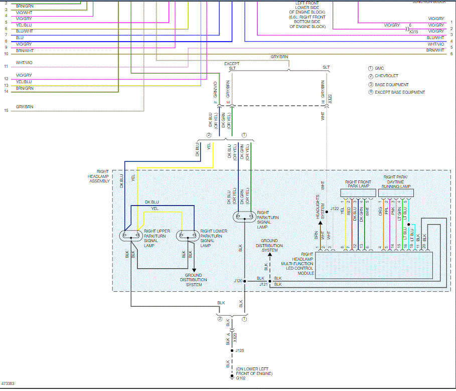
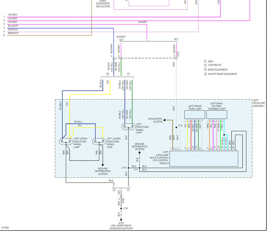
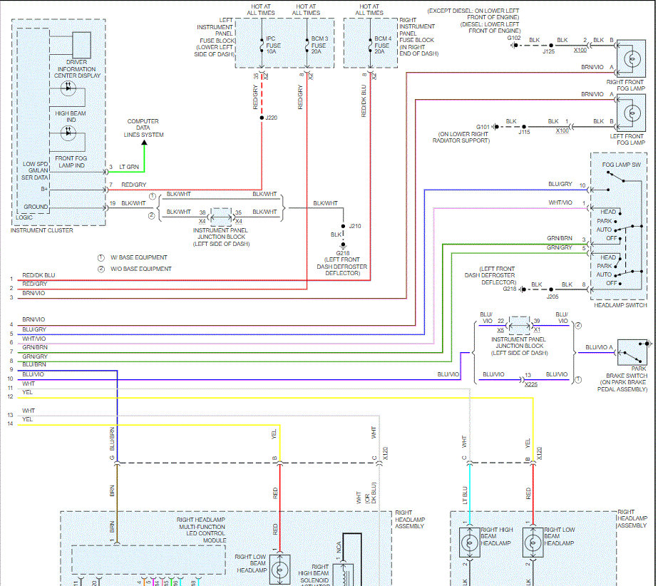
The last 4 pics are from the headlamp wiring schematics.

I hope this helps. If you have other questions, let me know.

Joe

Jun 3, 2020 at 7:50 PM