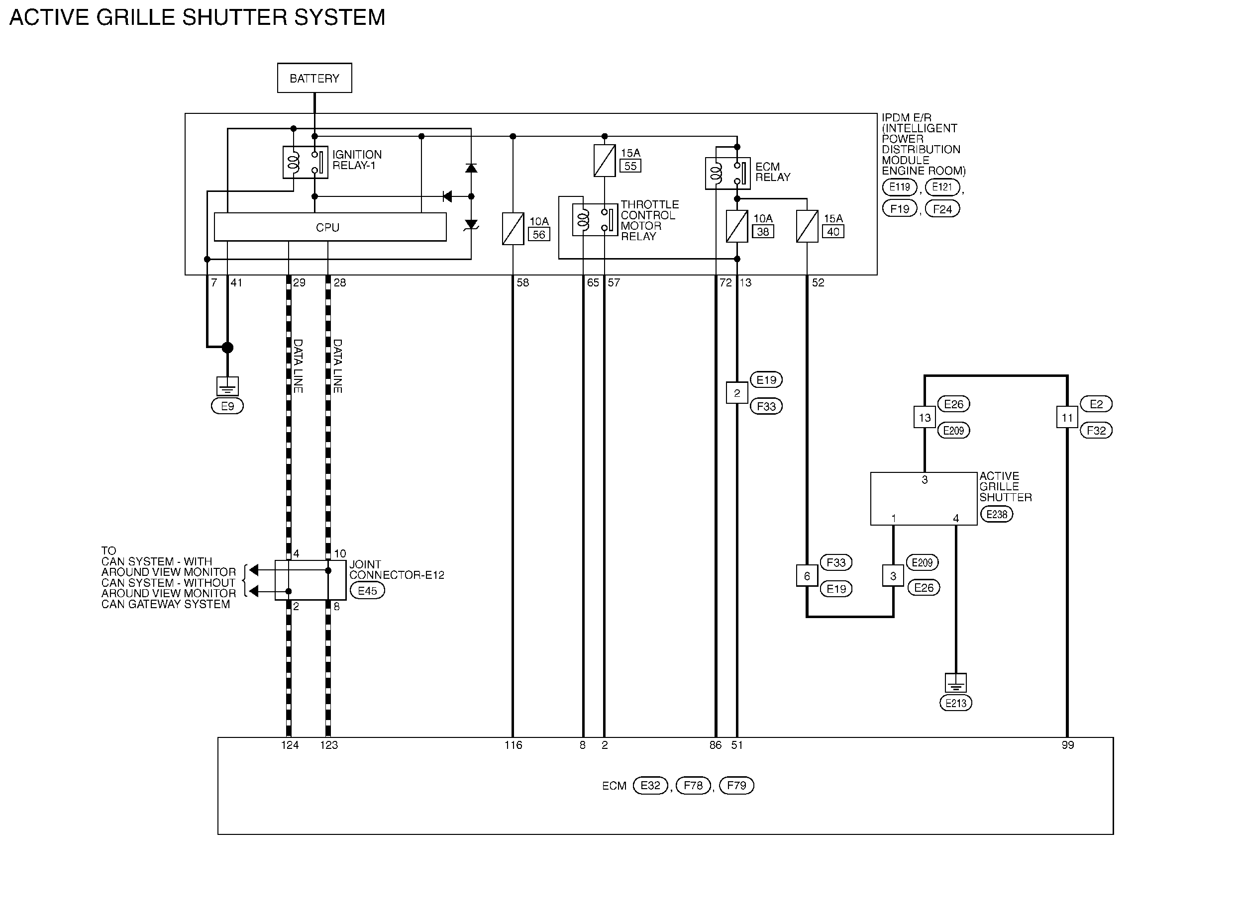
code P059F indicates that the active grille air shutter "A" had a performance problem or was stuck OFF for a predetermined period of time. The shutter does not move to the touch and no damage to the shutter. I'm guessing the fuse had an overload.
Oct 15, 2025 at 6:50 AM










