What fuse and location for rear turning signal?

2013 BUICK REGAL
196,664 MILES • TURBO • AUTOMATIC
Avatar
CINDY CARPENTER
  • MEMBER
  • 1 POST
My turning signal is out?
Oct 26, 2024 at 8:02 AM
Advertisement
Avatar
STRAILER
  • CERTIFIED EXPERT
  • 53,854 POSTS
Sure it is fuse #2 in the fuse panel on the left lower side of the dash which I have included the location for in the images below.

https://www.2carpros.com/articles/how-to-check-a-car-fuse

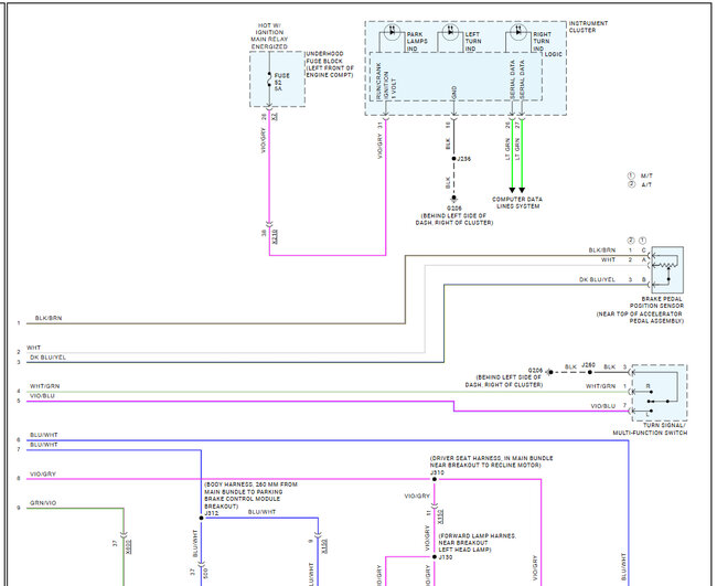
Here are the turn signal wiring diagrams so you can see that the BCM handles the lighting distribution for the car which might be bad. Can I ask if any of the turn signals are working or lighting up at all? Please test the fuse with the ignition system on. Check out the images (below). Let us know what you find.

Oct 27, 2024 at 1:03 PM
Avatar
STRAILER
  • CERTIFIED EXPERT
  • 53,854 POSTS
Sure it is fuse #2 in the fuse panel on the left lower side of the dash which I have included the location for in the images below.

https://www.2carpros.com/articles/how-to-check-a-car-fuse

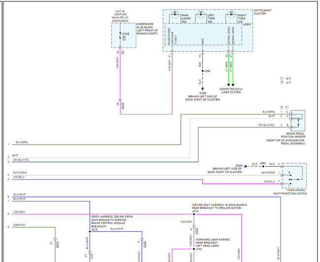
Here is the turn signal wiring daigrams so you can see that the BCM handles the lighting distribution for the car which might be bad. Can I ask if any of the turn signals are working or lighting up at all? Please test the fuse with the ignition system on. Check out the images (below). Let us know what you find.





Oct 27, 2024 at 1:04 PM
Advertisement