Hi,
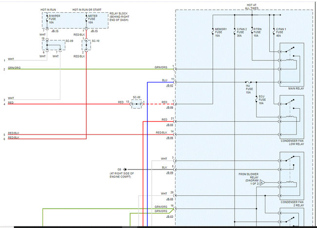
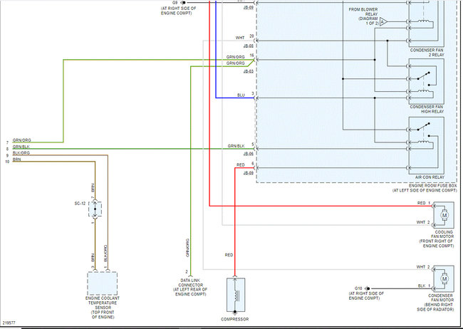
There are several fuses related to the system and there is a triple pressure switch which is located at the top of the receiver dryer. Additionally, there are relays to consider.
I'm not sure what is happening to the vehicle, so I can't suggest what to check. If it isn't working in general, take a look through this link and see if it helps:
https://www.2carpros.com/articles/car-air-conditioner-not-working-or-is-weak
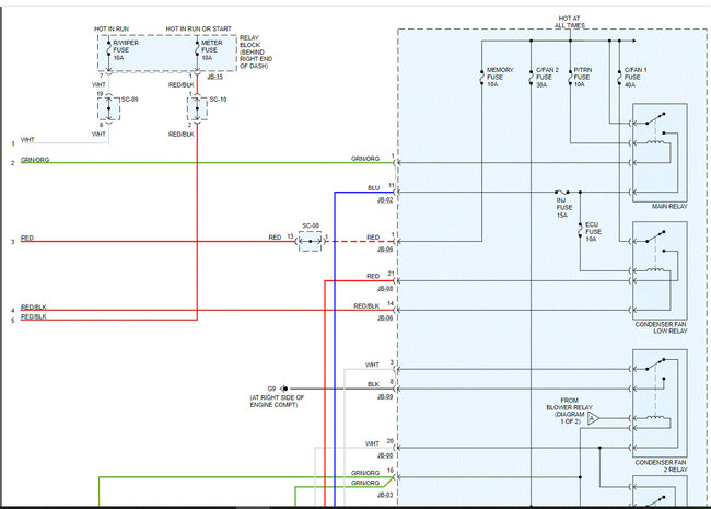
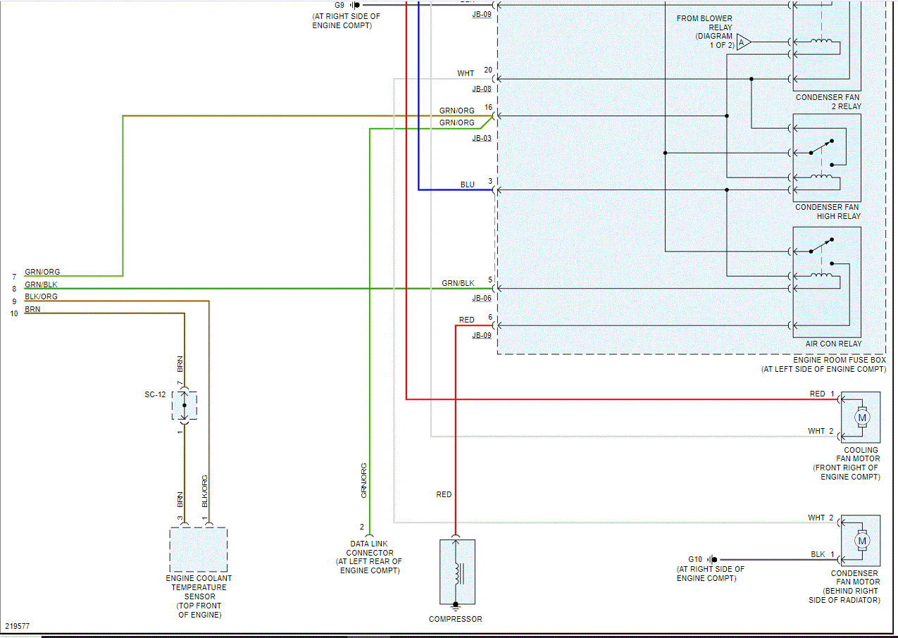
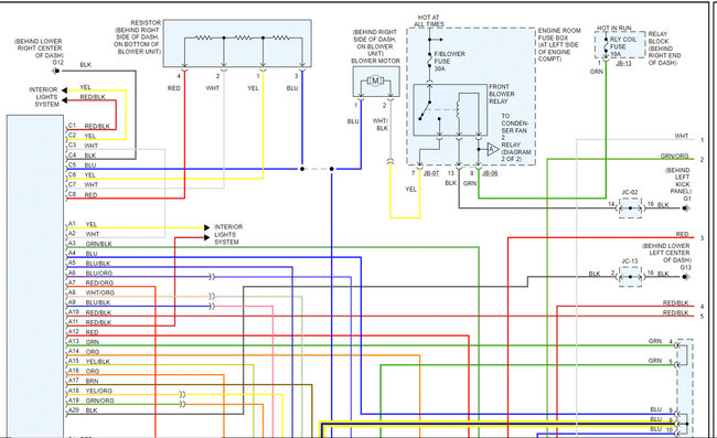
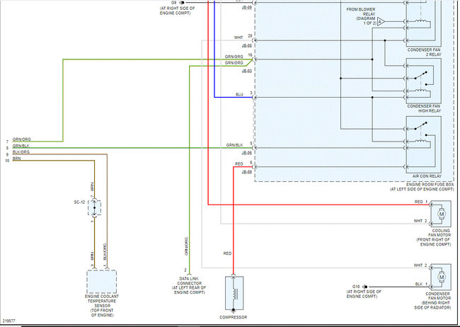
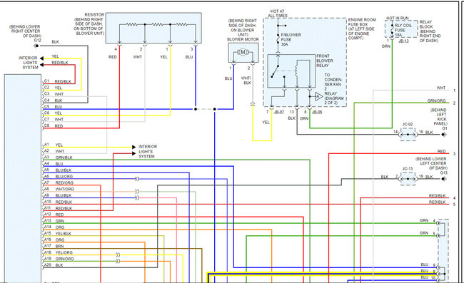
Also, I attached the entire wiring schematic below for the manual AC system. If you have automatic temperature control, let me know and I'll get you those schematics.
Here is a link you may find helpful if you need to check the wiring:
https://www.2carpros.com/articles/how-to-check-wiring
Let me know if this helps.
Take care,
Joe
Images (Click to enlarge)
Jun 24, 2021 at 9:26 PM