Fuel pump switch location

2000 HONDA HRV
120,000 MILES • 1.6L • 4 CYL • 4WD • MANUAL
Avatar
LOWRY
  • MEMBER
  • 3 POSTS
Crashed, engine will not start. Fuel pump is not making any sound. If it does not have switch then were should i start?
Dec 18, 2018 at 12:57 PM
Advertisement
Avatar
STEVE W.
  • CERTIFIED EXPERT
  • 15,113 POSTS
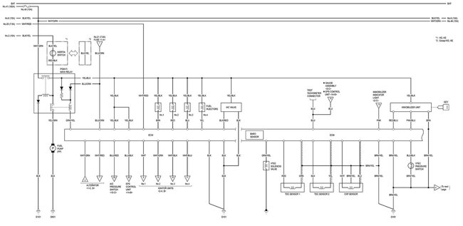
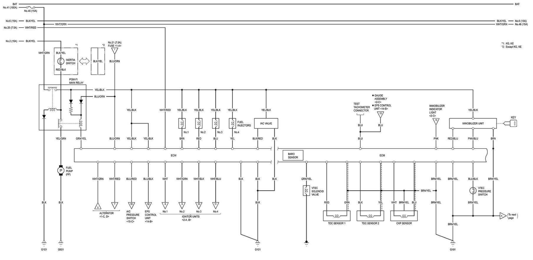
Looking at the wiring it shows an inertia switch for the fuel pump. The actual location is sort of vague but it looks like it is behind the center of the dash.
Dec 19, 2018 at 3:23 PM
Avatar
LOWRY
  • MEMBER
  • 3 POSTS
Problem solved! Thanks.
Dec 19, 2018 at 3:37 PM
Advertisement
Avatar
STEVE W.
  • CERTIFIED EXPERT
  • 15,113 POSTS
Was it the switch or?
Dec 19, 2018 at 5:09 PM
Avatar
LOWRY
  • MEMBER
  • 3 POSTS
Open glove box or just take it away. And behind console there is bigger black button. Clicks in and pump works.
Dec 20, 2018 at 3:31 AM
Avatar
STEVE W.
  • CERTIFIED EXPERT
  • 15,113 POSTS
Thanks for the reply. The book is sort of vague on the location.
Dec 20, 2018 at 11:11 AM