Weird power window issue?

2013 GMC ACADIA
145,000 MILES • 3.6L • 6 CYL • 4WD • AUTOMATIC
Avatar
XNITRO67
  • MEMBER
  • 1 POST
I'm trying to figure out my mother's vehicle's power windows as it's an odd one. The driver window works fine but controlling the passenger only down works but the passenger itself is fine. controlling rear passenger from driver works fine but can't control rear driver from driver as well as rear driver itself doesn't work. The odd part is that my scan tool doesn't work on any windows but i can lock/unlock and control everything else. i have checked the fuse/relay its fine but haven't takin anything apart yet.
Aug 28, 2024 at 8:30 PM
Advertisement
Avatar
STRAILER
  • CERTIFIED EXPERT
  • 53,854 POSTS
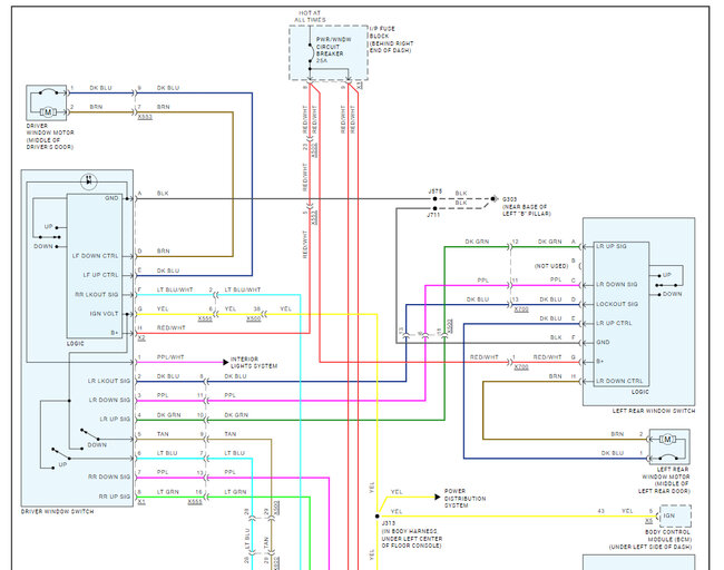
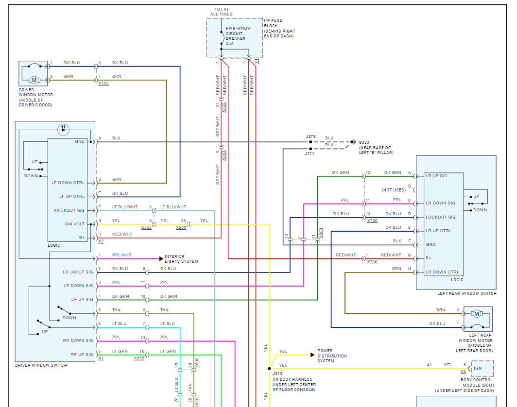
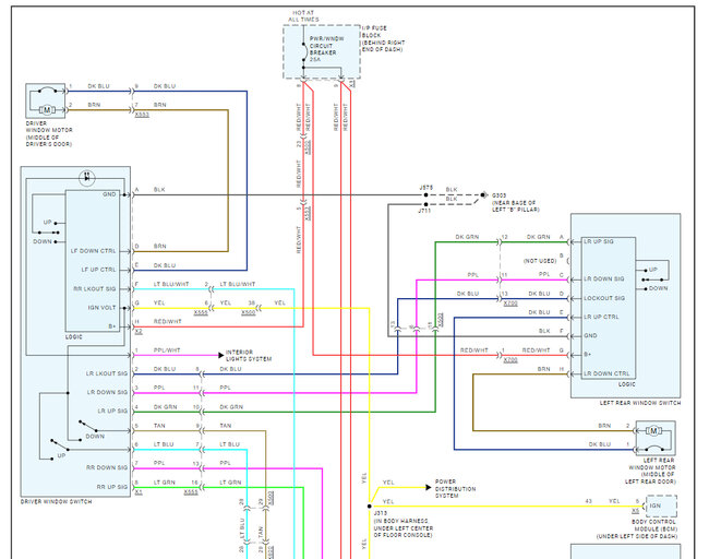
It sounds like the logic module inside the main window switch has gone bad. here are the window wiring diagrams so you can see how the system works and how to change out the master window switch. Check out the images (below). Please upload pictures or videos in your response of any problems so we can see what to help you with.

Aug 29, 2024 at 11:14 AM