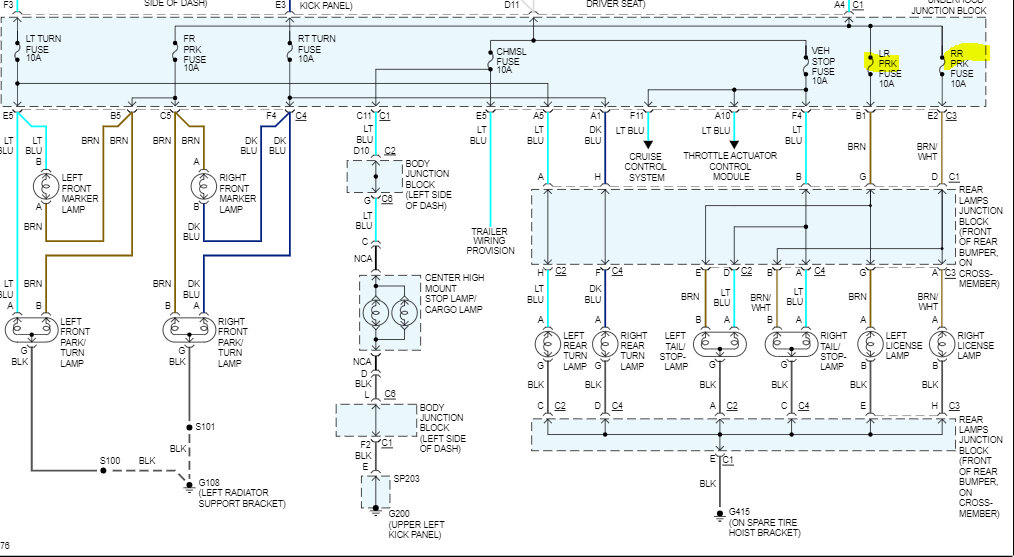
Blinkers don't work when the headlights are on acts like the hazards are enabled. With the headlights off blinkers work until the brakes are applied and causes the blinker and brake lights to flash. Also, when the headlights are on and i hit the brakes i see both blinker indicators illuminate.
•Replaced taillight circuit board.
•Cleaned most grounds.
•Removed and taped tailer connector at the end of the truck to rule that out.
•Also changed the taillight ground from the.
spare tire hoist to the frame of the truck.
•Replaced turn signal switch.
•Replaced flasher.
•Bulbs replaced and sockets are good.
•Brake light switch replaced.
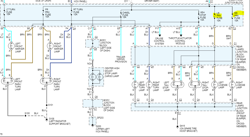
•Replaced taillight circuit board.
•Cleaned most grounds.
•Removed and taped tailer connector at the end of the truck to rule that out.
•Also changed the taillight ground from the.
spare tire hoist to the frame of the truck.
•Replaced turn signal switch.
•Replaced flasher.
•Bulbs replaced and sockets are good.
•Brake light switch replaced.
Aug 5, 2023 at 3:52 PM



