To test it fully you need a scan tool that can step it through the test while you watch the voltages. Without a scan tool you basically apply voltage and see if it moves. This is the OE process. Basically it's - Test it, if it isn't working, replace the turbo assembly. I'm expecting in the next couple of years to just see "Does the engine start? No- Replace engine module"
With CONSULT
Turn ignition switch ON.
On CONSULT screen, select “ENGINE”>>“Active Test”>>“WASTEGATE ACTUATOR”.
Select the following monitor items:
Wastegate ACTUATOR POSITION B1
Wastegate ACTUATOR POSITION B2
Wastegate ACTUATOR POSI SEN B1
Wastegate ACTUATOR POSI SEN B2
Perform the test.
Check that the relationship of the values displayed on the monitor items as the following.
Monitor item
ACTUATOR POSITION B1-B2 (m) SEN B1-B2 (V)
Position Value 0.0073 – 0.0087 3.61 – 4.11
Position Value 0.0033 – 0.0047 2.25 – 2.75
Is the inspection result normal?
YES >>
INSPECTION END
NO >>
Replace turbocharger assembly.
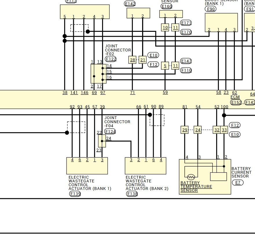
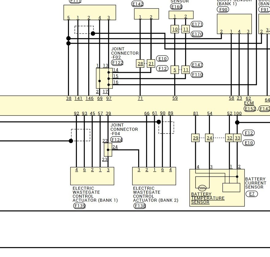
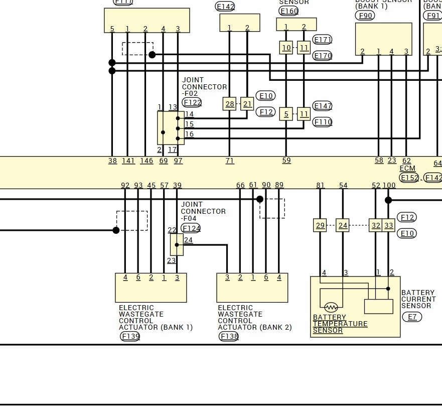
3. CHECK ELECTRIC WASTEGATE CONTROL ACTUATOR (BANK 1)
Without CONSULT
Turn ignition switch OFF.
Disconnect Wastegate control actuator harness connector.
While checking the POSITION SENSOR OUT voltage with an oscilloscope, apply a voltage of 12 V to the positive or negative terminal.
Does ACTUATOR SHAFT visually operate and POSITION SENSOR OUT voltage change?
YES >>
INSPECTION END
NO >>
Replace turbocharger assembly.
Apr 12, 2025 at 10:43 AM