washer pump

1996 NISSAN ALTIMA
150,000 MILES • 2.4L • 4 CYL • 2WD • AUTOMATIC
Avatar
JEFF HERMAN
  • MEMBER
  • 486 POSTS
The washer pump stopped working. Is there a separate fuse for the washer other than the one for the wipers? Wipers work fine? haven't checked for power at the pump yet. Weird that it stopped working after I filled the reservoir.

Also getting a EGR code 32 for air flow. Any ideas on that?

Thank you for your assistance.
Jun 4, 2019 at 3:30 PM
Advertisement
Avatar
KASEKENNY
  • CERTIFIED EXPERT
  • 18,907 POSTS
Hi Jeff,

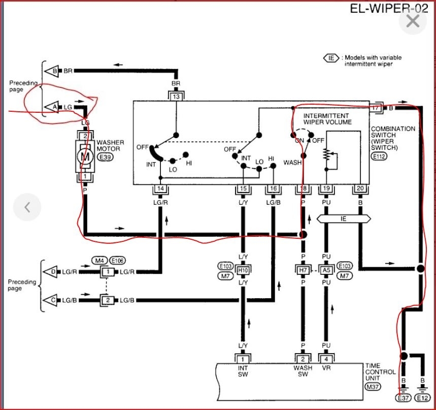
No this is the same fuse as the wipers. You are correct that you need to see if you have power at the pump when you are pressing the washer switch. If you have power, then the pump has failed. I attached the wiring diagram for the washer motor. However, it is just a two wire connector so it should be pretty straight forward.

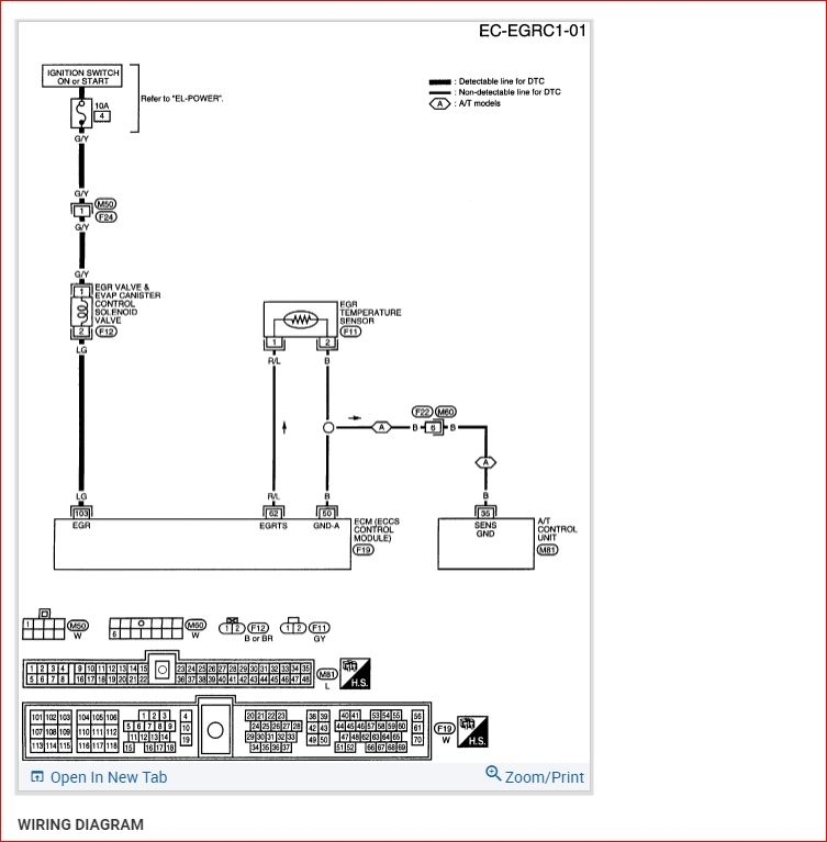
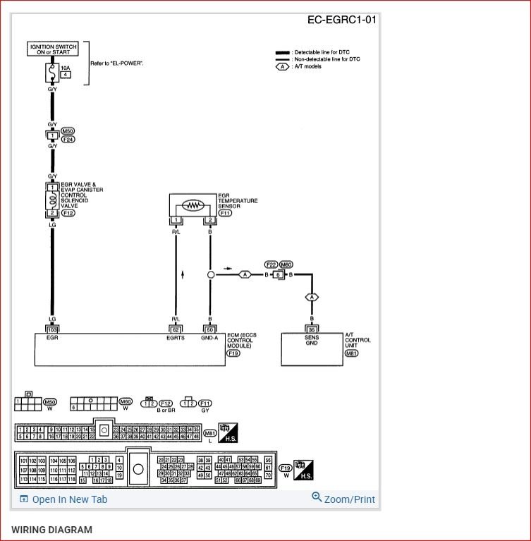
As for the EGR code. This is stating that the EGR is not operating (at least as expected).

I included the diagnostics for the EGR. It could be the valve, solenoid, connection, possibly wiring.

Let me know if you have issues and we can go from there.

https://www.2carpros.com/articles/how-to-check-wiring
Jun 4, 2019 at 4:03 PM
Avatar
JEFF HERMAN
  • MEMBER
  • 486 POSTS
Thank you for the quick response. There is no connector at the pump, it looks like the feed wires have been connected to the pump wires . I can't tell if they are soldered or not . The feed wires appear to come from a relay in a fuse box near the drivers headlight. Their colors are pink with gray bands and solid green.
Jun 4, 2019 at 4:09 PM
Advertisement
Avatar
KASEKENNY
  • CERTIFIED EXPERT
  • 18,907 POSTS
These older vehicles may not have connectors on the component like the newer vehicles. If you follow the light green wire, it will lead you to what is called a joint connector. Set up your meter to measure voltage at that connector and then turn the pump on.

If you look at the last two attachments from my last post you will see that the power comes from a fuse and then to this joint connector and then out to the washer motor (second page of diagram) then to the switch. This is a ground side control switch. Which means when you press the switch you are grounding the circuit and you will see power at that point. If you have power when you press the switch, then the motor is your issue.
Jun 4, 2019 at 7:45 PM
Avatar
JEFF HERMAN
  • MEMBER
  • 486 POSTS
Any idea where that joint connector might be ? The harness is wrapped and inside a corrugated plastic sheath.
Jun 5, 2019 at 2:10 PM
Avatar
JEFF HERMAN
  • MEMBER
  • 486 POSTS
As far as my EGR issue I found the hose connected to the bottom of the sensor collapsed. I replaced it with a piece of fuel line for now and sent you a photo.
Jun 5, 2019 at 3:52 PM
Avatar
KASEKENNY
  • CERTIFIED EXPERT
  • 18,907 POSTS
Okay. Great. That should work. The only concern is they crack after a little while and being soft rubber are susceptible to puncture or melting from high heat. However, it will work. Thanks for the update.
Jun 5, 2019 at 3:54 PM
Avatar
JEFF HERMAN
  • MEMBER
  • 486 POSTS
I forgot to say that the solenoid works when direct voltage is applied and when vacuum is applied to the EGR the car stalls. However there does not appear to be vacuum to the solenoid or the sensor or the EGR valve.
Jun 5, 2019 at 3:55 PM
Avatar
JEFF HERMAN
  • MEMBER
  • 486 POSTS
I'll keep an eye on it. When and where should I get vacuum to the solenoid, sensor and EGR valve? Do you have a link showing the vacuum routing for this vehicle to those components? Would that collapsed hose cause the flow problem for the EGR? Do I need to remove the valve and check for clogged passages?
Jun 5, 2019 at 5:18 PM
Avatar
KASEKENNY
  • CERTIFIED EXPERT
  • 18,907 POSTS
Here is a drawing of the lines. Yes. The collapsed hose will cause flow issues. I would get them all connected and test the vehicle. You may have a valve issue but let the vehicle tell you that.
Jun 5, 2019 at 5:49 PM
Avatar
JEFF HERMAN
  • MEMBER
  • 486 POSTS
No engine code for now. Back to my washer pump, I have constant voltage at the light green wire when the key is on. No voltage to the pink which is what I expect. Could the relay be stuck or shorted causing this constant voltage?
Jun 6, 2019 at 8:51 PM
Avatar
KASEKENNY
  • CERTIFIED EXPERT
  • 18,907 POSTS
If you look at the two wiring diagrams for this circuit, you will see there is only a fuse for the washer pump. The wipers have a relay but the washer does not. I traced the power flow in red. You should have an open circuit (0 volts) until the switch is closed. However, if you notice this is after the load so your pink wire should have minimal voltage on it even when the switch is closed because the wiper motor uses the voltage and all that is left is ground. Due to the switch being on the ground side, you are correct that you should not have constant voltage on the LG wire. The only why I see that happening is if the washer motor is shorted to ground, the switch is shorted (or stuck on), or the wire prior to the switch is shorted to ground.

I suspect this is what burned up the pump as well because even though you don't have the switch on, the pump has power so it should be running.

Here is the easiest way I know to test the ground wire and switch. Put your red volt meter lead on the Pink wire at the pump and then put the black lead on a known good ground (either the ground for the washer pump or the negative battery post) and then do not press the switch and see how many ohms you have. It should be open or no continuity. Then press the switch and close the circuit and you should then have a small amount of resistance, like less that 0.5 ohms. If this is what you have then your wiring and switch are good and it has good ground. This means it is your pump that is shorted.
Jun 7, 2019 at 6:19 PM
Avatar
JEFF HERMAN
  • MEMBER
  • 486 POSTS
Okay Kenny, thank you for your response that was helpful. I'll test the wiring. My car started stalling highway speed and would restart after it sat for ten to fifteen seconds. So I unhooked the holes I attached to the bottom of the BTK valve and it seems to run fine without it. I don't live where I need emissions so I'm not worried about that. Any ideas why that might have happened? There is no engine code registered. Thank you for all your assistance and I look forward to your response.
Jun 7, 2019 at 6:57 PM
Avatar
KASEKENNY
  • CERTIFIED EXPERT
  • 18,907 POSTS
I am not familiar with this. However, if you have a different issue, post the details on a new thread so that when others search for a similar issue they can find what we are discussing. If others have this stalling issue, they won't find it under the washer fluid title.

When you post it, define what BTK valve is for me. I am sure it is obvious but it is not registering with me. I will research the issue and post the findings on the new thread.

Thanks and please post your findings with the wiring to this post when you find them.
Jun 7, 2019 at 7:22 PM
Avatar
JEFF HERMAN
  • MEMBER
  • 486 POSTS
It was the BPT valve that I disconnected the hose from on the bottom. I'll post a new question or go back to my original post.
Jun 7, 2019 at 8:32 PM
Avatar
KASEKENNY
  • CERTIFIED EXPERT
  • 18,907 POSTS
Oh. That is the back pressure transducer. I attached a couple of documents that should help. If you need more information on this issue, start a new one. Otherwise, keep me posted on the washer fluid issue. thanks
Jun 8, 2019 at 8:24 AM
Avatar
JEFF HERMAN
  • MEMBER
  • 486 POSTS
I took the washer pump out and attached 12 volts to it and it does not run, however there is 12 volts at the light green wire whenever the ignition is on. I also check for resistance on the pink wire without the switch and it is an open circuit. I don't know about when the switch is activated yet whether it has low voltage then or not. i did read where one vehicle did have a hot lead to the pump motor anytime the key is on .I don't want to put a new pump in if it's going to get burnt out right away. Thanks for your help again.
Jun 8, 2019 at 3:59 PM
Avatar
KASEKENNY
  • CERTIFIED EXPERT
  • 18,907 POSTS
Okay. Constant power to the motor is okay as long as it doesn't have a path to ground the motor will not run. You confirmed this by testing your ground. The only unknown is the switch but just plugging the new motor in will test this. Even if the switch is stuck, it will not burn up the pump quickly because it will just be on when the key is on if the switch is stuck. So it's not like it is getting too much voltage to burn it up.

You did exactly what is needed to just go ahead and put the motor on and turn the key on. If the pump runs continuously, the switch is stuck. If it does not, then just test it with the switch and you should be good to go if the switch is operational.
Jun 9, 2019 at 7:52 AM