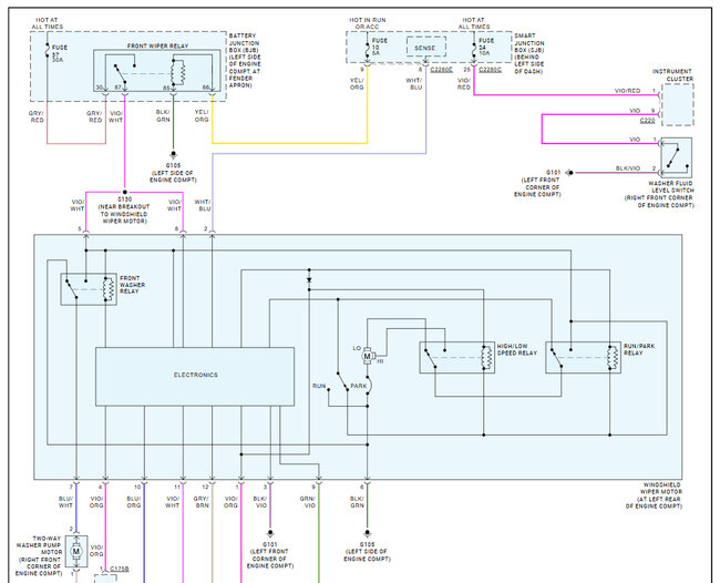
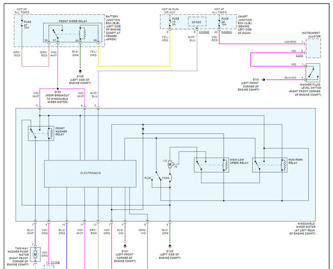
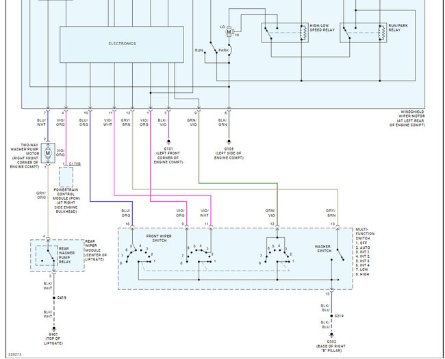
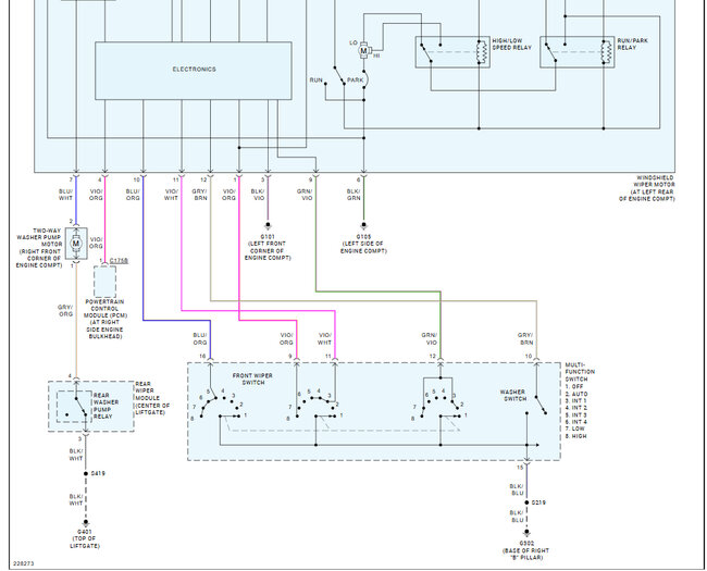
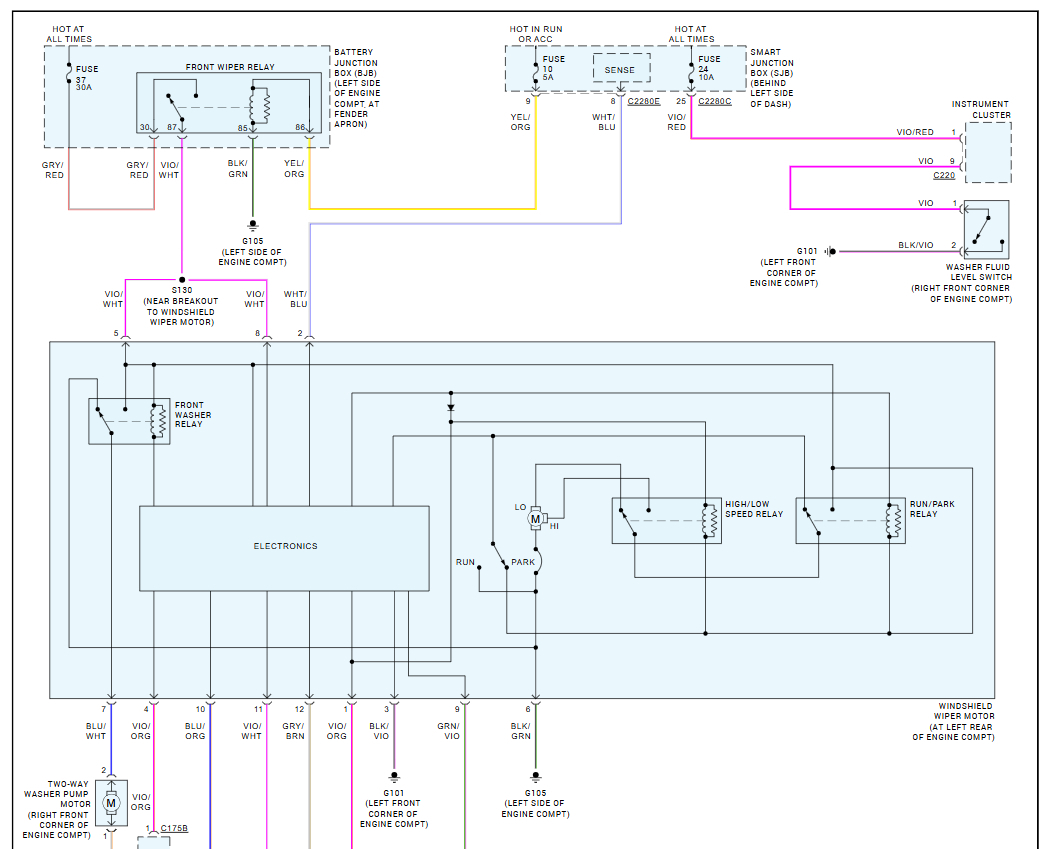
I just replaced the washer pump on my SUV listed above XLT and still have no fluid spraying. I cleared the tubes with compressed air, so I'm thinking it is probably a fuse. However, I'm having trouble finding which fuse the washer pump uses, all diagrams I have found have no label for it. The fuse I thought may have been involved, 37(30A), is working fine. The manual doesn't mention fuses for the washer pump at all. The button you press to start the washer pump still engages the wipers as it should, but the wiper motor does not start. I'm at a loss at this point. Any help would be appreciated.
Nov 12, 2019 at 11:34 AM









