Washer fluid not working?

2006 CHEVROLET IMPALA
162,000 MILES • V6 • AUTOMATIC
Avatar
TRICKEY132
  • MEMBER
  • 1 POST
I just bought this car, and the washer fluid won't come out. It's full and my mechanic checked the motor and fuses everything works. Is there a connection from the switch to turn on that can fail? The wipers work at every speed and mode, not just the fluid.
Jan 21, 2023 at 1:07 PM
Advertisement
Avatar
AL514
  • CERTIFIED EXPERT
  • 5,465 POSTS
Hello, yes there is a control module in between the wiper/washer switch and the actual motor for the washer spray, as well as a relay and a fuse. I'll post the wiring diagrams and explain how it works. Are you able to hear the washer motor work when you try the switch, most of the time you can hear that hum that the washer motor makes when it spraying? If you don't hear anything there can be a number of issues. How did your mechanic test the motor?

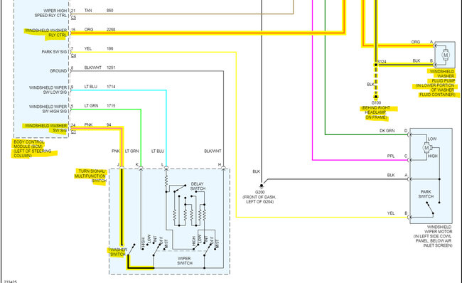
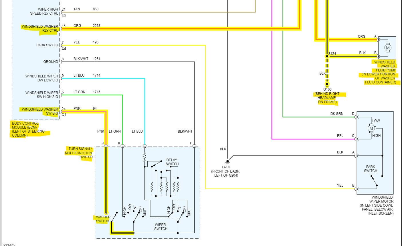
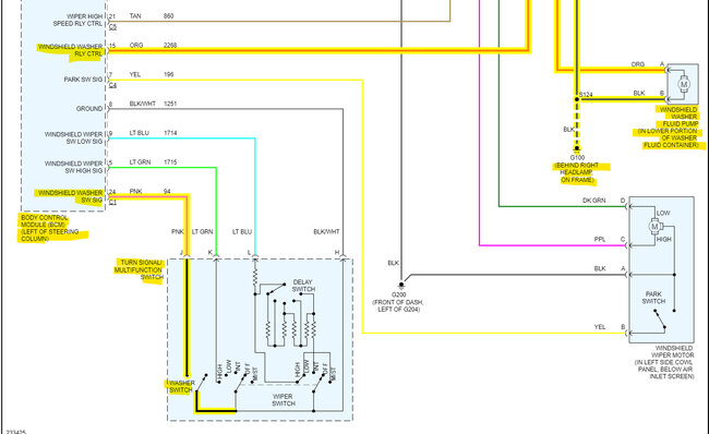
The washer switch sends a signal to the Body Control Module (BCM) on the left in the 2nd diagram, and the BCM then grounds the ws wash pcb relay at the top of the 1st diagram and power is fed through the wsw fuse 10amp to the washer motor. So, I assume your mechanic possibly powered up the washer motor manually and it worked. .
But to verify the rest of the system is working, using a 12v test light hooked to battery negative, you will have to check for power at the wsw fuse when pushing the washer switch on, so you'll need someone to help you. If there is no power at that fuse, next the relay will need to be checked. It is controlled by the bcm grounding the control side of the relay on the orange wire on the left, there is 2 Orange wires. So, it's possible the relay might be bad or the bcm is not controlling it. Another possibility is there is corrosion on the underside of that fuse block and a wire broke. That happens a lot in areas where they use a lot of salt on the roads during winter.

The Ground for the washer motor is the Black wire going the frame behind the passenger side head light. A corroded or broken ground wire will prevent the motor from working as well.
Do you know which fuse the mechanic tested?

https://www.2carpros.com/articles/how-to-use-a-test-light-circuit-tester
Jan 21, 2023 at 2:05 PM