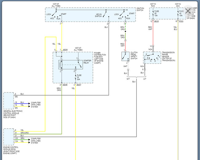
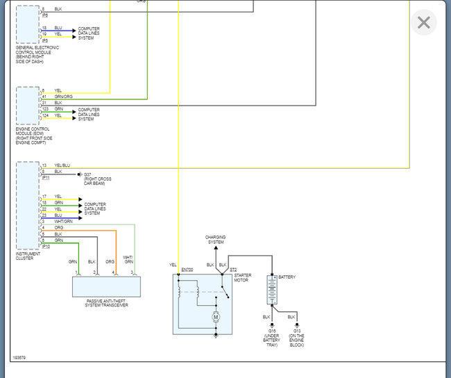
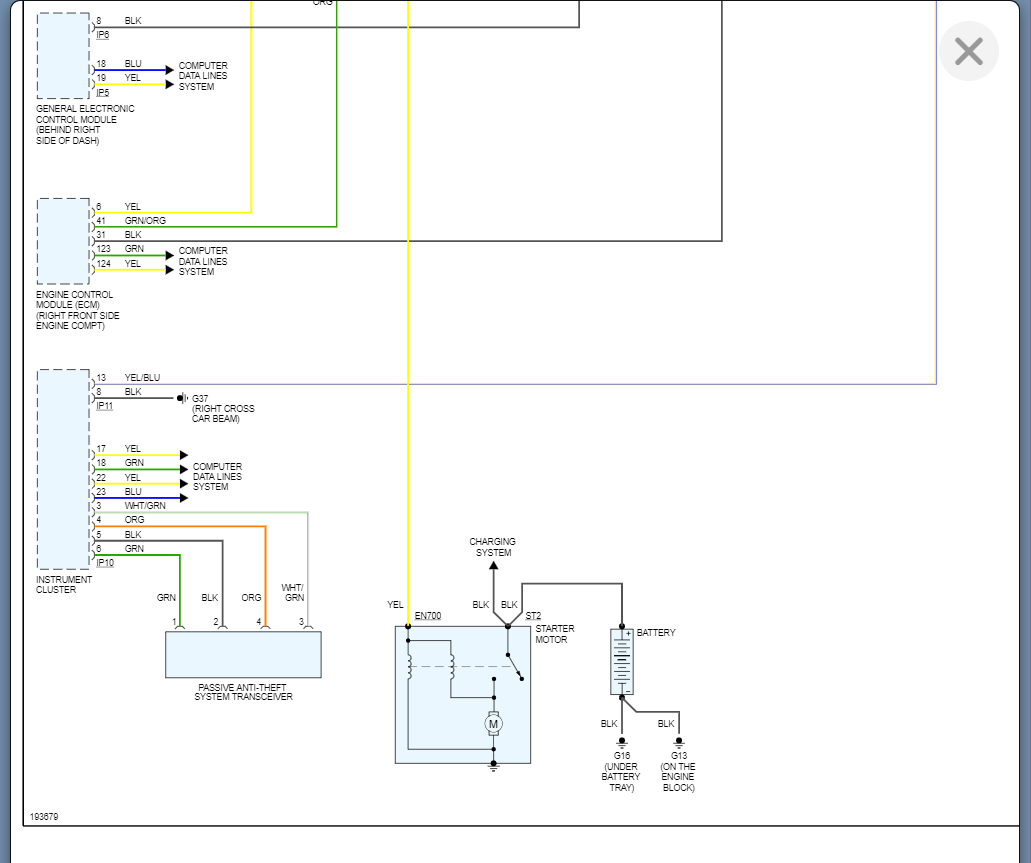
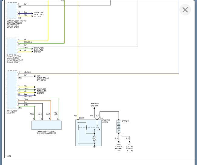
The battery died and I have replaced it with a new one, but I now have warnings for gearbox fault, ABS fault, dsc fault, limiter not available etc. along with warning lights. When I try to start the engine the information/radio screen goes blank but the dash remains in full operation. any suggestions?
Feb 22, 2020 at 9:47 AM

