Warning alarms?

2006 SCION XA
300,000 MILES • 4 CYL • 2WD • MANUAL
Avatar
STU KATZ
  • MEMBER
  • 2 POSTS
I do not receive an alarm if my lights are left on when the vehicle is turned off.

I do not receive an alarm if I my keys are in the ignition, car turned off and the door is open. My dome light does turn on and off when the drivers door is open or shut.
Dec 15, 2025 at 10:50 PM
Advertisement
Avatar
STEVE W.
  • CERTIFIED EXPERT
  • 15,113 POSTS
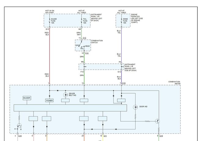
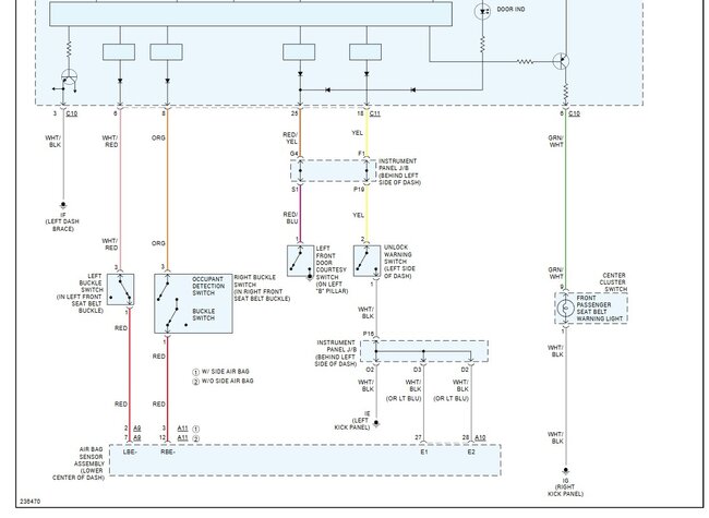
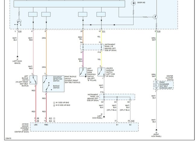
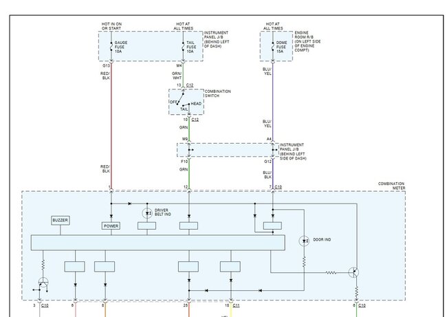
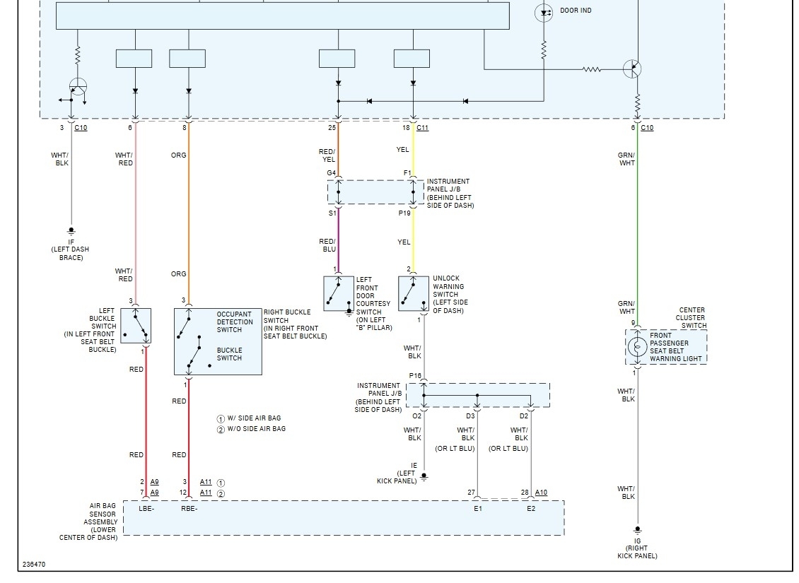
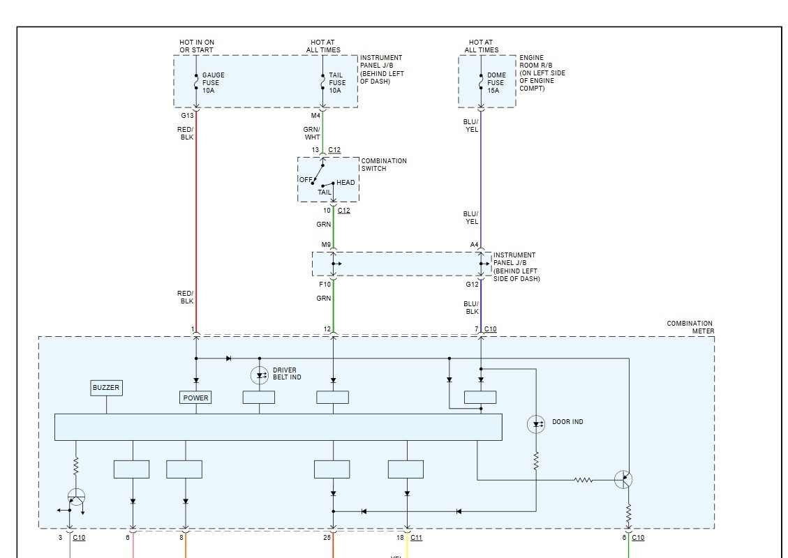
Do you get a warning if the seat belt isn't buckled? Do all the gauges work? Asking because that uses the same buzzer and power feeds in the instrument cluster. If none of them work it's likely a bad buzzer and that is part of the cluster. To get it back you would need to remove and swap the cluster or take it apart to replace the buzzer.
Dec 16, 2025 at 1:13 AM
Avatar
STU KATZ
  • MEMBER
  • 2 POSTS
The gauges work. When I leave my seat belt off. The warning light comes on. But there is no audible alarm. Hope that info helps. And thank you.
Dec 17, 2025 at 5:46 AM
Advertisement
Avatar
STEVE W.
  • CERTIFIED EXPERT
  • 15,113 POSTS
OK the light comes on but no alarm points at the chimer itself. It is soldered to the instrument panel display board. To repair it you either remove the cluster, take it apart unsolder the buzzer and solder the replacement in then put it all back together, or you just replace the cluster, however you need a scan tool to do that as the cluster in that car does a multitude of things relating to the vehicle. The cluster is part 8380052D30, looks like you can get one for about $300.00 or so new.
To get to it you remove the trim panel around it using a clip tool. Disconnect the battery ground at this point and wait 2 minutes, that disables the air bag system as the cluster controls part of that as well. Then remove the 3 screws that secure it in place and you can remove the cluster and unplug it. To install it you plug it in, screw in the 3 screws, then attach the battery ground and snap the trim back into place. Then you need to initialize the systems that were shut off when the battery was disconnected. Usually this is the windows and power roof if it has them. If you replaced the cluster you can use the scan tool to reset the mileage on the new cluster if it doesn't initialize itself.
Dec 17, 2025 at 8:32 AM