Where is the computer relay located?

2001 MAZDA B2500
190,000 MILES • 4 CYL • 2WD • MANUAL
Avatar
DCBENNY
  • MEMBER
  • 3 POSTS
Wanting to replace my computer relay.
Oct 27, 2020 at 12:36 AM
Advertisement
Avatar
ASEMASTER6371
  • CERTIFIED EXPERT
  • 52,796 POSTS
Good morning,

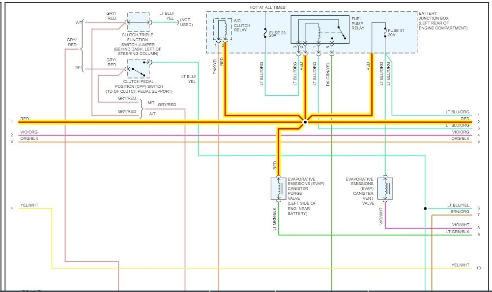
I attached the wiring diagram of the relay for you below.

https://www.2carpros.com/articles/how-to-check-wiring

I also attached the location in the fuse block of the relay as well.

https://www.2carpros.com/articles/how-to-check-an-electrical-relay-and-wiring-control-circuit

What is the issue?

Roy
Oct 27, 2020 at 1:28 AM
Avatar
DCBENNY
  • MEMBER
  • 3 POSTS
Engine cuts out at 50 -60 mph. Garage thinks it needs a new computer. I wanted to try replacing the computer relay first. Should I?
Oct 27, 2020 at 8:55 AM
Advertisement
Avatar
ASEMASTER6371
  • CERTIFIED EXPERT
  • 52,796 POSTS
I doubt that is the issue at all. If the relay was bad, it would do it all the time.

When it cuts out, do you mean it stalls out completely or sputters?

Roy
Oct 27, 2020 at 9:10 AM
Avatar
DCBENNY
  • MEMBER
  • 3 POSTS
It sputters like several plugs are misfiring then goes back to normal. If I replace the computer as the garage recommends, can I order a Ranger brand since Mazda has none available and does it need to be programmed?
Oct 27, 2020 at 9:21 AM
Avatar
ASEMASTER6371
  • CERTIFIED EXPERT
  • 52,796 POSTS
Yes you can, but it must be programmed to your VIN.

As far as the misfire, i would you replace the plugs? Sometimes it is just basics that cause the issue.

https://www.2carpros.com/articles/engine-misfires-or-runs-rough

Roy
Oct 27, 2020 at 9:38 AM