W212 om651 engine A/C wiring diagram needed?

2011 MERCEDES BENZ E220
200,000 MILES • 2.1L • 4 CYL • TURBO • 2WD • AUTOMATIC
Avatar
LIETUVIS
  • MEMBER
  • 6 POSTS
Good day I have a problem, after a small fire of engine bay I'm installed new engine harness, car runs no issues just A/C not working correctly.
When pugged scanner to OB2 in front SAM I see error code "P0645 A/C clutch magnetic control Circuit Failure (Short circuit to ground or open circuit"
And this is true, in harness I see there is 4 wires coming from A/C refrigerator (2 of them from A/C pressure sensor I think [blue/brown] and [brown] they are connected)

But what about A/C clutch wires [white/red] and [brown/white] they are controlling A/C clutch but it my case I can't find where they supposed to connect.
Maybe you could help and provide a wiring diagram for A/C control in engine bay or front SAM.

Please help me out.
Jul 5, 2023 at 1:11 PM
Advertisement
Avatar
LIETUVIS
  • MEMBER
  • 6 POSTS
Photo [white/red] and [brown/white] not connected due to it A/C clutch is not engaging, hope it helps.
Jul 5, 2023 at 1:23 PM
Avatar
STRAILER
  • CERTIFIED EXPERT
  • 53,854 POSTS
Thanks for the images, here are the wiring diagrams for the A/C system and the front SAM control. I also included this guide to help you test the connections:

https://www.2carpros.com/articles/how-to-check-wiring

Check out the images (below). Please let us know how it goes.


Jul 6, 2023 at 6:48 PM
Advertisement
Avatar
LIETUVIS
  • MEMBER
  • 6 POSTS
Thank you for such a quick reply and provided wiring diagrams but mine refrigerant compressor has a 4 pin connector as shown in 1st picture attached to this post but wiring diagram shows only 2 pins.

so, 2 wires are connected as suggested in diagram to interior and engine harness connector [pin 1 and 2] and the magnetic clutch wires are not connected.
I can assume that the brown wire is just ground wire but what about red/white wire which is main for feeding the a/c clutch and engage it.

P.s. in the wiring diagram I see there is X26-C1 connection and it's changing it's pins any ideas of it as well?
Jul 7, 2023 at 12:19 AM
Avatar
LIETUVIS
  • MEMBER
  • 6 POSTS
So, in my case control valve in A/C compressor is connected (in my picture wire blue/green and green) #1 and 2, just A/C Clutch Magnetic Control wires are not connected.
Jul 7, 2023 at 3:55 AM
Avatar
STRAILER
  • CERTIFIED EXPERT
  • 53,854 POSTS
Yep, I will need to ask my Euro expert to help because I think this model has different wiring than what they are showing here in the states. Please stand by.
Jul 7, 2023 at 10:24 AM
Avatar
BORIS K
  • CERTIFIED EXPERT
  • 836 POSTS
Hello,

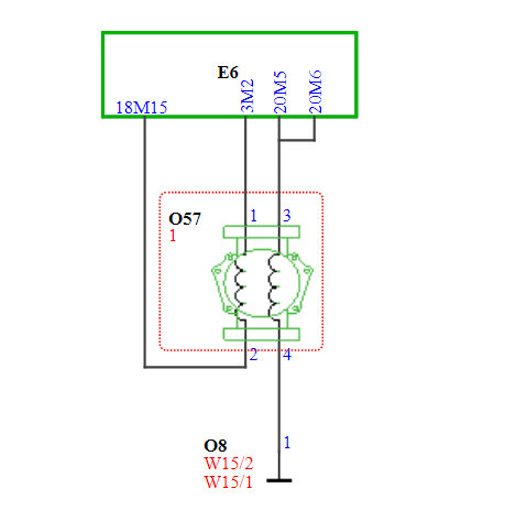
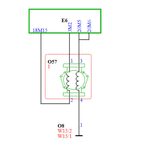
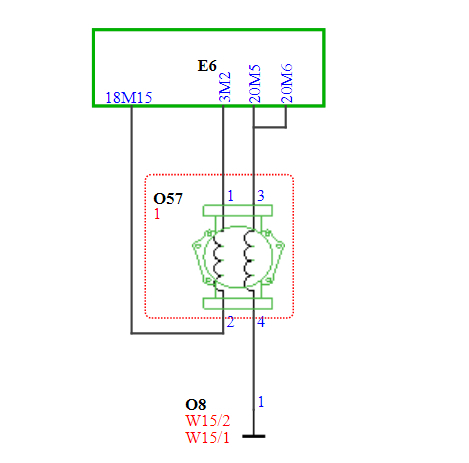
The easiest diagram to follow is attached below.
The OE Mercedes diagrams do not list any of your wiring colors.

Component E6 being the front SAM.

Pins 1+2 are for the pressure solenoid control.
Pin 1 is 12V supply.
Pin 2 is switched ground.

Pin 3+4 are for A/C clutch control.
Pin 3 is 12V supply.
Pin 4 is ground.

Hope this helps.

Cheers, Boris
Jul 8, 2023 at 12:51 AM
Avatar
LIETUVIS
  • MEMBER
  • 6 POSTS
Thank you, Boris, it seems everything is working properly, I will test it out and will give an update but for a moment A/C is working properly. :)
Just for reference please find attached photo how it looks like once you are taking out front SAM and where you could locate the needed wires for A/C refrigerant compressor clutch.
1. Take Front SAM and flip it over.
2. Locate green connector and follow the two blue/yellow wires in some point you will find it has connected together as it was shown in diagram.
3. In this point you will find that these 2 wires are connected to third wire in my case it was blue/yellow, but as I didn't have this wire in new engine harness, I connected mine red/white wire which controlling A/C compressor clutch.
4. Now I have everything working as it should, once I push A/C button in heater panel -> A/C compressor clutch is activated.

Fingers crossed that we together solved this issue.

Will give you update after some time.
Thank you one more time.

Jul 10, 2023 at 6:13 AM
Avatar
BORIS K
  • CERTIFIED EXPERT
  • 836 POSTS
Hello,

Glad that the information provided helped to trace your problem.

Please let us know if you require any other help.

Cheers, Boris
Jul 12, 2023 at 1:21 AM