A/C blowing warm air

2007 VOLKSWAGEN RABBIT
133,000 MILES • 2.5L • MANUAL
Avatar
JOELANCASTER
  • MEMBER
  • 2 POSTS
Since the VW A/C compressor has a wobble plate instead of a external clutch that engages when you turn the A/C system on, is there another way to tell if the A/C compressor is running (without the use of manifold gauges)? The line running out of the compressor on the high pressure side does not get hot. Also, where can you hotwire the A/C pressure switch to bypass the sensor that could be preventing the compressor from turning on if the refrigerant is low? Is there a fuse/relay under the hood to locate or would it be done at the A/C pressure switch? I'm guessing I need to determine the problem (ie. If the compressor is bad/needs solenoid replaced) before trying to recharge the system but if it's okay to attempt the recharge and go off the low pressure side gauge only that would be helpful to know as well. Thank you!
Jun 29, 2021 at 9:25 AM
Advertisement
Avatar
KASEKENNY
  • CERTIFIED EXPERT
  • 18,907 POSTS
You are correct. We need to start with checking the pressure because you can jump the compressor and have it come on but that is not definitive to know if there is an issue.

Even if it comes on and starts blowing cold then it may still be under charged. So this would lead you to think we had some other issue. However, if we know what the pressure is then we will know the proper steps to take next.

Here is a guide that will help:

https://www.2carpros.com/articles/re-charge-an-air-conditioner-system

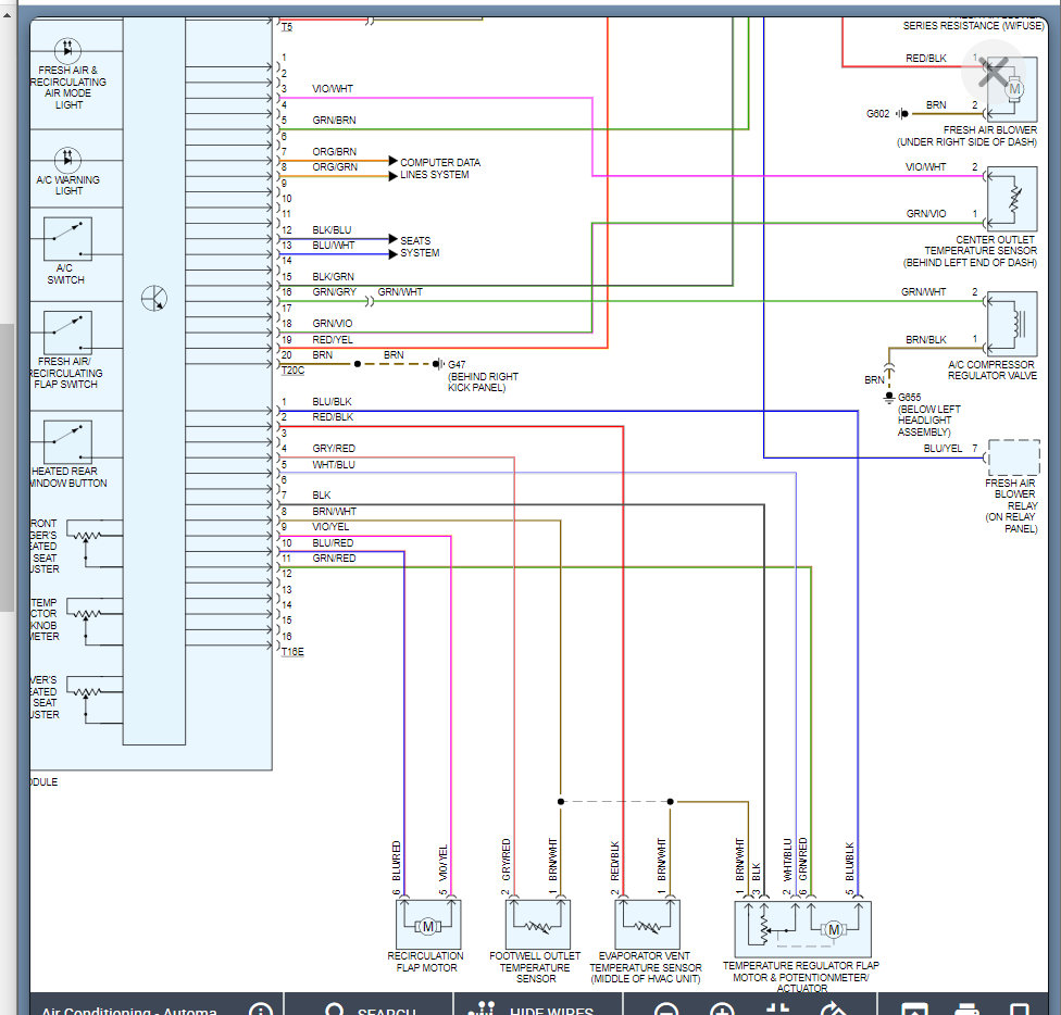
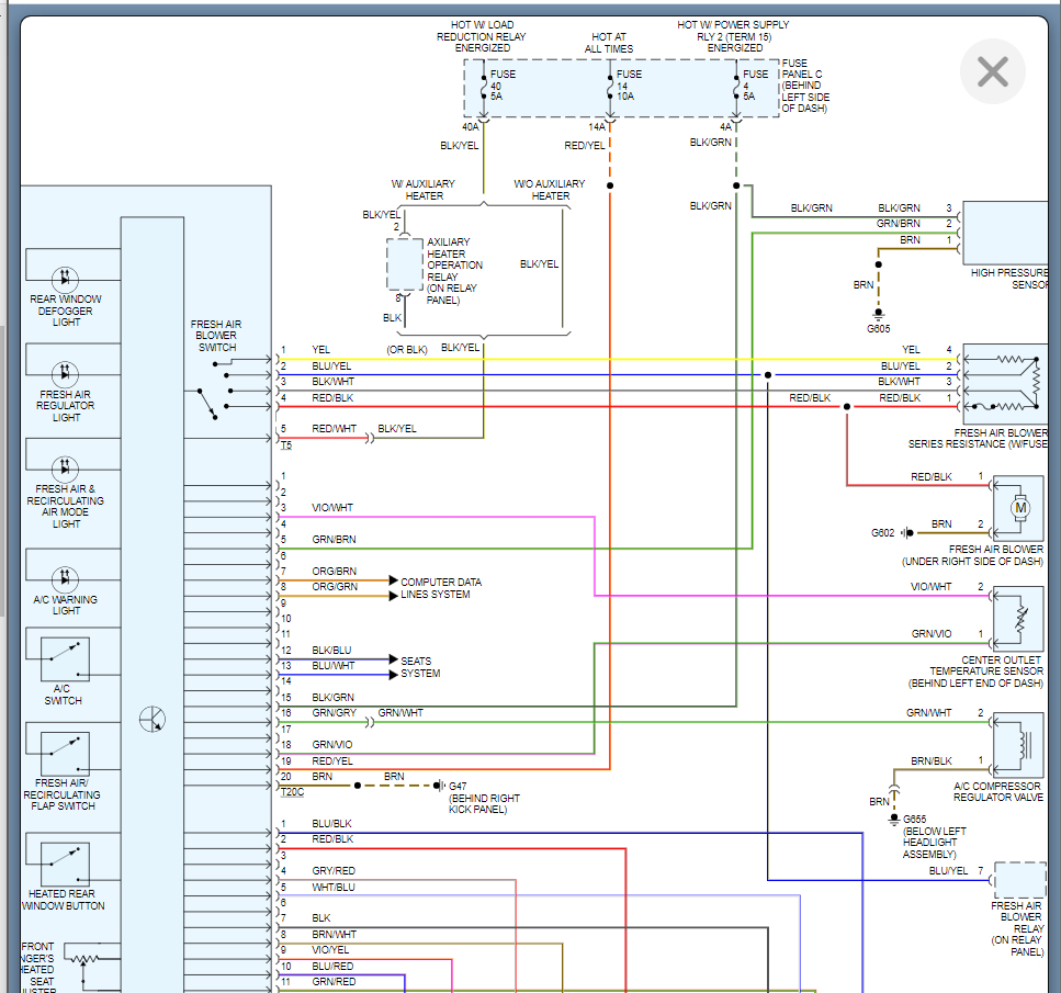
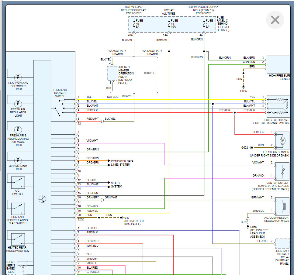
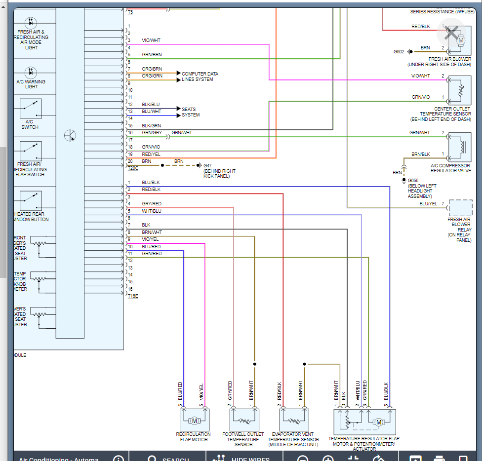
I attached both wiring diagrams of each of the Climatic and non Climatic systems.

Normally we could test for power on a relay to find out if the compressor is being commanded on and maybe find an issue before we get too far but your system does not have a relay. So we need to start with checking pressures to know for sure.

Also you do not have a low pressure sensor. You only have a high pressure so this means you don't have one to jump to find out if it comes on due to either a faulty sensor or low freon.

Please review the wiring diagrams below and the chart that will help with proper pressures. let me know if you have questions on this.

Thanks
Jun 30, 2021 at 5:58 PM
Avatar
JOELANCASTER
  • MEMBER
  • 2 POSTS
I appreciate your help very much. I took your advice and rented an AC manifold guage set to check the pressures. The static pressure (with the engine off) was about 315 PSI on the High side (red), and 10 PSI on the Low side (blue). I turned on the engine and ran the AC full blast for 15 minutes and the High side pressure remained roughly the same (315 PSI), while the Low side pressure varied, going from 10 to 25 to 20 PSI. Ambient temperature was 77 degrees Fahrenheit with 62% humidity. I believe this means my low side was low and my high side was high. My guess is that my orifice tube is blocked. If not, can I just recharge the system to resolve this and get the cold air blowing again? Please let me know what you think could be going on and what you'd recommend doing next. What other problems could there be and how could I diagnose them? What should I do next? Your insight is greatly appreciated.

Thanks.
Jul 1, 2021 at 4:21 PM
Advertisement
Avatar
KASEKENNY
  • CERTIFIED EXPERT
  • 18,907 POSTS
You are exactly correct. You have a restriction in the system because in a static system both sides should be equal and be around 90 PSI.

Then when you turn the system on, you get the pressure differential. The fact that they are remaining high and low, shows the pressure cannot equalize with the system off. That means it is blocked.

Below is the process to replace the expansion valve as that is the likely issue.
Jul 1, 2021 at 7:44 PM