Where is the VVT solenoid located?

2002 TOYOTA TACOMA
255,000 MILES • 3.4L • V6 • 2WD • AUTOMATIC
Avatar
CHEROKEE48
  • MEMBER
  • 1 POST
My vehicle listed above Pre Runner, has a stumble on acceleration. It runs great otherwise, and I have been told it is probably the VVT solenoids, but I cannot find a listing for this engine for replacements. I cannot find the 4 cylinder and 4.0 V6 but not the 3.4. Does this engine have the BBT solenoids? If yes, where can I find them?
Apr 11, 2025 at 11:41 PM
Advertisement
Avatar
AL514
  • CERTIFIED EXPERT
  • 5,465 POSTS
Hello, has the check engine light been on at all? I would start by getting the engine computer scanned for any codes, whether they are current or history. Write them down so we have them. I don't see anything in the wiring diagrams for VVT solenoids on this engine, there are 3 solenoids labelled VSV. One is the VSV Evap Canister closed valve which is for vapor management, another labelled VSV (Evap) which is most like just the Purge valve. and the last is VSV (pressure switching valve) which is also for the Evap vapor management system. Other engines such as the 1MZ-FE and 3UZ-FE have codes listed for variable valve timing components. So you hesitation or stumble on acceleration might be due to some other issue. This is an older vehicle with high mileage. Looking through some live scan tool data when accelerating could reveal what's happening during that RPM range, such as seeing if the oxygen sensor reads lean during that period, then you would know it might be a fueling issue for example. You can also try cleaning the mass air flow sensor if it's a hot wire type sensor or checking for any vacuum leaks. I'll post some service information to help. But with VVT issues, they will almost always set codes because it has to do with intake camshaft and valve timing.
How is the vehicle at idle, when in Drive with your foot on the brake?
One other thing, this engine does have adjustable valve clearance, so if the valve clearance it too tight, doing a valve adjustment can make a huge difference in performance. Especially with this high mileage, I'll bet it has never been done before. Tight valve clearance does not allow the valves to close completely, sealing up the cylinder. It can be more noticeable when the engine is hot.

https://www.2carpros.com/articles/engine-hesitates
Apr 13, 2025 at 9:41 AM
Avatar
AL514
  • CERTIFIED EXPERT
  • 5,465 POSTS
The first thing I look at when dealing with a hesitation, is seeing exactly what the fuel system is doing at the time I feel the issue, this is where scan tool data comes in. Watching the Long Term and Short-Term Fuel Trims data, the Oxygen sensors, and Mass Air Flow sensor reading.
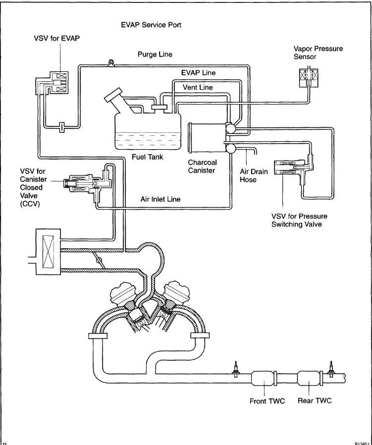
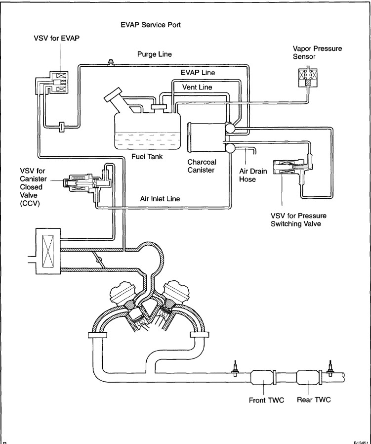
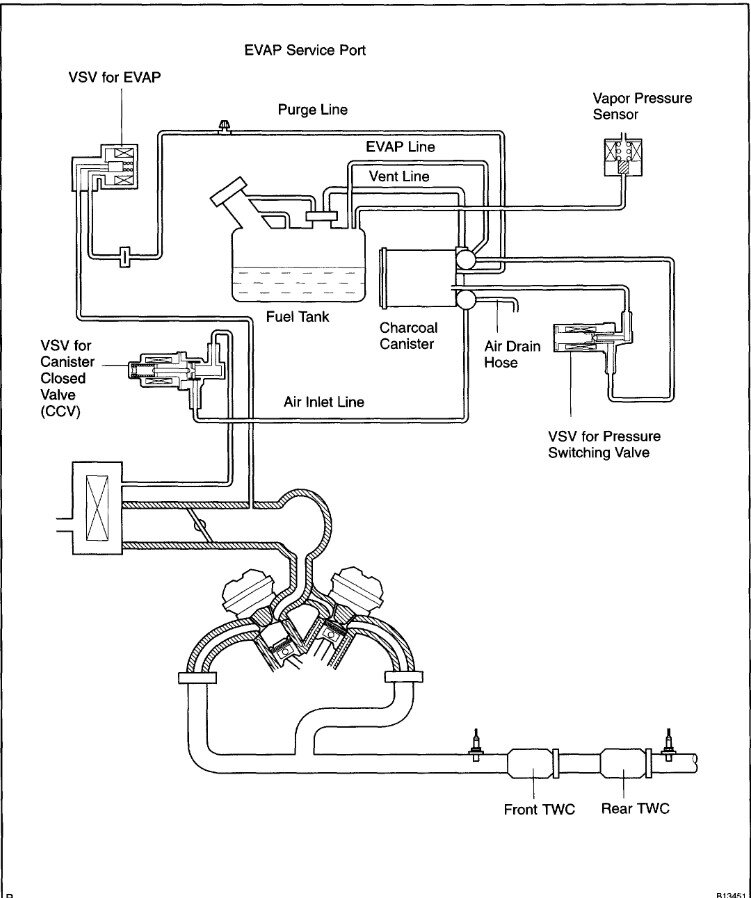
Diagrams 1,2 below are the VVT codes that would set, and your engine is not listed here. Diagrams 3,4,5 are for cleaning the Mass Air Flow sensor, I would also recommend cleaning the throttle plates. I've found on these Tacoma's that cleaning the throttle plate, even just around the edges makes a huge difference. Just be careful with your figures around the throttle plates. And don't spray carb cleaner on the plate, spray it on a rag and clean it that way. Diagram 6 is the Evap hose diagram if needed.
The Mass Air flow (MAF) sensor can be sprayed with MAF cleaner which you can get at any auto parts store, this has a hot wire type sensor, and they get dirty which causes the sensor to under report air flow, and a hesitation will happen. Also adding some fuel system treatment will help to clean the fuel injectors. So just some things you can do to improve the performance. These are great trucks, so I would hang on to it as long as possible.

Here are some guides to help as well:

https://www.2carpros.com/articles/mass-air-flow-service

https://www.2carpros.com/articles/how-to-use-an-engine-vacuum-gauge

https://www.2carpros.com/articles/throttle-actuator-service

Let us know what you find.
Apr 13, 2025 at 10:24 AM
Advertisement