Vtm-4 lock not working

2004 ACURA MDX
134,000 MILES • 3.6L • V6 • 4WD • AUTOMATIC
Avatar
EALVARADO5848
  • MEMBER
  • 7 POSTS
Vtm-4 lock button does not turn on , do i have to replace the transmission to fix?
Aug 23, 2021 at 5:28 AM
Advertisement
Avatar
JACOBANDNICKOLAS
  • CERTIFIED EXPERT
  • 110,175 POSTS
Hi,

No, that could be a few different things. First, I would suggest having the can-bus scanned for codes. CAN stands for controller area network. Basically, all the modules/computers are tied together via a few wires. This will identify any code regardless of the module it's stored in.

Here is a quick video showing how it's done:

https://youtu.be/InIlnsjOVFA

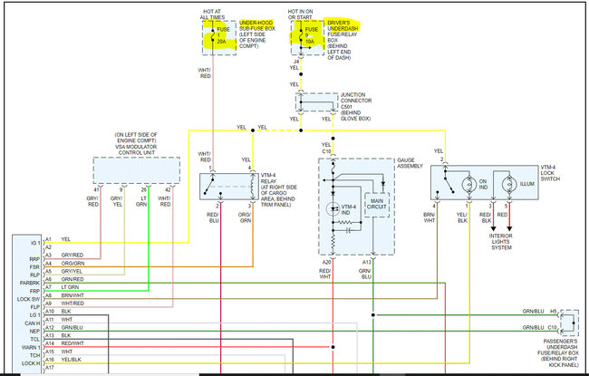
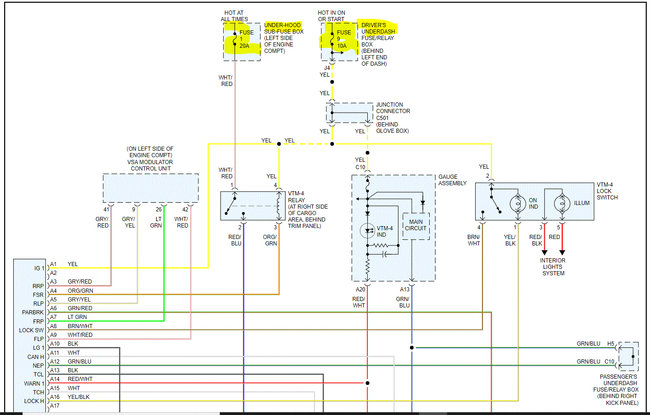
The first thing to check before scanning is the power supply to the circuit. If you look at pics 2 and 3 below, I included the wiring schematic for the system. I highlighted the two fuses needing to be checked. In addition to checking the fuse, make sure there is power to and from it. Here is a link you may find helpful:

https://www.2carpros.com/articles/how-to-check-a-car-fuse

Next, there is a Vtm-4 relay we can check easily. If you look at pic 1 below, it provides the directions for replacing the relay. This shows how to access it. Once you get to it, here is a link that explains how to test a relay:

https://www.2carpros.com/articles/how-to-check-an-electrical-relay-and-wiring-control-circuit

The last two pics show the fuses and locations to check. Note: one is under the hood and one under the dash.

Let me know what you find or if you have other questions.

Take care,

Joe

See pics below.
Aug 23, 2021 at 8:53 PM
Avatar
EALVARADO5848
  • MEMBER
  • 7 POSTS
Hi, thank you very much for your help. I don't own a scanner at this moment. do you guys know anything that is not that expensive? And is it the same as an OBD2 scanner?
Aug 24, 2021 at 8:48 AM
Advertisement
Avatar
JACOBANDNICKOLAS
  • CERTIFIED EXPERT
  • 110,175 POSTS
Hi,

Yes, this vehicle has an OBD2 system. However, here is what I suggest. Your vehicle and newer vehicles have what is called a CAN system (can-bus). CAN stands for controller area network. Basically, all the modules/computers together via a few wires.

Now, a basic OBD2 scan tool can't read codes from all the modules, so you need to have a CAN scanner to do it. Here is a video showing it being done. Basically, it is the same as an OBD2 scanner, it just has more options.

https://youtu.be/InIlnsjOVFA

I am suggesting this simply because a scanner is something you will likely have for many years. You will benefit from having this for your car now and as you get newer ones.

As far as cost, check out Amazon for OBD2 scanner that can read the CAN. They are no more expensive than a traditional OBD2 scanner.

Check it out and let me know if you have questions. Also, please know that I am suggesting this only because I feel you will benefit from it. I have nothing to do with Amazon. It's just a suggestion.

Take care,

Joe
Aug 24, 2021 at 7:11 PM
Avatar
EALVARADO5848
  • MEMBER
  • 7 POSTS
Yeah, thank you very much for the information about the scanner.. now I need help.. i supposed to check the vtm-4 lock relay.. have to remove a rear side panel which I took some screws out but I still can't get out the panel. do I have to remove the third row seat out in order to remove the panel? please advise. I tried to look on YouTube for certain videos on removing a panel there's nothing.
Aug 25, 2021 at 6:23 PM
Avatar
JACOBANDNICKOLAS
  • CERTIFIED EXPERT
  • 110,175 POSTS
Hi,

The 3rd-row seat does need to be removed. I attached the directions below. Take a look through them and let me know if they help. Note: The directions are for both sides, so there will be steps you can skip.

Let me know if this helps or if you have other questions.

Take care,

Joe

See pics below.

Aug 25, 2021 at 6:48 PM
Avatar
EALVARADO5848
  • MEMBER
  • 7 POSTS
Thanks for all the help I really appreciate it. I have remove the rear panel and there was two relays they look in pretty bad shape so I replaced them with two new relays which is 1 for the vtm-4 lock and nothing.. still not turning on, the button. any suggestions?
Aug 27, 2021 at 9:35 AM
Avatar
JACOBANDNICKOLAS
  • CERTIFIED EXPERT
  • 110,175 POSTS
Hi,

Hang in there. We'll get it figured out. When you checked the fuses I highlighted in the wiring schematic, were they good? Also, did you confirm there is power to and from them?

Here is a link that explains what to do:

https://www.2carpros.com/articles/how-to-check-a-car-fuse

Let me know.

Joe
Aug 27, 2021 at 8:45 PM
Avatar
EALVARADO5848
  • MEMBER
  • 7 POSTS
Hi, and yes I already checked the fuse for both of them. I got power to them and the fuse are good relay is new. And I just noticed the cruise control doesn't work, so when I press the button it doesn't turn on. I don't know if that's tight together or not just to let you know.. I bought a scanner which the name of it is Bluedriver let me know your opinion about the scanner please. that would be a lot of help too? And i only got the code P0455 no other code came out.
Aug 30, 2021 at 4:57 PM
Avatar
JACOBANDNICKOLAS
  • CERTIFIED EXPERT
  • 110,175 POSTS
Hi,

I have one from that company that works via my cell phone. I keep it with me when driving. It seems to work really well. There are different models of it, so I'm not sure which you got, but I'm happy with mine. I like having it with me for trips.

Now, the idea that cruise control isn't working makes sense. I have a feeling there is an issue with one of the wheel speed sensors.

By any chance, do you have the model scanner that can read live data and modules other than the powertrain control module? In this case, a wheel speed sensor or the ABS module?

Let me know.

Joe
Aug 30, 2021 at 6:40 PM