I want to know where I connect my VSS wire from my new head unit to the car and what color wire do I connect to?
Aug 20, 2024 at 12:39 AM
Advertisement
STRAILER
CERTIFIED EXPERT
53,854 POSTS
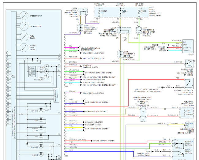
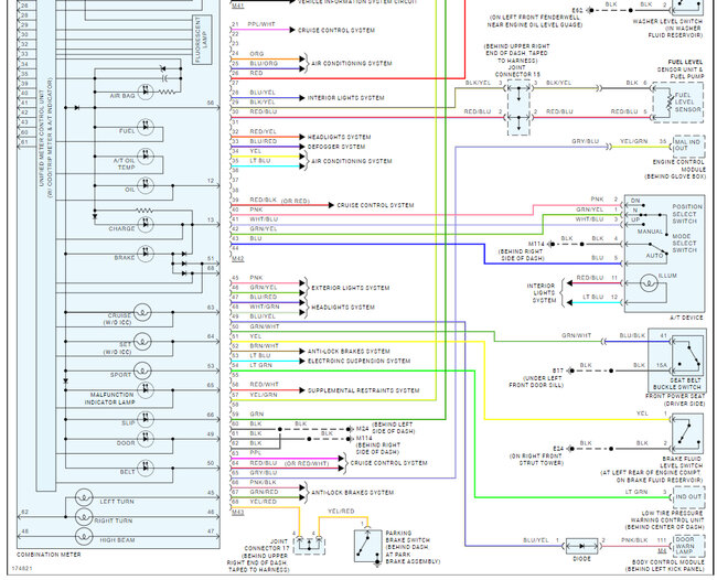
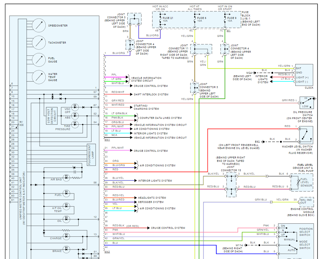
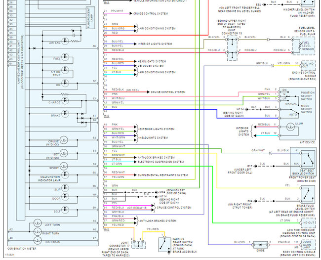
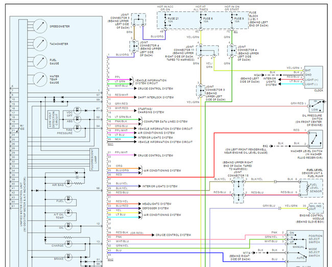
Yep, this car doesn't have a VSS sensor, the speedometer is driven through the data the ABS system provides and there are several inputs to the instrument cluster through ABS and CAN system inputs. Here are the speedometer and instrument cluster wiring diagrams so you can see what I am talking about. Check out the images (below). Let us know if you need anything else.