I have done most of the hard part on this swap, I took a 454 from a 1996 GMC suburban 2500 (2wd) and successfully swapped it into my 2000 k2500,
I took the whole harness and ECM from 454.
I do have the whole donor vehicle.
Got the 454 to run perfectly in the truck.
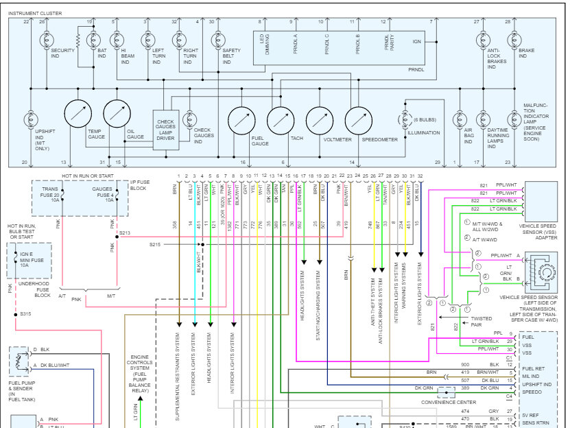
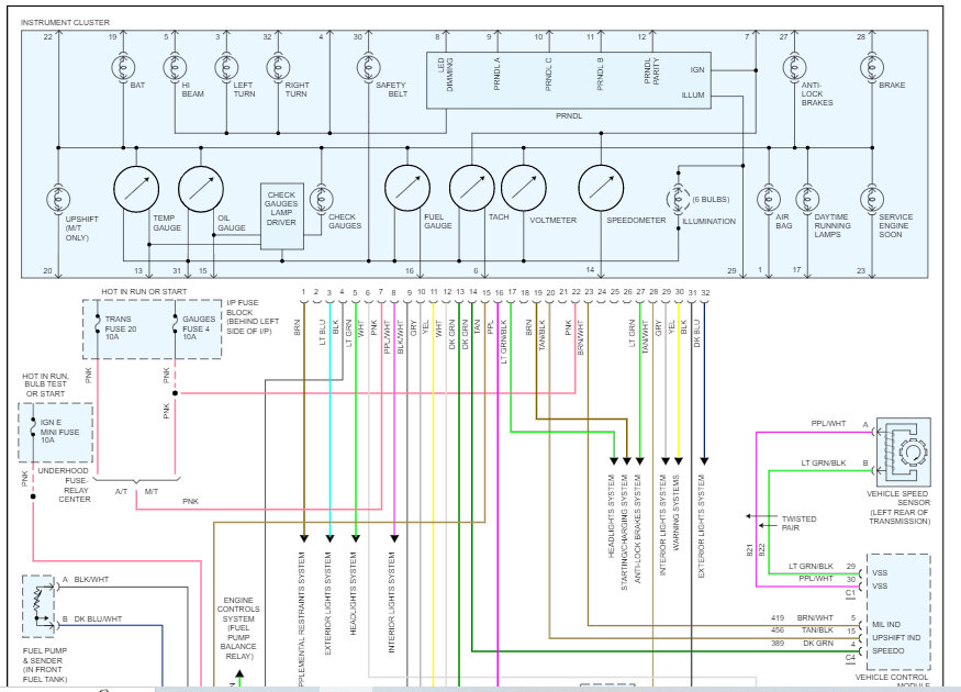
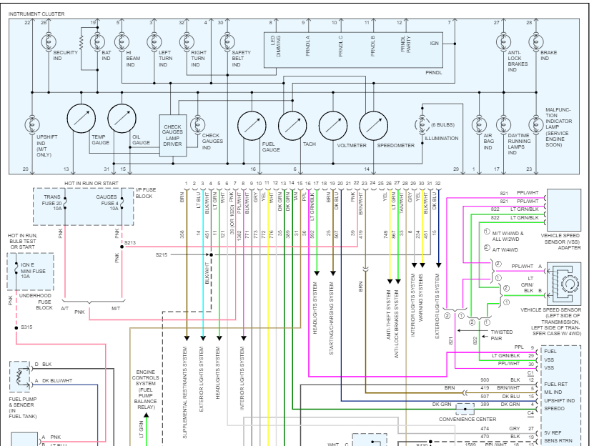
The only problem is that my gauges on the cluster are all wrong except my voltage gauge.
When I turn the key oil pressure pings to the right, when I moved the shifter the fuel gauge moves.
When headlights are turned on, the dash lights turn off.
When running the speedometer needle moves.
And tachometer only moves a little bit but is not in sync with the RPMs of the motor.
I have swapped the cluster but no change, also noticed that the wiring behind the cluster are the exact same for both vehicles.
I think I need to rewire some at the bulkhead Connection but I’m not sure as I cannot find schematics for either vehicle.
I took the whole harness and ECM from 454.
I do have the whole donor vehicle.
Got the 454 to run perfectly in the truck.
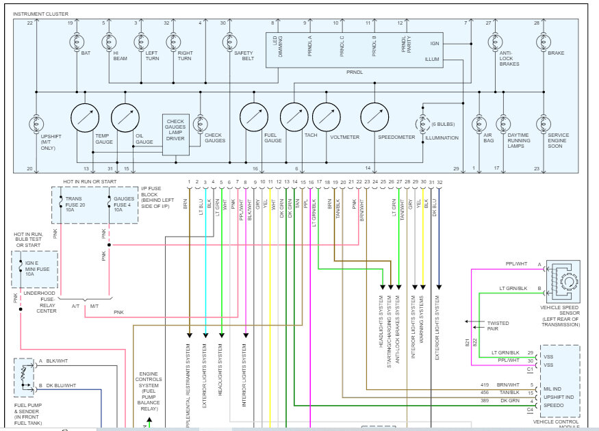
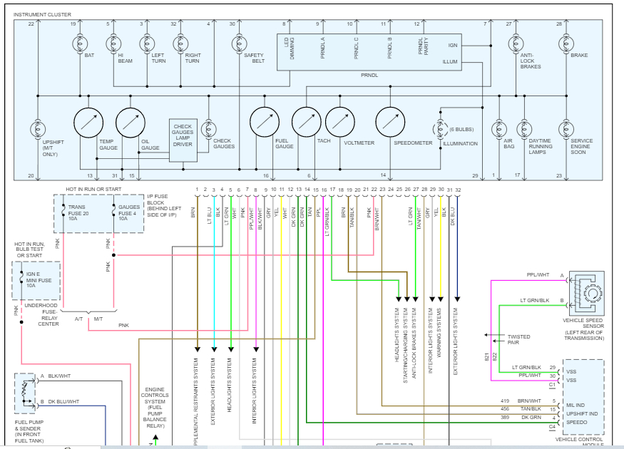
The only problem is that my gauges on the cluster are all wrong except my voltage gauge.
When I turn the key oil pressure pings to the right, when I moved the shifter the fuel gauge moves.
When headlights are turned on, the dash lights turn off.
When running the speedometer needle moves.
And tachometer only moves a little bit but is not in sync with the RPMs of the motor.
I have swapped the cluster but no change, also noticed that the wiring behind the cluster are the exact same for both vehicles.
I think I need to rewire some at the bulkhead Connection but I’m not sure as I cannot find schematics for either vehicle.
May 16, 2023 at 6:51 PM



