Voltmeter in instrument gauge cluster?

1999 FORD RANGER
186,000 MILES • 3.0L • 4 CYL • 4WD • AUTOMATIC
Avatar
JEREBAX
  • MEMBER
  • 9 POSTS
I removed my instrument gauge to replace them with aftermarket ones after an engine swap left my speedometer, tachometer and others not working.

Long story short, and still related to the factory wiring, the alternator is no longer charging, I believe because I have disconnected the voltmeter from the gauge cluster. I’m specifically curious if that is in fact, how the voltmeter works and if there’s a way to bypass the voltmeter gauge or if it is a necessary component of the charging system.
Mar 31, 2023 at 1:53 PM
Advertisement
Avatar
CARADIODOC
  • CERTIFIED EXPERT
  • 34,306 POSTS
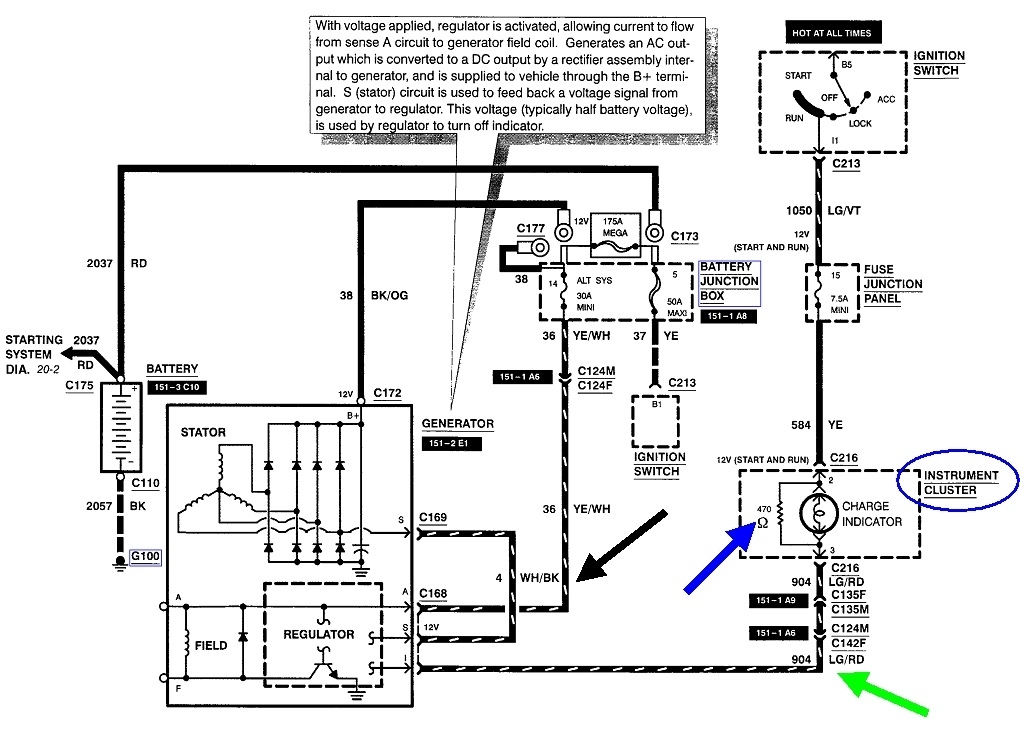
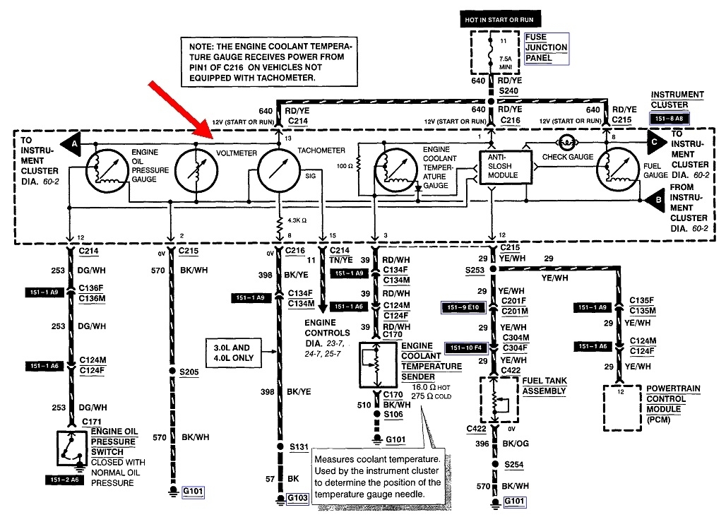
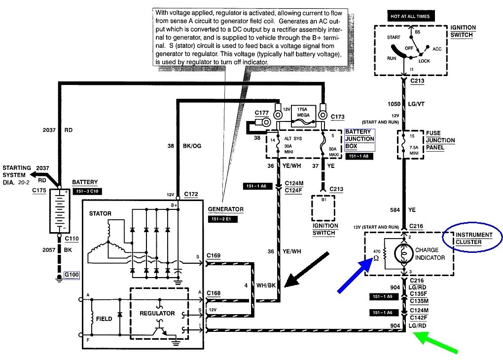
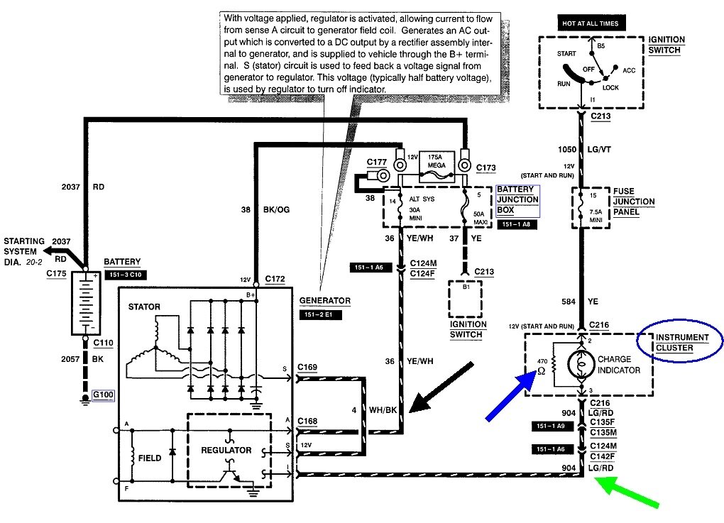
Not the voltmeter, but the instrument cluster is involved with the charging system on Ford and GM models. This first diagram shows the voltmeter just measures the voltage applied to the instrument cluster. The second one shows the entire charging system and the "Battery" warning light circuit coming from the instrument cluster. The third one repeats that bulb circuit in the instrument cluster.

What is needed to get this charging system started is a small amount of current flow through the warning light and then through the generator's internal voltage regulator. That's the wake-up signal that tells the regulator to turn on and start running the generator. Once that happens, a sample of the generator's output voltage, roughly 7 volts, appears on the white / black wire in the three-wire plug on the back of the generator. That tells the regulator the system is working and to put 12 volts back out on the light green / red wire to turn the "Battery" light off.

You also must have 12 volts all the time on the yellow / white wire in that three-wire plug. To be accurate, all of these voltages must be taken with that connector plugged in. Back-probe through the rubber weather seals next to each terminal to take the readings.

If you don't want to use a "Battery" light, or if the original one burns out, there is also a 470 ohm resistor, (blue arrow) that will pass enough current to get this system up and running. A 470 ohm is a very common value in electronics circles, but the value here is not critical. GMs use a 510 ohm resistor for the same purpose. Any value down to even 100 ohms will work fine. To prevent draining the battery, one end of that resistor must connect to any place that gets 12 volts with the ignition switch turned to "Run". The other end goes to that light green / red wire at the instrument cluster connector or at the three-wire plug on the back of the generator.

Normal operation is to start by measuring the voltage on that light green / red wire with the ignition switch on "Run", engine not running. You'll find very close to 2.0 volts. The other ten volts is across the lit up warning light, and / or across the 470 ohm resistor. Next, with the engine running, you will find full system voltage is on the light green / red wire. That should be between 13.75 to 14.75 volts. That will turn the "Battery light off because now there's full system voltage on both sides of it. The difference is 0.0 volts so the bulb turns off.

Let me know if this helps or if we need to look further.
Mar 31, 2023 at 4:53 PM
Avatar
JEREBAX
  • MEMBER
  • 9 POSTS
Beautiful. Thanks so much. My engine wire harness is from a 1998 Explorer 5.0, so I’ve only got a yellow/white and Lt-grn/red on the voltage regulator of the alternator. The lt grn red still goes to the charge indicator light so I will bypass from that to the fuse side utilizing a 100-470ohm resister and hopefully we’ll be back in business.
It was running fine with the 5.0 before removal of the gauges so this should work fine. Thanks again!
Apr 1, 2023 at 10:18 AM
Advertisement
Avatar
JEREBAX
  • MEMBER
  • 9 POSTS
Just wanted to update you and let you know this worked perfectly. Appreciate the help my friend.
Apr 1, 2023 at 2:55 PM
Avatar
CARADIODOC
  • CERTIFIED EXPERT
  • 34,306 POSTS
I didn't elaborate on that white / black wire. It isn't in the rest of the wiring harness. It comes out of the generator, goes into the harness, but only travels a few inches, turns around, then goes into the three-wire plug right on the back of the generator. I'm doing this from memory from a '94 Explorer that I built electrical "bugs" into for my students to diagnose. On that vehicle, the yellow and the light green / red wires went through another two-wire connector, in this case, about 12" - 15" from the generator. It was buried among other stuff, so it wasn't obvious right away without looking for it.

Dandy solder job on the resistor. The yellow band stands for "4"; the purple band is for "7"; and the brown band is for one zero, so you have a 470 ohm resistor. I recognize the light green / red wire, but tell me about the yellow one. If that is a piece of wire you added to run to somewhere else, that is wonderful. If that yellow wire is the one in the three-wire connector, that will cause a constant drain on the battery because it has 12 volts on it all the time. That end of the resistor needs to be connected to something that only gets 12 volts when the ignition switch is in "run".

A common glove box bulb draws around half an amp, (500 milliamps). That can run a battery near dead overnight if left on. By using Ohm's Law, (current equals volts divided by resistance), 12 / 470 = .0255 amps, or roughly 25 milliamps. That is actually within the industry-accepted maximum allowable IOD, or "ignition-off-draw" current of 35 milliamps. Chrysler says at that rate, a good, fully-charged battery will be strong enough to start an engine that has been sitting for three weeks. That current is the result of the multiple computer memory circuits drawing a very small amount of current. On the few vehicles I've actually tested, I've found the IOD current to be around 20 - 25 milliamps. Adding the 25 milliamps for the voltage regulator would not be overly significant, but I can't address whether the constant current through the regulator will cause a problem. Nothing happens to it if the ignition switch is left on for hours at a time, so you would think this wouldn't matter either. Remember, this story only applies if there's 12 volts on that yellow wire all the time. With all the work you've already done, you obviously are smart enough to find a suitable switched 12-volt wire to hook to.

Very happy to know you got this working. Please come back to see us with your next problem.
Apr 1, 2023 at 3:42 PM
Avatar
JEREBAX
  • MEMBER
  • 9 POSTS
Thank you! That yellow wire is actually for the charge indicator fuse, and is ground with the key off, and hot with the key in start/run. Funny enough, I was using it as the power supply for my aftermarket Speedometer. Cool information about the IOD, I had never heard about that.
I was a tech for 5 years and “master tech” for two with 7 ASEs. Was with tire kingdom so I didn’t get to do a whole lot of electrical but I went to school so I learned enough to be dangerous.

As for the engine, it’s a 1998 explorer engine, stroked out to 331 and swapped to carburetored. Hoping I can get the AC working next, is there a way to contact you specifically on here?
Apr 1, 2023 at 4:56 PM
Avatar
CARADIODOC
  • CERTIFIED EXPERT
  • 34,306 POSTS
We prefer for you to start a new question for a couple of reasons. First, these questions get categorized by model and by topic to make it possible for others with similar problems to research without having to type up their own question. Someone else might have a similar AC problem but they'll never see your solution here as this will be listed under
"Electrical" or "Charging", not AC.

Second, unlike on other sites where anyone can chime in to confuse the issue, here this became a private conversation between just the two of us. As such, while others can watch in the background to learn a solution or to contribute, none of the other experts will see your new topic or have a chance to reply. That might not get you the help you need. I'll watch for your new question, but chances are I'll leave it for someone else more qualified. My areas of expertise are Electrical, Suspension and Alignment, Brakes, and some Engine Repair. I can do Transmission work and AC repair, but those topics are best left to the other experts. I'll pop in on your new question if I have a comment of value to add.

When you're ready to post your next question, here's the link to get you there faster:

https://www.2carpros.com/questions/new
Apr 1, 2023 at 7:27 PM