Voltage spikes throughout electrical system, codes P0121 and P0123

2005 KIA SPECTRA
180,000 MILES • 2.0L • 4 CYL • 2WD • AUTOMATIC
Avatar
PREAMES
  • MEMBER
  • 2 POSTS
I am getting voltage spikes of up to 16 volts throughout my electrical system. The car starts up and idles just fine. But because of voltage spikes generating P0121 and P0123 the car goes into limp mode and is undrivable.

Both codes refer to the TPS so I started there. I unplugged the connector and checked the three wires for their voltages with ign on and eng off. Ground was good and the other two wires were right where they were supposed to be voltage wise. But when I started the car that is when the spikes start. (I have a scope)

I suspected the alternator so I tested it and saw spikes in the alternator. I disconnected the alternator completely from the system and started the car. (unplugged all three wires) I still have the voltage spikes.

I have gone through and started unplugging components one at a time to no avail. (similar to unplugging on cylinder at a time to find the cylinder that is missing) I'm looking for ideas of where to look next.

I am posting a screenshot from my PicoScope showing battery voltage on top (yellow), 5 volt reference to the TPS from ECM (red), and signal from tps back to ECM at idle (blue).

Any direction on where to look next would be appreciated.
Aug 1, 2021 at 5:25 AM
Advertisement
Avatar
ASEMASTER6371
  • CERTIFIED EXPERT
  • 52,796 POSTS
Good morning,

I am concerned about this. Without the alternator, there should only be battery voltage anywhere. The normal battery voltage is 12.4 to 12.6.

https://www.2carpros.com/articles/how-to-check-a-car-alternator

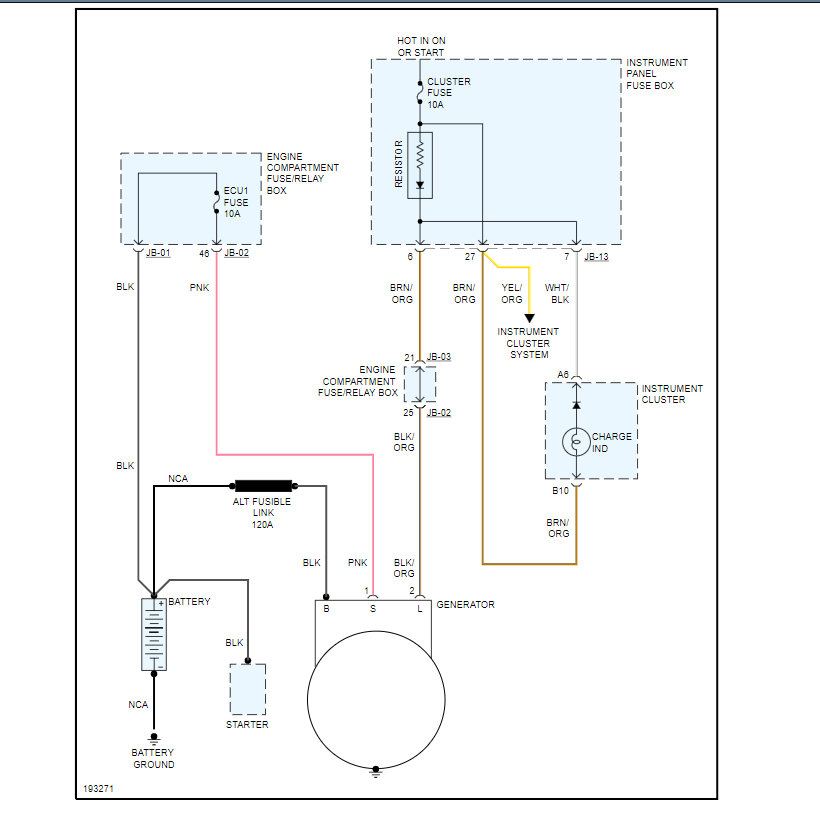
Did you remove the wire from the battery to the alternator as well? In just about every case, the alternator is the issue.

https://www.2carpros.com/articles/how-to-replace-an-alternator

I attached the flow chart for testing the alternator as well as the replacement procedure as well.

https://www.2carpros.com/articles/how-to-use-a-voltmeter

Roy

Aug 1, 2021 at 7:15 AM
Avatar
PREAMES
  • MEMBER
  • 2 POSTS
Thanks Roy for your reply. I agree 100% that the problem starts at the alternator. Once I discovered the voltage spikes my next step was the alternator. The alternator is indeed bad and will be replaced.

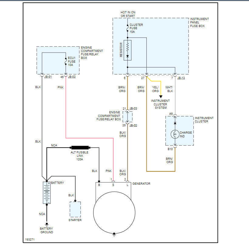
My next step in the diagnosis was to disconnect the alternator. I disconnected the +B wire that goes directly to the 120 A fuse and I disconnected the two wire plug. Then I started the engine expecting to see the spikes gone.

Much to my surprise the voltage spikes were still there. With the alternator completely disconnected from the system and I am still getting the voltage spikes, that indicates to me that the alternator damaged something else. I don't believe the computer is damaged because with key on engine off all of the voltage readings are correct. The problem only appears when the engine is running. I am looking for ideas of where to look next. What other components in the system might put out a spike like that.

I thought I had posted a screenshot of scope results before but I don't see it so I will try post that again. In looking at the wave forms again a thought just occurred to me. I was thinking of the voltage spikes as random but they aren't random at all. While the spike itself is somewhat random in direction and duration, it isn't random in timing.

I think my next stop is to throw a lead on my coil and see if there is a correlation to the cylinders firing. If so I can track it down to which cylinder. I think after that I will check the injectors. Both of those devices can throw off voltage spikes.

Any other ideas would be welcomed.

Thanks again!

Phil

PS. Yellow line is battery voltage
Red is 5v signal from ecm
Blue is TPS signal wire back to ecm (at idle)
Aug 2, 2021 at 2:28 AM
Advertisement
Avatar
ASEMASTER6371
  • CERTIFIED EXPERT
  • 52,796 POSTS
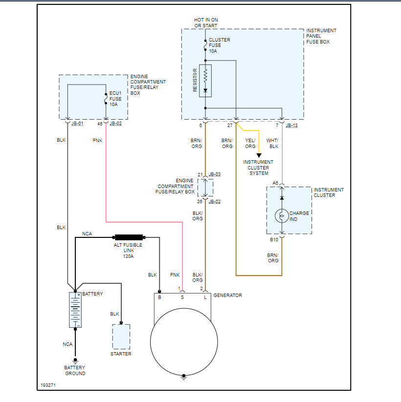
There is nothing else that could cause high voltage with the alternator out of the system.

I would replace the alternator and recheck the system and see if you have the same patterns.

Roy
Aug 2, 2021 at 2:39 AM