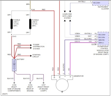
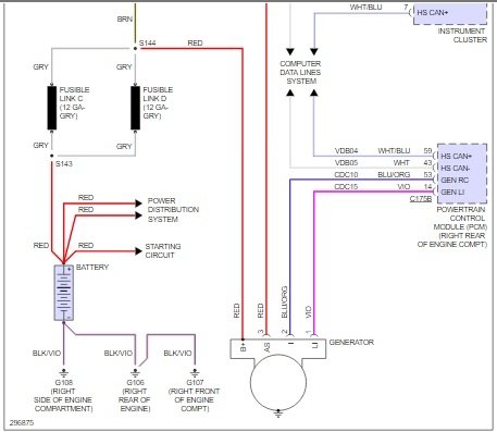
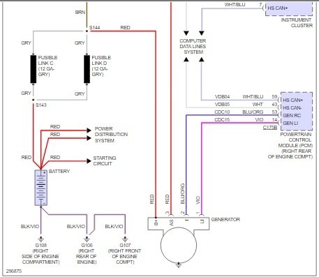
Alternator went out on truck so I changed it. Voltage regulator not doing what it is supposed to do on new alternator. Had same thing happen on my Nissan and y'all told me to check some fuses. I am wanting to know which fuses I need to check on this one. Thanks
Oct 27, 2018 at 10:22 AM

