I am here to save the day! First of all, it is good that you are using a test light instead of a voltmeter. For this type of tests, a voltmeter can give misleading results.
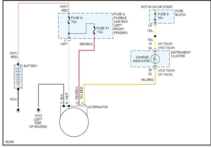
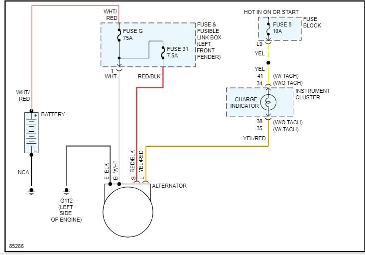
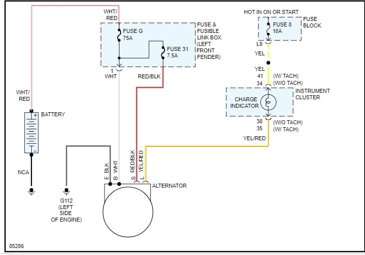
You already found 12 volts on the large output wire on the generator. Check for that on the smaller red wire in the plug too. It should be there all the time. That 12 volts comes through the 7.5 amp fuse, so if that is missing, look for a corroded connector terminal or a break in that wire.
Next, the yellow wire is the turn-on signal that tells the voltage regulator when to turn on and do its thing. That current comes through the warning light in the instrument cluster, so check if that bulb is working. If that bulb never lights up, check fuse 8, a 10-amp in the inside fuse box. Do not worry about the bulb itself. They almost always have a resistor in parallel with them to insure the regulator gets its start-up signal if the bulb has burned out.
The best way to test on the yellow wire is to back-probe it with the connector plugged in, but that is not always possible. If you were to use a voltmeter, expect to see around 2.0 volts with the ignition switch on. Ten volts is being dropped across the dash light so it is lit up, and that leaves that 2.0 volts you see at the plug. If you unplug the connector, and then measure on the yellow wire, you will find full battery voltage of 12.6 volts, and the bulb will be off.
If you do this with a test light with the connector unplugged, half of the battery voltage will be dropped across the dash light, and the other half will be dropped across the test light's bulb, so both will be dim.
If all these voltages are right, inspect the connector terminals to see if one is spread and not making good contact. With the engine running, often you will hear the engine load down a little and you will hear the generator start to labor if it starts working while you are wiggling the plug. You can also watch the brightness of the head lights change or you can use your voltmeter to measure battery voltage. When the system is working, battery voltage must be between 13.75 and 14.75 volts.
It is also part of the regulator's job to place full charging voltage back on the yellow wire when it sees the system is working properly. With, . . . lets say 14.2 volts on the yellow wire, and 14.2 volts at the battery, and therefore on the other side of the dash light, it has the same voltage on both sides so the dash bulb turns off.
I know you said you checked the ground, but to cover all the bases, some generators are mounted on rubber bushing to insulate them from engine vibration. Those need to have a large ground cable or braided ground strap connected between them and the engine. The cables often get removed for some other service, and then forgotten, and the braided cables often corrode and break.
Aug 25, 2018 at 4:18 PM
(Merged)