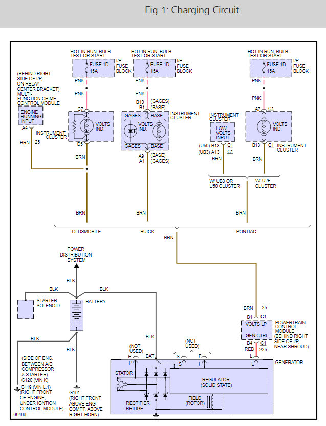
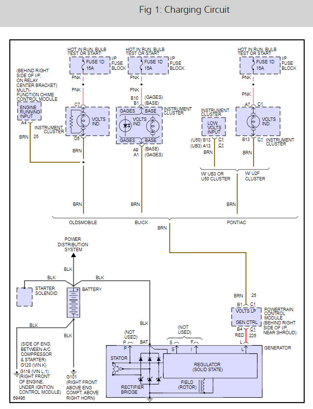
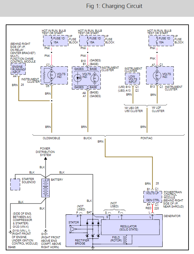
I have a 1995 Buick LeSabre. It has been to the dealer 3 times for the same problem - the battery light keeps coming on. The alternator has been replaced with a new one. The second and third time - the mechanic went thru the car: cleaned battery terminals, replaced alternator L Pin connector, repair 1 remanufactured generator core charge C, core return. When the battery light is on, the battery is not charging. Every time I leave the dealership, the battery light does not come on for approximately 2 weeks. Then it comes on more and more often and stays on for longer periods of time. I am frustrated beyond belief with this - what is the problem? When the light is on, the battery is not charging - this has been verified.
Apr 28, 2013 at 2:55 PM

