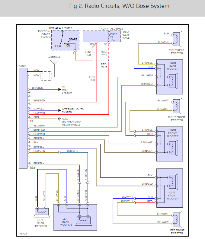
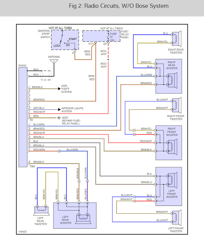
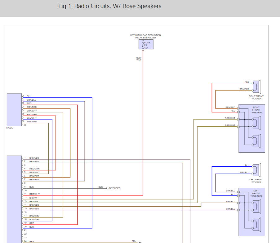
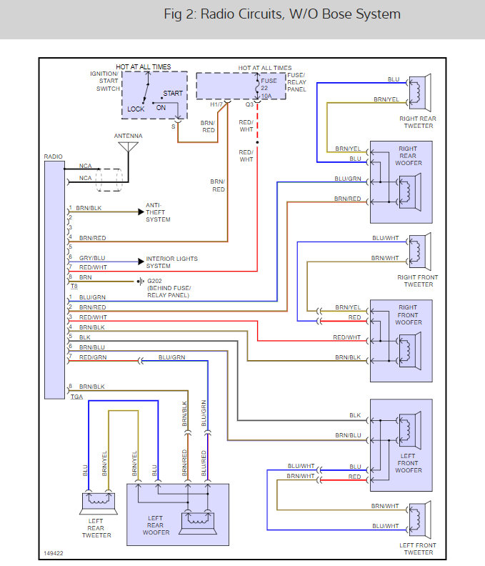
Ok, so i bought this 97 vw jetta trek. somebody cut out the factory radio including the adapters so there just bare wires... i need to know the color coded factory wiring diagram so i can install a aftermarket radio.. i kno BROWN is Ground and RED/WHITE is constant power but i need to know the rest i just keep blowing fuses trying to figure it out.. hope somebody can help me out.. thanks will be very much appreciated!!
Sep 20, 2010 at 1:56 PM


