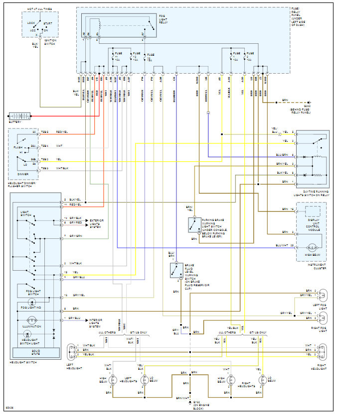
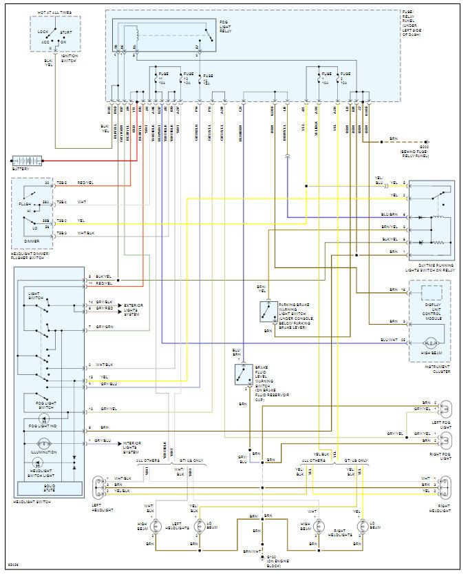
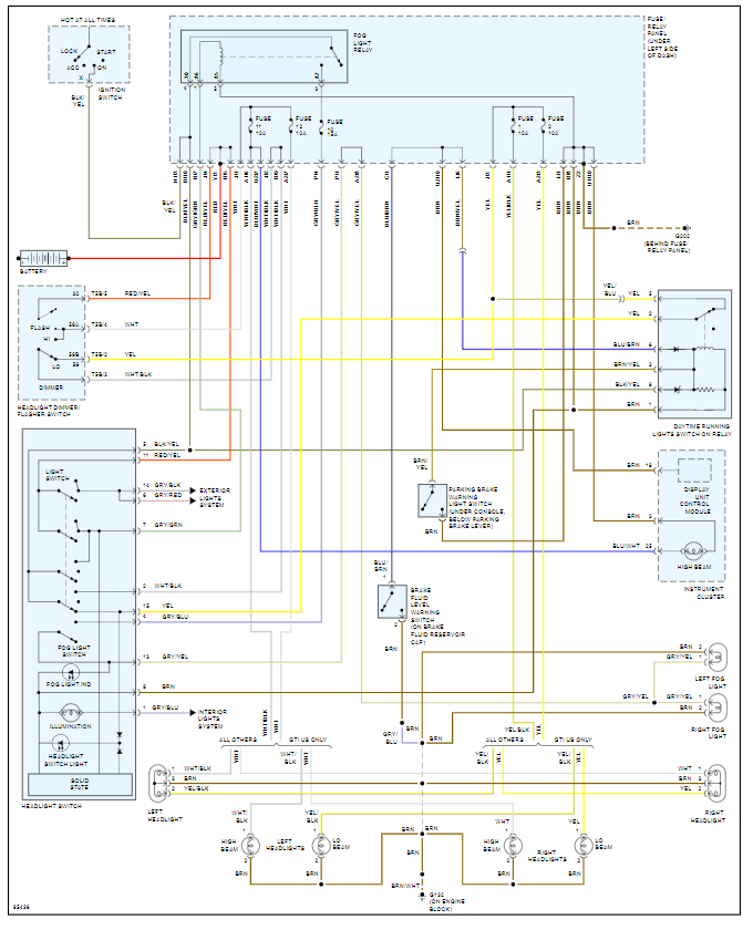
My car runs, the interior lights, both overhead and the dashboard, come on. The switch to turn my headlights on light's up when i switch them to on, but I get no lights coming from the headlights. Checked the bulbs, seem intact. Checked the relevant fuses, they're fine. Thoughts?
Jul 31, 2010 at 5:49 AM


