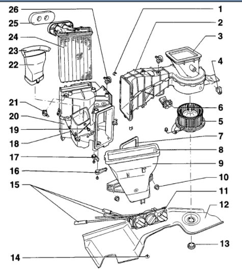
There is coolant leaking behind the firewall. I have concluded that it must be the heater core. Is this correct? If not, what else could be causing this?
Jun 12, 2008 at 12:53 AM





