fuse box diagrams I was looking for blown fuse

1998 VOLKSWAGEN CABRIOLET
115,000 MILES • 4 CYL • 2WD • AUTOMATIC
Avatar
BRET160
  • MEMBER
  • 2 POSTS
I took my Cabrio apart to replace the heater core. Successful except when put all back together, the AC compressor does not run. My AC tech was putting freon in it and said compressor does not run. I was looking for blown fuse but can't find the 30 Amp fuse for the AC compressor. The AC switch light turns on when switch is pushed in.
Aug 20, 2009 at 5:06 PM
Advertisement
Avatar
IMPALASS
  • CERTIFIED EXPERT
  • 3,112 POSTS
Hello, Here is the info on the fuse box identification and location.


https://www.2carpros.com/forum/automotive_pictures/248015_Picture1_88.jpg

FUSE IDENTIFICATION NOTE: Fuse identification for options not listed can be found in appropriate wiring diagrams. For fuse number location, see Fig. 1 . Fuse 1 - 10-Amp (Red) Headlight, low beam, left Fuse 2 - 10-Amp (Red) Headlight, low beam, right Fuse 3 - 10-Amp (Red) License plate lights Fuse 4 - 15-Amp (Blue) Rear window wiper and washer system Fuse 5 - 15-Amp (Blue) Windshield wiper/washer Fuse 6 - 20-Amp (Yellow) Fresh air blower, A/C Fuse 7 - 10-Amp (Red) Tail lights, right Fuse 8 - 10-Amp (Red) Tail lights, left Fuse 9 - 15-Amp (Blue) Rear window defogger Fuse 10 - 15-Amp (Blue) Fog lights Fuse 11 - 10-Amp (Red) Headlight, high beam, left Fuse 12 - 10-Amp (Red) Headlight, high beam, right Fuse 13 - 10-Amp (Red) Horn Fuse 14 - 10-Amp (Red) Back-up lights Fuse 15 - 10-Amp (Red) Engine electronics Fuse 16 - 15-Amp (Blue) Power sunroof, front map/reading light Fuse 17 - 10-Amp (Red) Emergency flashers Fuse 18 - 20-Amp (Yellow) Fuel pump (FP), heated oxygen sensor (HO2S) control module Fuse 19 - 30-Amp (Green) Coolant fan, A/C relay Fuse 20 - 10-Amp (Red) Brake lights Fuse 21 - 15-Amp (Blue) Interior lights, clock, luggage compartment light Fuse 22 - 10-Amp (Red) Cigarette lighter, radio, luggage compartment release RELAY IDENTIFICATION NOTE: For relay number location, see Fig. 1 . Relays 1-12 are located on the fuse/relay panel. Relays 13-24 are located on a relay panel above the fuse/relay panel. Relay 1 - A/C relay Relay 2 - Rear window wiper/washer relay Relay 3 - Engine control module (ECM) power supply relay Relay 4 - Load reduction relay Relay 5 - open Relay 6 - Emergency flasher relay Relay 7 - open Relay 8 - Washer/wiper intermittent relay Relay 9 - Seat belt warning system relay Relay 10 - Fog light relay Relay 11 - Dual-horn relay or bridge for horn Relay 12 - Fuel pump relay or glow plug relay NOTE: Relays 13-24 are located on a relay panel above the fuse/relay panel. See Fig. 1 . Relay 13 - Heated oxygen sensor (HO2S) control module Relay 14 - Park/Neutral position relay Relay 15 - Open Relay 16 - Open Relay 17 - Open Relay 18 - Open Relay 19 - Open Relay 20 - Open Relay 21 - Open Relay 22 - Open Relay 23 - Open Relay 24 - Open Please let us know happens so it will help others.
Aug 20, 2009 at 9:38 PM
Avatar
IMPALASS
  • CERTIFIED EXPERT
  • 3,112 POSTS
Hello –

Also, one last thing……it looks like you may have a recall on your vehicle. The dealer may fix this for free. Please contact the dealer service department, give them the VIN number of your car and have them check on this to see if it applies to you.

FILLER NECK DAMAGE - NEW WHEELHOUSE LINER
NHTSA RECALL BULLETIN
Reference Number(s): 02V026000
Related Ref Number(s): 02V026000
ARTICLE BEGINNING
VEHICLE DESCRIPTION
Model(s): 1997 Volkswagen Jetta
1998 Volkswagen Cabrio
1998 Volkswagen Jetta
1998 Volkswagen Passat
1999 Volkswagen Jetta
1999 Volkswagen Passat
2000 Volkswagen Passat
2001 Volkswagen Passat
2002 Volkswagen Passat
2003 Volkswagen Passat
Campaign No: 02V026000
Mfg. Campaign No: 02V026000
Number of Affected Vehicles: 00031104
Beginning Date of Manufacture: 1996 08 01
Ending Date of Manufacture: 1998 12 23
DEFECT SUMMARY
Vehicle description: Passenger vehicles. The fuel tank filler neck can suffer abrasion damage if the rear tire goes flat and the vehicle is driven until the tire disintegrates.
CONSEQUENCE SUMMARY
Fuel leakage can occur increasing the risk of a fire.
CORRECTIVE SUMMARY
Dealers will fit passat vehicles with a new wheelhouse liner that will better protect the car's filler neck. Jetta vehicles will be fitted with a different metal shield designed to enhance abrasion protection in the event of tire disintegration. Owner notification is expected to begin during may 2002. Owners who take their vehicles to an authorized dealer on an agreed upon service date and do not receive the free remedy within a reasonable time should contact Volkswagen at 1-800-822-8987.
ADDITIONAL INFORMATION
The National Highway Traffic Safety Administration operates Monday through Friday from 8:00 AM to 4:00 PM, Eastern Time. For more information call (800) 424-9393 or (202) 366-0123. For the hearing impaired, call (800) 424-9153.
Aug 20, 2009 at 9:41 PM
Advertisement
Avatar
BRET160
  • MEMBER
  • 2 POSTS
Can you see if there is a wire that connects from the fresh air/ air recirculation switch to the back side of plastic housing where the A/C coil received forced air? It appears that my fusues are okay but I still get no condensor operation. I was thinking I missed connecting this wire up and it is causing some type of fault.
Aug 24, 2009 at 1:28 PM
Avatar
IMPALASS
  • CERTIFIED EXPERT
  • 3,112 POSTS
Hello –

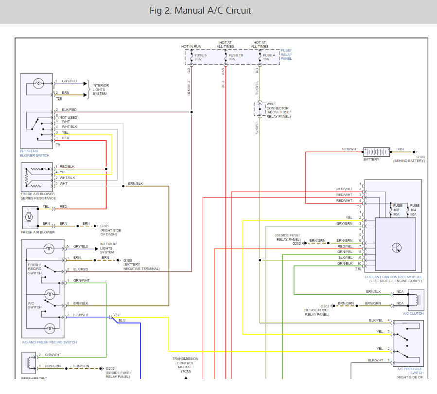
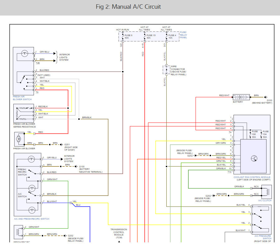
Okay…I have attached the wiring for the AC………if I understand you correctly your radiator cooling fans are still not working……….correct? So when you say you get no condenser operation is that what you are saying………no cooling fan operation?

I had to split the wiring diagram up to blow it up so you can see it. Just print and put together….is this what you are looking for?

If you need it bigger let me know………….

Also, back to the first post – when you say the AC compressor will not run….it is spinning from the belt but the clutch will not engage….right?

Did you pull a vacuum on it…………..is there any 134a in it at all now? Check out the diagrams (Below). Please run this test and get back to us.
Aug 25, 2009 at 9:27 PM
Avatar
MENDYNATE
  • MEMBER
  • 2 POSTS
I DESPERATELY need a fuse/relay diagram for this car... The cover to the panel is long since gone and I need to replace some fuses that a careless left foot has dislodged and check the DRL relay function

HELP
Jul 6, 2020 at 2:08 PM (Merged)
Avatar
RASMATAZ
  • CERTIFIED EXPERT
  • 75,992 POSTS
See below


https://www.2carpros.com/forum/automotive_pictures/12900_h1_10.jpg


https://www.2carpros.com/forum/automotive_pictures/12900_h2_9.jpg

Jul 6, 2020 at 2:08 PM (Merged)