1971 Volkswagen Beetle turn signals

1971 VOLKSWAGEN BEETLE
100,000 MILES • 4 CYL • 2WD • MANUAL
Avatar
JAYCH8151
  • MEMBER
  • 1 POST
I am having trouble getting my turn signals to work on my 1971 vw super bettle. I believe that it is a wiring issue. I have replaced all fuses and bulbs. Can you explain the wiring from the front turn signal lamp please?
Feb 8, 2009 at 5:10 PM
Advertisement
Avatar
BLUELIGHTNIN6
  • CERTIFIED EXPERT
  • 16,542 POSTS


https://www.2carpros.com/forum/automotive_pictures/261618_0900c1528007ab28_1.jpg

If is too small of picture give me your email addy and I will email to you so you can make it larger. Have you inspected turn signal flasher? Located in front seating area, driver side, under dash, above kick panel, mounted on firewall.. Thanks for using 2CarPros.com!
Feb 8, 2009 at 5:22 PM
Avatar
KARENCAREN
  • MEMBER
  • 72 POSTS
Hey dude. Can you email it to me. [email protected]. I need to compile some wiring manuals so I can start making some progress about maintenance knowledge.
Feb 9, 2009 at 7:50 PM
Advertisement
Avatar
BLUELIGHTNIN6
  • CERTIFIED EXPERT
  • 16,542 POSTS
Message was sent. Let me know if you need further assistance..


Thanks for using 2CarPros.com!
Feb 10, 2009 at 12:14 AM
Avatar
SHAWNKBLACK
  • MEMBER
  • 1 POST
Can you send me a copy of the turn signal diagram? I have no turn signal now. thanks
Aug 7, 2022 at 6:05 PM
Avatar
BORIS K
  • CERTIFIED EXPERT
  • 836 POSTS
Hello,

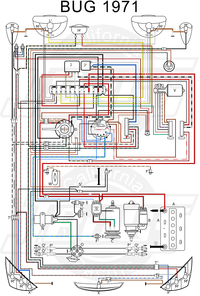
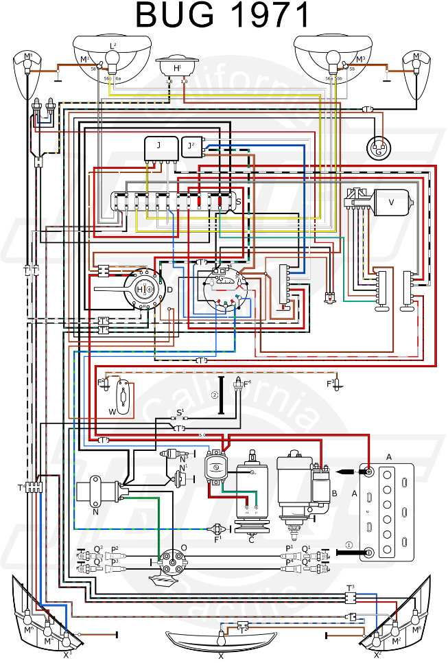
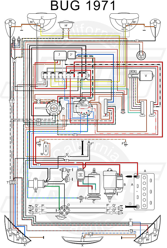
Please see the image below.

VW 1500 Sedan and Convertible Wiring Key
E Windshield Wiper Switch
G Turn Signal and Headlight Dimmer Switch
H1Horn ButtonH2Steering Column Connection
J1Turn Signal and Emergency Flasher Relay
J2Dimmer Relay
J3Brake Light Switch
K1High Beam Warning Light
K2Generator Warning Light
K3Turn Signal Warning Light
K4Oil Pressure Warning Light
K5Speedometer Light
O1Automatic Choke
O2Electro-magnetic Pilot Jet
P1Plug Connector, #1 Cylinder
P2Plug Connector, #2 Cylinder
P3Plug Connector, #3 Cylinder
P4Plug Connector, #4 Cylinder
T Cable Adapter
T1Cable Connector, Single
T2Cable Connector for Horn under front luggage compartment lining
T3Cable Connector Triple
X1Brake and Taillight
X2Brake and Taillight
X3Turn Signal light
X4Turn Signal light
2Horn ring to steering coupling ground connection
4Wiper motor to body ground strap

Hope this helps.

Cheers, Boris
Aug 8, 2022 at 4:24 AM