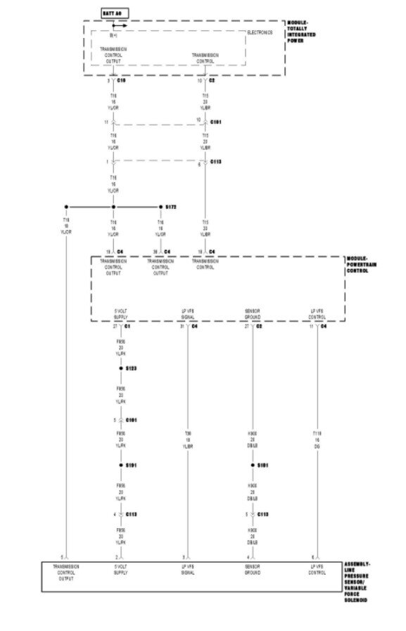
P0935 is a circuit code for the line pressure sensor. It could be a bad sensor or a wiring fault in the connector to the transmission. If that code is present, it will set the P1745 which is a code saying that the line pressure has been high for a set length of time.
Repair the fault causing the P0935 and the P1745 may clear. I would check the wiring harness to the transmission over and look for shorted or broken wires.
Images (Click to enlarge)
Apr 19, 2025 at 12:13 AM