engine mount replacement instructions

2008 CHEVROLET SILVERADO
50,000 MILES • 6.6L • V8 • 4WD • AUTOMATIC
Avatar
ANDREW0367
  • MEMBER
  • 1 POST
Vibration like rumble strips. Upon letting off of gas and slow down. Goes away upon acceleration.
May 2, 2019 at 12:55 PM
Advertisement
Avatar
SCGRANTURISMO
  • CERTIFIED EXPERT
  • 4,897 POSTS
Hello,

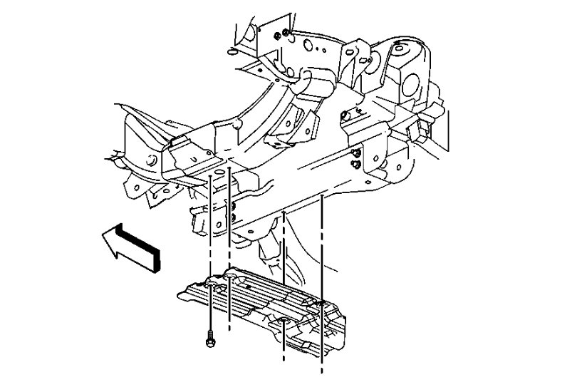
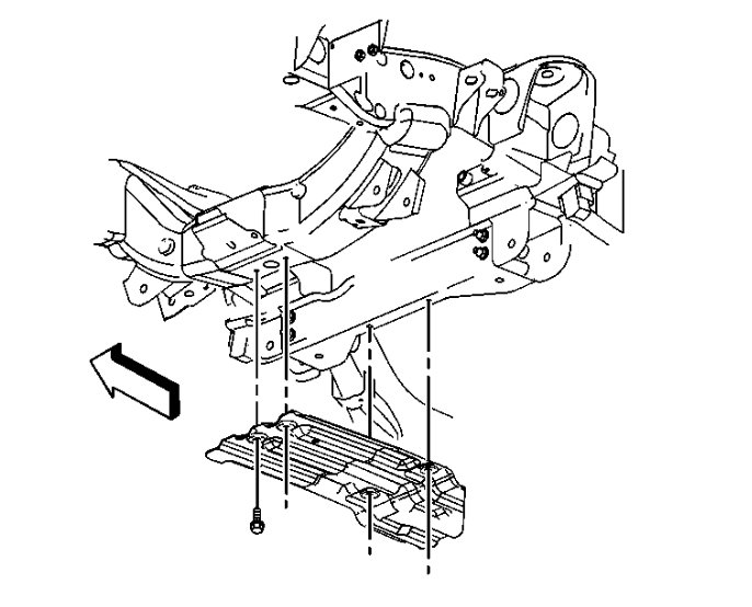
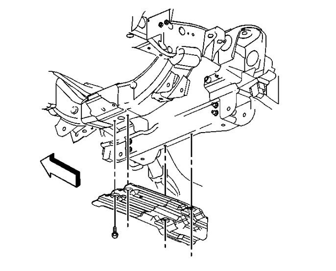
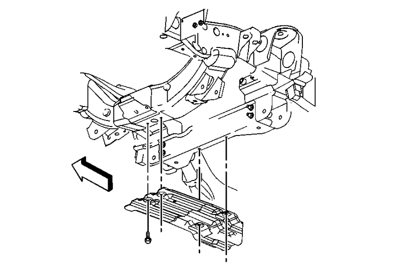
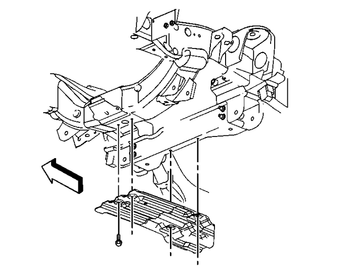
This could be a few different things. Here they are in no apparent order. 1) Wheel bearing(s) 2) U-joint(s) 3) Motor mount(s) 4) Transmission mount(s). So, you probably processed the information like me, start with the easiest first. I have included the information on the motor and transmission mounts in the diagrams down below for you. Please go through the diagnostic guide for the engine mounts and get back to us with what you are able to find out.

Thanks,
Alex
2CarPros
May 2, 2019 at 2:52 PM
Avatar
CHUCKNORRIS007
  • MEMBER
  • 2 POSTS
6.6 Diesel. My truck has developed a vibration under load that is sometimes constant and sometimes goes away at various times. It also vibrates at idle sometimes. I had it at the dealer thinking that it was the u-joints but they found nothing. I would have assumed that they would have checked the motor mounts as a next step but didn't. The mechanic that I usually take my truck to is 100 miles away and I didn't want to take the chance of driving that far. By phone call he suggested it might be a motor mount. He has always been able to find problems in the past and take care of them. He's about the only one I trust. Are the motor mounts difficult to change? I can fix most things if I know what's wrong, I'm just not a good trouble shooter. Thanks in advance.
Feb 25, 2021 at 8:39 AM (Merged)
Advertisement
Avatar
SCOTTY DEE
  • CERTIFIED EXPERT
  • 592 POSTS
Unless you have had some oil leaking and contaminating one of the mounts, I doubt if thats a problem. I would be prone to a thorough inspection of all chassis components. Vibration at idle? Again check for any oil contamination at the mounts.
Feb 25, 2021 at 8:39 AM (Merged)
Avatar
RICOSCHEVYTRUCK
  • MEMBER
  • 1 POST
I have a 1994 Chevy Silverado with a 4.3 engine and would like to replace it with a 1995, 5.7 engine model. I would like to know which motor mounts i will need to use? Thank You.
Feb 25, 2021 at 8:39 AM (Merged)
Avatar
JACOBANDNICKOLAS
  • CERTIFIED EXPERT
  • 110,175 POSTS
First, we only recommend direct fit replacement parts because so many other things can go wrong when you change things like this. As far as the mounts, just buy the ones for a 5.7. They should bolt right in place for you. However, remember, sensors, computer, vacuum lines, wiring... will all need modification.
Feb 25, 2021 at 8:39 AM (Merged)