None of my actuators are working

1999 BUICK PARK AVENUE
217,000 MILES • 3.8L • 6 CYL • 2WD • AUTOMATIC
Avatar
DEAN HYSON
  • MEMBER
  • 1 POST
How do I troubleshoot the problem? Is there a fuse? (if so, what is it called?) Or are they simply not connected? All of them are plugged in and I played with the controls, they didn't make sound or anything of the sort.
Oct 10, 2019 at 5:18 PM
Advertisement
Avatar
SCGRANTURISMO
  • CERTIFIED EXPERT
  • 4,897 POSTS
Hello,

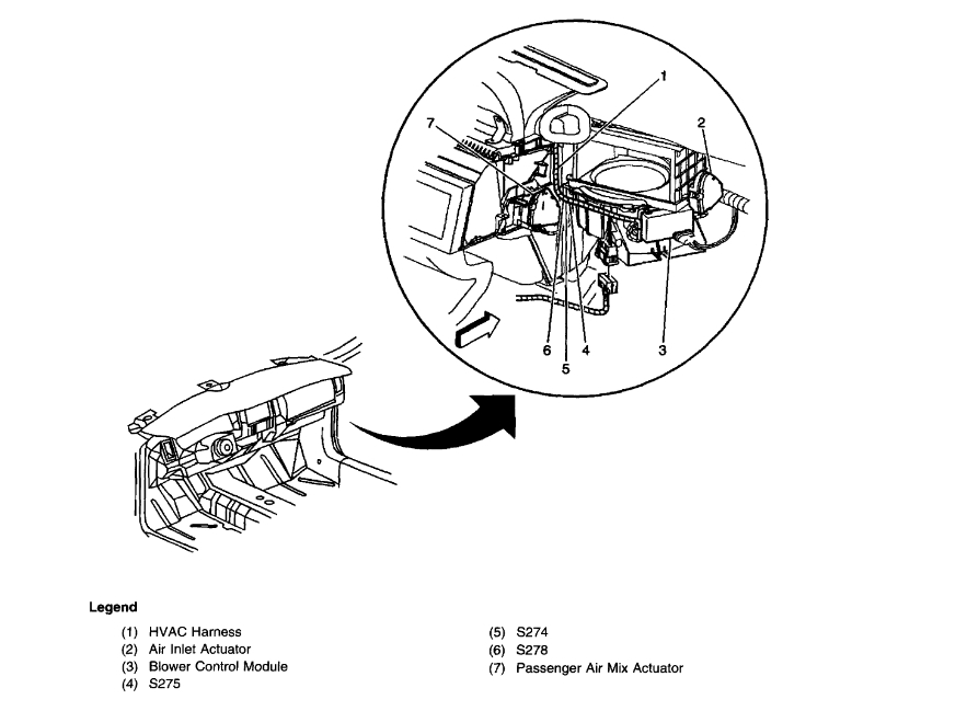
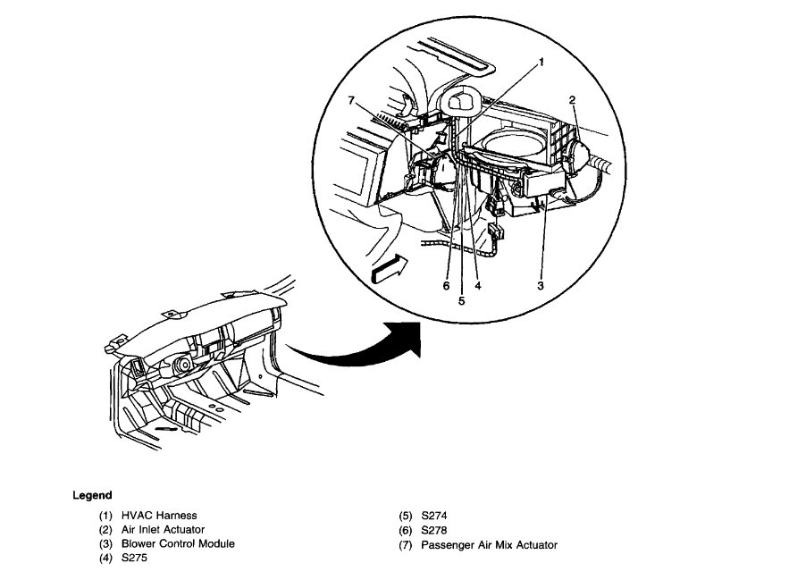
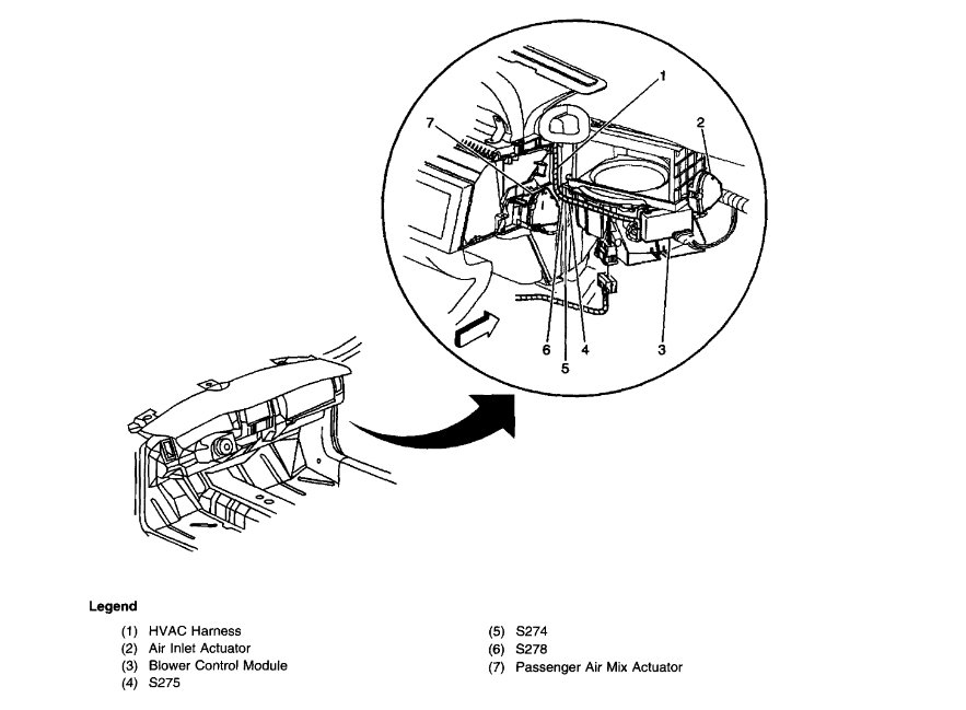
This could be a problem with your vehicle's Heater and Air Conditioning Programmer which controls the actuator motors. In the diagrams down below I have included the description of the actuator operations, and the location and removal and installation procedures for the Heating and Air Conditioning Programmer. Please go through these guides and get back to us with what you are able to find out.

Thanks,
Alex
2CarPros
Oct 11, 2019 at 1:17 AM