Vent diagrams needed

2003 PONTIAC GRAND AM
207,000 MILES • V6 • 2WD • AUTOMATIC
Avatar
FARR2007
  • MEMBER
  • 244 POSTS
I lost something valuable down one of my air vents. how do I retrieve it?
May 1, 2021 at 5:54 PM
Advertisement
Avatar
STEVE W.
  • CERTIFIED EXPERT
  • 15,113 POSTS
Which vent and what is the item made out of? Asking because the vents all have different paths and depending on the vent you might be able to snag the item without taking half of the car apart.
May 2, 2021 at 3:18 AM
Avatar
FARR2007
  • MEMBER
  • 244 POSTS
Was a container that was glass and had a something rare inside, and it went down the center vents the closest one to the steering wheel.
May 2, 2021 at 3:25 AM
Advertisement
Avatar
STEVE W.
  • CERTIFIED EXPERT
  • 15,113 POSTS
Okay, in that case it has likely dropped into the heater case itself. There are a couple ways to retrieve it. However you might try cycling the air from the dash to the floor a couple times and see if you are lucky enough that it falls through and out. The next method involves getting one of the endoscope cameras off eBay. Then remove the air vent director from the port and use the camera to go in and find the item. As it's glass a magnet won't work, but if you took some sticky material like blue tack or double stick tape you may be able to snake the camera in and stick it to the item and retrieve it.
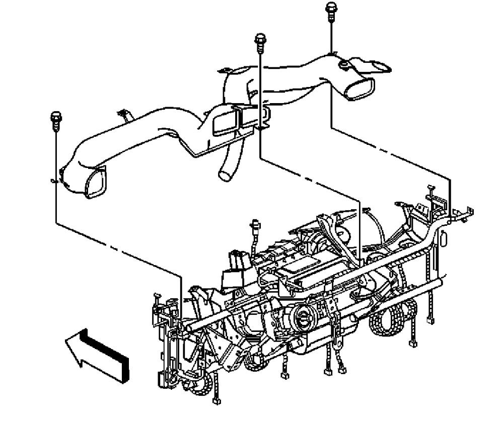
Lastly would be to go into the system manually by removing the dash trim panel and the ducting to get inside. That isn't a fun or easy job so I would probably try the other methods first. If you have no luck that way the first image it the duct you need to remove. The second is the dash pad. These are the steps for removal of the dash pad. The numbers missing apply to the other version of this car that were sold as an Oldsmobile.

1. Disconnect the battery negative cable.
2. Remove the instrument panel outer trim covers.
3. Disable the SIR system.
4. Remove the side upper garnish moldings from the windshield pillar.
5. Remove the defroster grille.
7. Remove the IP insulators.
8. Remove the glove compartment.
9. Remove the passenger airbag inflator module.
10. Remove the accessory trim plate.
12. Remove the cluster trim plate.
13. Remove the gauge cluster.
14. Remove the radio.
15. Remove the HVAC control assembly.
16. Remove the steering wheel.
17. Remove the multifunction turn signal lever.
18. Remove the cup holder.
19. Remove the bracket fasteners to the floor console center support.
20. Remove the bolts from the ignition switch.
22. Remove the fog lamp switch.
23. Disconnect the outboard electrical connections from the electrical junction block.
24. Remove the screws connecting the instrument panel to the cross car beam.
25. Remove the instrument panel and pad.
May 2, 2021 at 5:49 AM
Avatar
FARR2007
  • MEMBER
  • 244 POSTS
Thing is I hear it rolling around when driving back and forth in the dash.
May 2, 2021 at 5:56 AM
Avatar
STEVE W.
  • CERTIFIED EXPERT
  • 15,113 POSTS
That is a good thing then, it might just be behind the vents. Those pop out and then you could get a camera in there and snag it before it gets in deeper. The camera I'm talking about looks like this. They run about $40.00 to $50.00 on eBay and Amazon. Some parts stores have them as well as loaner tools but those are usually not as flexible.
May 2, 2021 at 7:04 AM
Avatar
FARR2007
  • MEMBER
  • 244 POSTS
It might have dropped down but I have what is called a lizard cam.
May 2, 2021 at 7:28 AM
Avatar
STEVE W.
  • CERTIFIED EXPERT
  • 15,113 POSTS
That should work to go hunting. I would pop out the airflow vanes from the dash, then use the camera to go looking. If you see it you should be able to get it out. They make claw grabbers that you can reach in with but most are somewhat like a spring, I've taken a coat hanger and attached it with tape to hold a shape with them if needed.
May 2, 2021 at 12:48 PM