The engine does not crank over, new battery, and new starter?

2014 ACURA ILX
130,000 MILES • 2.0L • 4 CYL • 2WD • AUTOMATIC
Avatar
DONNIE0610
  • MEMBER
  • 2 POSTS
No start, new battery, new starter, dash says check brake and starting systems. Have power at both pos sides of starter cut relay 1. Power on constant side of starter cut relay 2 is 12.5v, but there's constant 2.5v on the other side, with no change while cranking.
Sep 9, 2024 at 12:10 PM
Advertisement
Avatar
STRAILER
  • CERTIFIED EXPERT
  • 53,854 POSTS
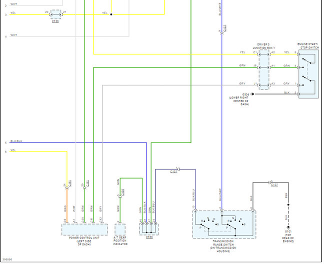
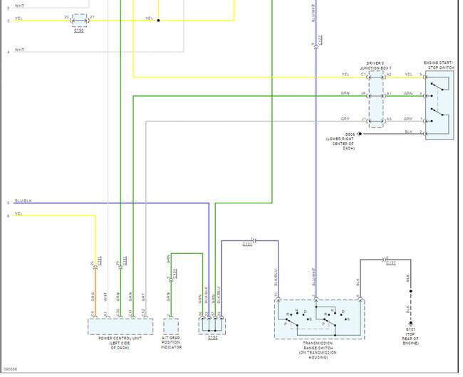
There are 7 fuses that run the system which I have included in the images below. We should check these first also, I included the starter wiring diagrams so you can see how the system works.

This guide can help you:

https://www.2carpros.com/articles/how-to-check-a-car-fuse

I can tell you I have seen the starter "start/stop" switch go out in these cars.

Here is a video to help as well:

https://youtu.be/6YRW8fyNudY?si=b8a8iqRFTB4HpclW

There are two starter cut and an inhibitor relay as well which I have provided locations for so you can swap them out one at a time to see if anything changes. This guide can help you test for power along the wiring diagrams so you can see when you lose power.

https://www.2carpros.com/articles/how-to-use-a-test-light-circuit-tester

Is the security light flashing BTW? Check out the images (below). Please upload pictures or videos in your response of any problems so we can see what to help you with.

Sep 9, 2024 at 3:28 PM
Avatar
DONNIE0610
  • MEMBER
  • 2 POSTS
I have 31 years' experience as a technician, to include 22 years active Army. I'm currently retired and trying to help a friend. He has replaced the starter, battery and all 3 relays. I swapped the relays with other know goods, with no change. I bypassed the brake sw and got no change. I did not bypass the neutral safety because the car doesn't start in N or P and figured it was good. I'm getting 12.4v on both sides of fuses 2.5 and 5, as well as spot #2 on both cut relays. I am getting 12.4v on the opposite side of #1 cut relay, while pressing start sw. I'm getting 2.5 constant volts, regardless of pressing start button or not, on #2 cut relay with no change while pressing. I get 12.4 volts on both sides of the inhibitor relay, under the dash. My thoughts now is that it may be a failed transistor inside of the PCM itself. It's one of the most complicated starting systems I've ever worked on and even though I'm really good at troubleshooting electrical issues, this one has me baffled. Thoughts?
Sep 9, 2024 at 4:05 PM
Advertisement
Avatar
STRAILER
  • CERTIFIED EXPERT
  • 53,854 POSTS
It sounds like the system is not being activated. I would remove the starter button and connect the yel/grn and gry/blk to see if the starter works. Did you check all of the fuses in the wiring diagrams? It could be the CPM or the power control unit, but I want to make sure it is not something simple. Also, can you confirm there is no power to the trigger wire to the starter solenoid to make sure we don't have a defective starter?
Sep 10, 2024 at 9:13 AM